1996 Ford Aerostar PLEASE HELP ME

Tiny
MARKOS
  • MEMBER
  • 1996 FORD AEROSTAR
  • 6 CYL
  • 2WD
  • AUTOMATIC
  • 185,000 MILES
HOW DO I CHANGE THE SPARK PLUG.
FORD AEROSTAR 6 CL 2 WHEEL DRIVE AUTOMATIC.
Saturday, November 22nd, 2008 AT 10:08 PM

1 Reply

Tiny
DAVE H
  • MECHANIC
  • 13,384 POSTS
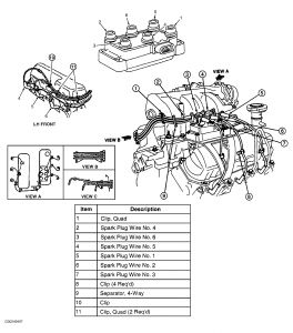
Trace the plug wires back from top to each plug pull wire off each plug in turn and using a spark plug wrench unscrew plugs ... replace with new ... replace wire/lead by push clipping back onto plug .. do this for each plug in turn .. do not get the wires/leads mixed up ??


https://www.2carpros.com/forum/automotive_pictures/266999_spark_1.jpg

Was this
answer
helpful?
Yes
No
-1
Sunday, November 23rd, 2008 AT 7:06 AM

Please login or register to post a reply.