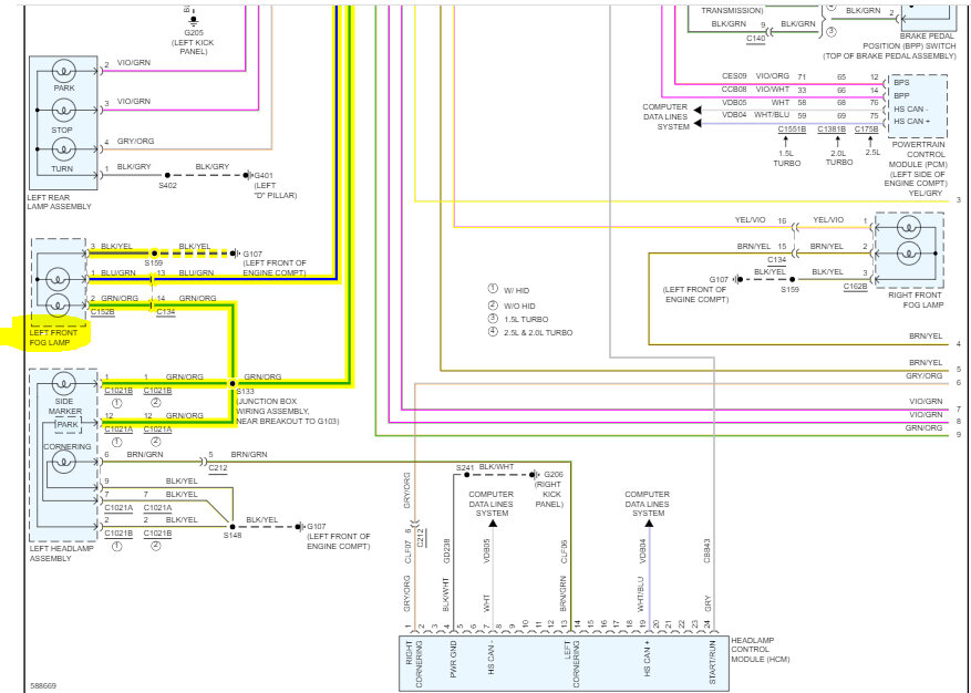
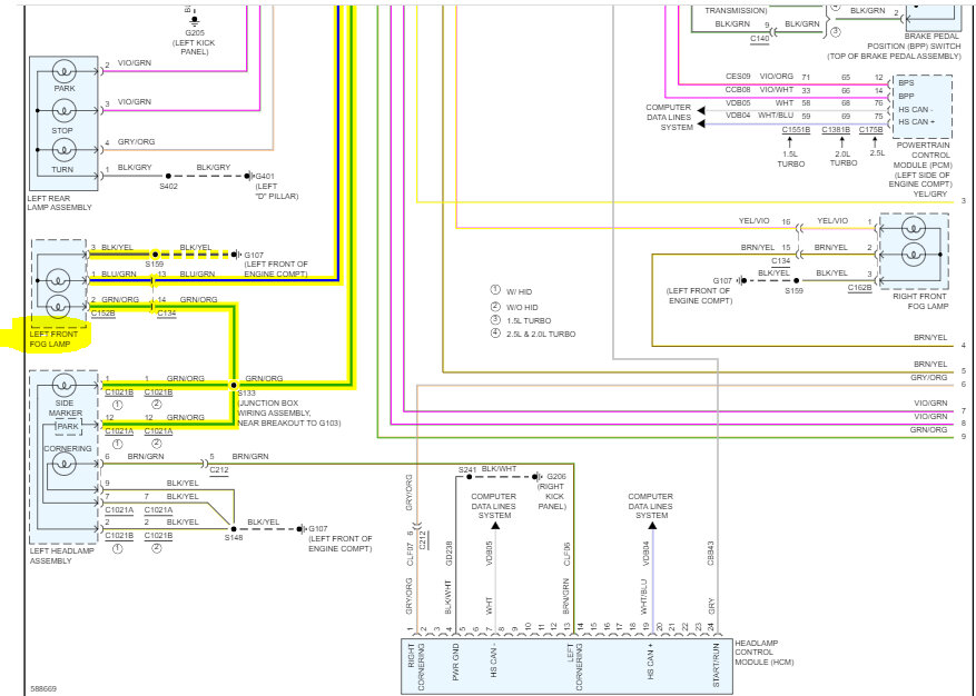
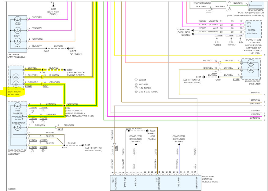
Thursday, April 27th, 2023 AT 3:42 PM
A couple of weeks ago I ran over a piece of shredded tire in the road. It flipped up and busted out my driver side fog light (no other damage). I replaced the fog light and the 2 bulbs myself, and even after trying a second set of bulbs the left turn signal still blinks fast. I’m trying to figure out what’s wrong with the car, and if it’s possible to fix it myself.



