Tuesday, June 16th, 2015 AT 11:29 AM
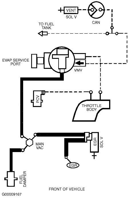
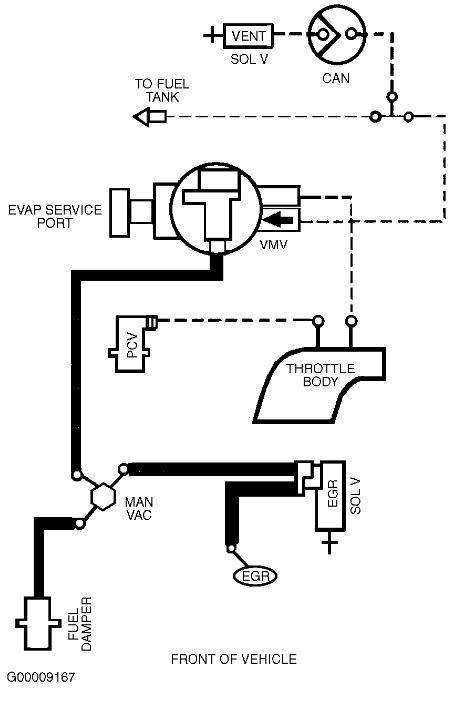
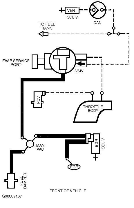
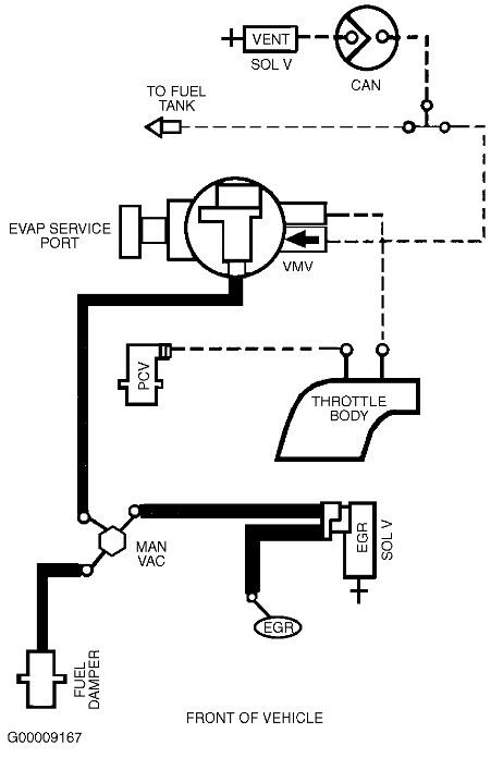
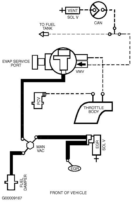
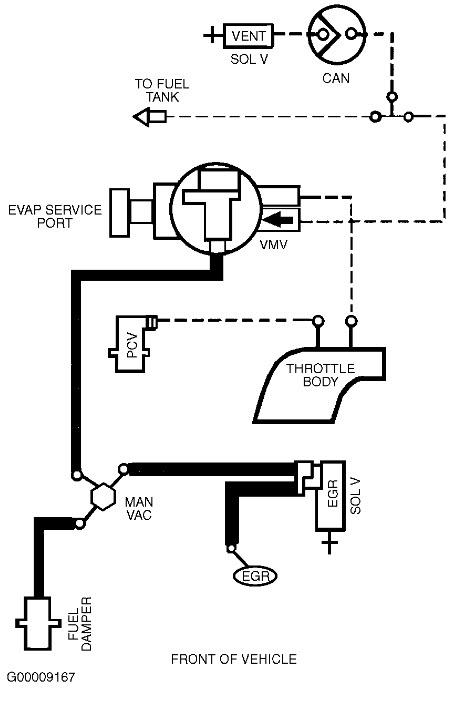
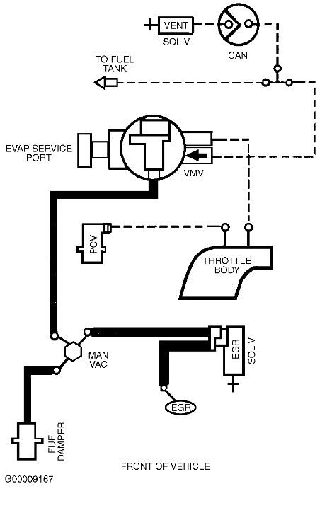
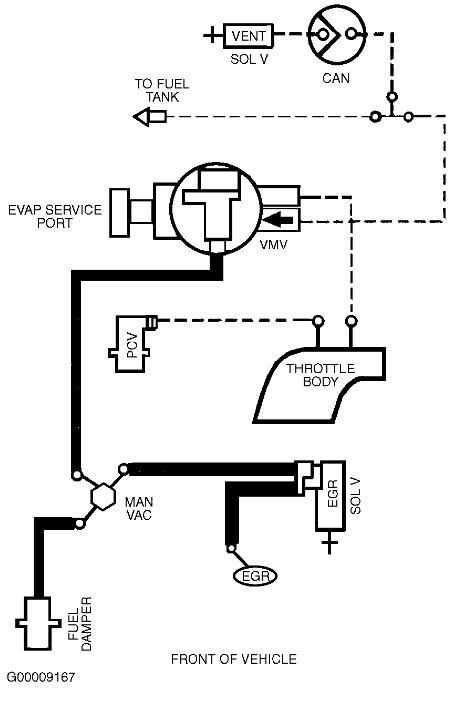
Replaced EGR Valve and found that the EGR Line was bad too, replaced it also. Hooked Vac Lines backup and other things that had to be moved to deal with EGR problem. Everything is connecteded properly, and now when I start it, the motor rocks and it acts like it is gasping for air. Before failing the Emissions test, the motor ran just fine, even though the check engine light was on. Have checked all the Vac Lines, made sure all sensors are connected. Removed the Air Hose, checked the Air Filter, cleaned the the Air Filter Housing Unit. Still, no help. Got any ideas? Thanx!



