Wednesday, January 17th, 2018 AT 10:02 PM
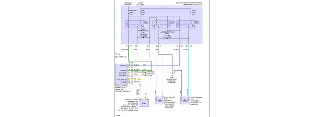
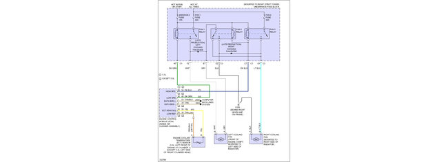
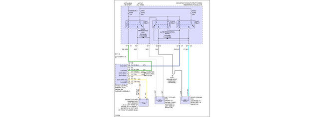
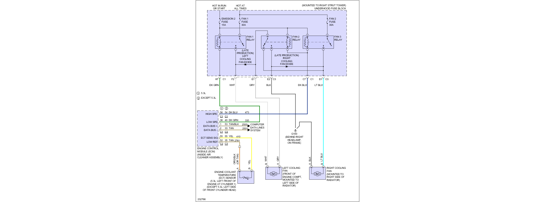
I had the heater on high then the line went all the way up high on my dashboard. I had been driving for about an hour. I heard bubbling noises and I lifted my hood and saw a little smoke from the radiator coolant container and liquid bubbling out and it was leaking orange liquid on the ground. I have had the thermostat replaced about a week ago due to the same problem. If I have a new thermostat, why is my radiator still making my engine overheat?


