Code P0462?

Tiny
LUTHELL
  • MEMBER
  • 2004 FORD FOCUS
  • 2.3L
  • 4 CYL
  • 2WD
  • MANUAL
  • 126,461 MILES
Anytime, at any speed, the battery light comes on, the speedometer and coolant temperature gauge stop working and trip computer shows two dashes on the display and finally the check fuel cap light comes on. And it all happens at the same time out of nowhere. And it all starts working again at the same time just as randomly. The time between not working back to working varies anywhere between 2 and 45 minutes.
Saturday, May 24th, 2025 AT 11:18 AM

2 Replies

Tiny
AL514
  • MECHANIC
  • 5,595 POSTS
Hello, have you had the charging system checked, that's where I would start, just to be sure the charging system isn't dropping out at some points. It's a bit odd you're only getting the one code and no other symptoms. Being that you're getting what looks to be a "Fuel Level Sensor Low Input code" (P0462), it's possible there's a wire shorting out for the sensor, since the engine computer monitors this circuit and is the control module setting the code. I'll post the service info on that code, and if you have a scan tool you can fill the gas tank and monitor the live engine data PIDs (sensor information) for the fuel level sensor and see if it's within range of the voltage levels they give. I'm not sure a fuel level sensor would cause the whole cluster to go down like that, unless there are other codes stored in the instrument cluster, and those you would need a scan tool that can do a full system scan of all the modules in the vehicle.

I have also seen these Ford instrument clusters crack at the harness connector solder joint right on the circuit board. From what I can tell, they all seem to be lacking in solder on the connector pin joints, but when the board gets warm the solder joint would open up then when it cooled down a little the solder joint would close back up and the problems would go away. I've taken them out and re-soldered the connector pins with more solder and the vehicle never has the issue again. But since this happens within a certain time frame, if it's the alternator/charging system voltage dropping low, it could be caught by monitoring the voltage right at the alternator. If the voltage is ok when the problem occurs again, I can usually give the dash a tap on top and see it come right back.
But I will post the info for that code, and if you can have someone with a capable scan tool scan the entire vehicle for other codes. You might not be seeing something with a basic scan tool that only reads engine codes.
Was this
answer
helpful?
Yes
No
Saturday, May 24th, 2025 AT 4:13 PM
Tiny
AL514
  • MECHANIC
  • 5,595 POSTS
There are two different builds with this model, one has tighter restrictions with emissions. The difference would be a California emissions vehicle (PZEV) or Federal emissions standards. The information on each says they have the same equipment, but the service info shows different instrument cluster connector numbers and pin locations. The tag under the hood will say Conforms to Cali. And Federal emissions standards or just Federal.
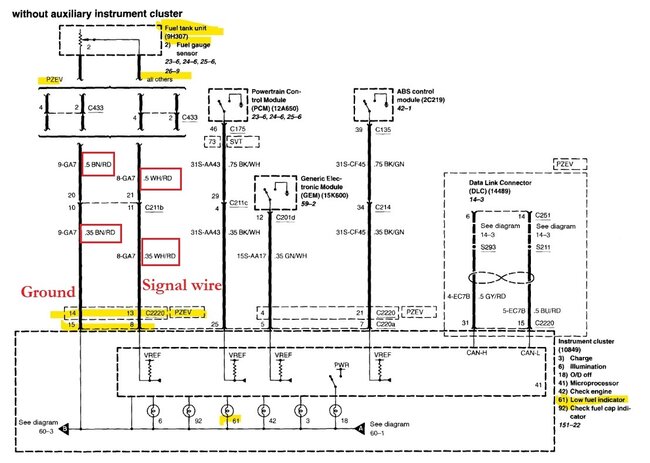
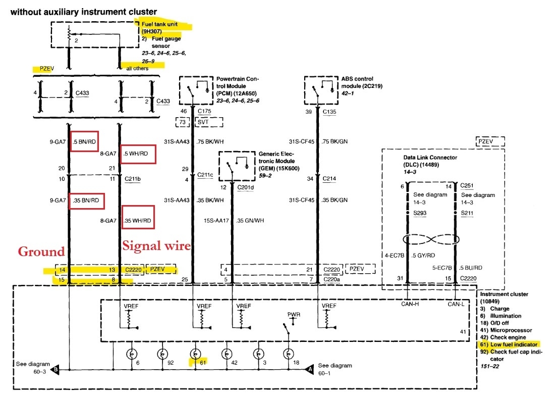
This is the code information and the two different cluster connectors it would have for one or the other emissions regulations.

In the first diagram in the 4th box, it shows which data PIDs (parameters IDs) to look at under the live engine data (PCM), and what the voltage level should be for a certain amount of gas in the tank. But also have a shop or someone with a capable scan tool check the cluster for codes as well. It might be that the cluster is losing power, and the PCM is setting the code because that's a sensor its monitoring and possibly losing a signal from it due to a cluster fault.
The last diagram is the OEM Ford wiring diagram for the Cluster with the Fuel level sensor section, where it shows the Signal wire and the Ground for the sensor. Since the PCM is setting a low signal code, it can be either losing the signal altogether, or it can be caused by the cluster losing power like you're seeing.

If the vehicle only has the one cluster (because some come with an Aux Cluster), give the dash a tap on top when the fault happens and see if the cluster comes back to life, if it does, there is most likely some cracked solder joints in the connector, I haven't had to replace them, just repair them. You would need to find some place willing to take it apart and solder the pins again. A shop will just replace the cluster if it's the issue but see if other codes are present in any other modules first.
Was this
answer
helpful?
Yes
No
Saturday, May 24th, 2025 AT 4:50 PM

Please login or register to post a reply.