Wednesday, October 4th, 2017 AT 12:29 PM
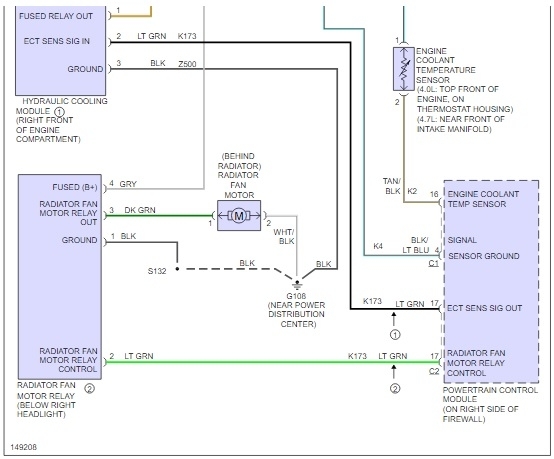
The fan is not kicking on so my car is over heating when stopping in traffic. I have had a guy who has fixed different problems and it has always cost an arm and a leg. I have read through mostly all the comments here none of which he is telling me it is. The check engine light is on but has been because it is missing. Anyway, he told me I need to replace the computer. Before I pour that much more money into it I would like to know if this could possibly be the problem? Tia!





