HOME
ASK A QUESTION
REPAIR GUIDES
BECOME A MEMBER
LOG IN
Login with Facebook
OR
Remember me
NOT A MEMBER?
FORGOT PASSWORD?
CONTACT US
PRIVACY POLICY
TERMS AND CONDITIONS
☰
Home
Oldsmobile
Alero
Interior
Instrument Cluster
Gauges
Engine Temperature
Fan not going on
HIPSGARAGE
MEMBER
1999 OLDSMOBILE ALERO
3.4L
6 CYL
2WD
AUTOMATIC
36,000 MILES
Fan is not turning on when temperature gauge get past half way point.
Wednesday, February 8th, 2017 AT 11:18 AM
1 Reply
HMAC300
MECHANIC
48,601 POSTS
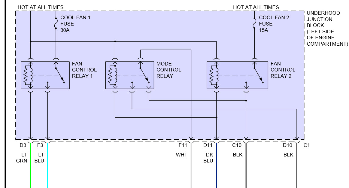
I assume you have checked everything in the picture as well as wiring going from ECT to PCM.
Image (Click to make bigger)
Was this
answer
helpful?
Yes
No
-1
Wednesday, February 8th, 2017 AT 12:21 PM
Please
login
or
register
to post a reply.
Related Instrument Cluster Gauge Engine Temperature Content
Temp Gauge
I Have A 01 Olds Alero That Only The Temp Gauge Inside Is Going The Opposite Direction. Any Info Will Be Helpful. Thank You
Asked by
ron hicks
·
2 ANSWERS
2001
OLDSMOBILE ALERO
2001 Oldsmobile Alero Sensors
There Are 2 Coolant Temp Sensors, One Is On The Thermostat Housing And The Other, I Need To Know Where It Is. My Alero Did It Before And...
Asked by
Jerry Z
·
4 ANSWERS
2001
OLDSMOBILE ALERO
1999 Oldsmobile Alero Gas Gage Broken
Hi, I Just Purchased A 1999 Olds Alero At An Auction And There Is A Slight Problem With The Gas Gage. The Needle For The Gas Gage Is Beyond...
Asked by
Ajem
·
1 ANSWER
1999
OLDSMOBILE ALERO
1999 Oldsmobile Alero Odometer
Electrical Problem 1999 Oldsmobile Alero 4 Cyl Front Wheel Drive Automatic The Digital Readout On The Odometer Is No Longer Lit. All...
Asked by
chris.k
·
1 ANSWER
1999
OLDSMOBILE ALERO
1999 Oldsmobile Alero 1999 Alero Gauges Maxed Out
I Replaced A Throttle Position Sensor And Had To Disconnect The Battery, When I Put Everything Back Together, My Temp Gauge And Fuel Gauge...
Asked by
lytebere_26
·
2 ANSWERS
1999
OLDSMOBILE ALERO
VIEW MORE
Ask a Car Question. It's Free!
Radiator Replacement Mercedes Benz
Radiator Hoses and Thermostat Replacement
Radiator Replacement Kia Sportage