Sunday, November 17th, 2019 AT 5:18 PM
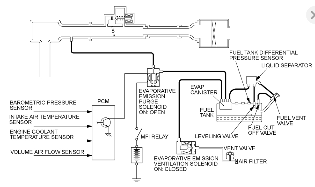
Good evening techs. Question I have to change some hoses that are deteriorated with the EVAP system and the fuel vapor hose could someone identify the hose that is connecting fuel tank and the canister system. Here is the photo. Mitsubishi has a name of pressure hose, suction hose, vapor hose. I can't get to a manual and having issues with my location. Chicago Illinois. Here is the photo.







