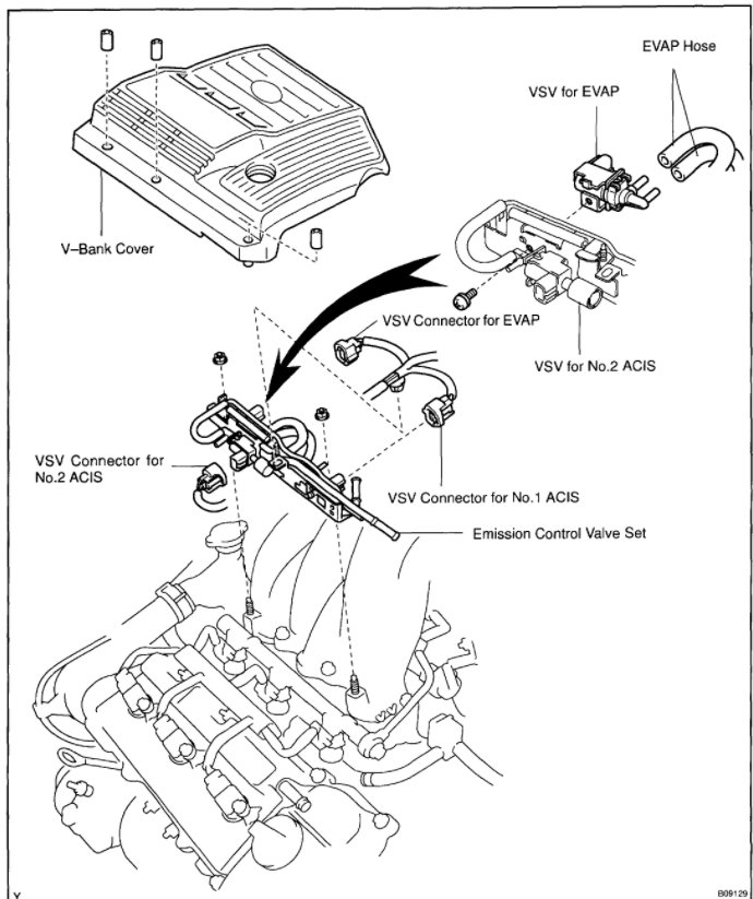
Even though my car has 265,000 miles, my car runs very smooth but I my MPG has fallen and I feel that there is a smell of fuel in my car's exhaust. I have check engine light codes P0440, P0441, P0446.
If I were to replace the EVAP Purge Valve myself but if it were to turn out that it's actually the EVAP Canister that is bad then would this bad EVAP Canister damage my new EVAP Purge Valve immediately?
Please let me know.
Thank you.
Samir
If I were to replace the EVAP Purge Valve myself but if it were to turn out that it's actually the EVAP Canister that is bad then would this bad EVAP Canister damage my new EVAP Purge Valve immediately?
Please let me know.
Thank you.
Samir
Feb 12, 2021 at 11:06 PM


