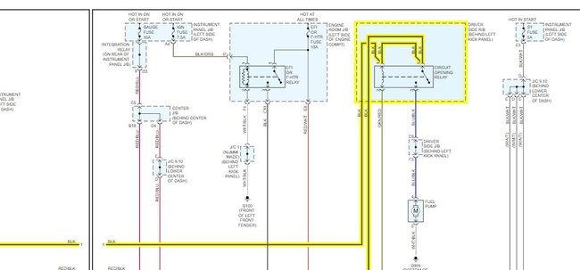
I replaced the gas cap, charcoal canister, and checked the fuel pump assembly but the po441 would not disappear.
I built a smoke tester (via DIY mr fusion) and smoke tested by using the vacuum line just before the purge solenoid. The only source of leak I get is from around the gas cap.
Is this leak normal/expected? Should I change the whole filler neck?
Wednesday, April 22nd, 2020 AT 12:05 PM




