Sunday, September 29th, 2024 AT 8:28 AM
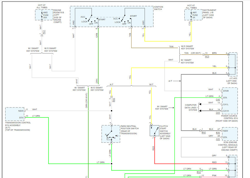
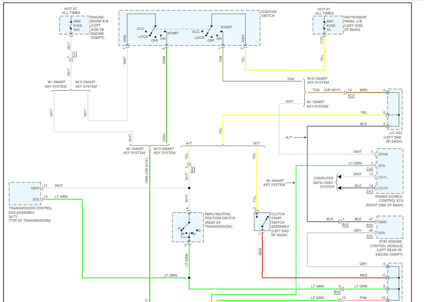
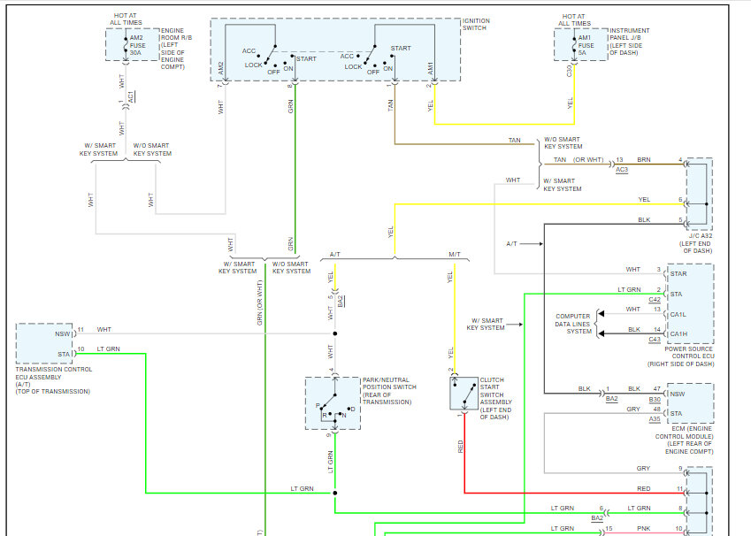
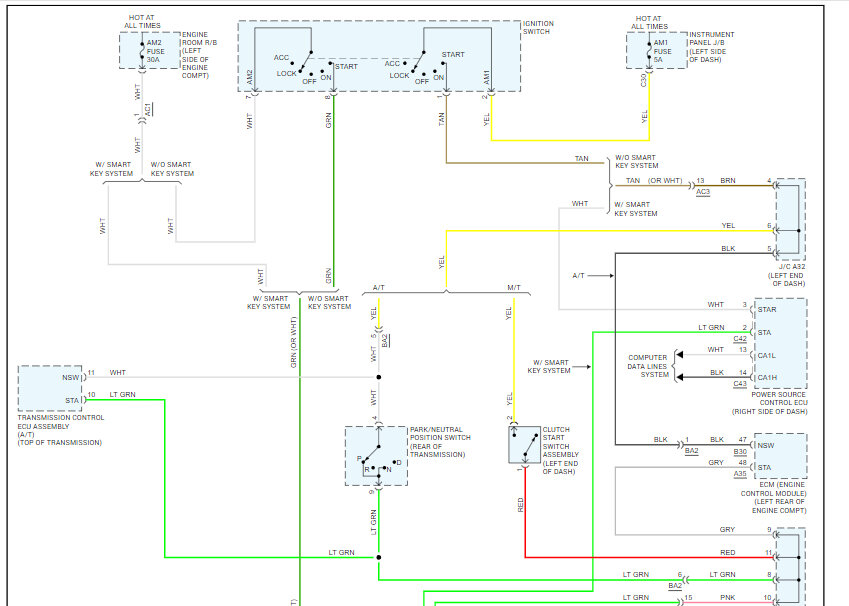
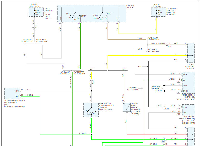
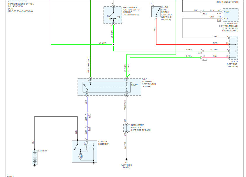
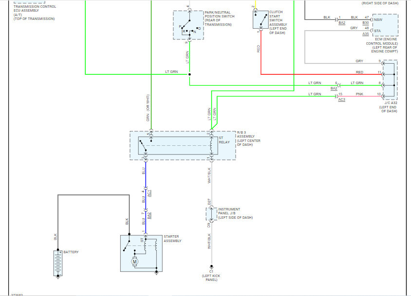
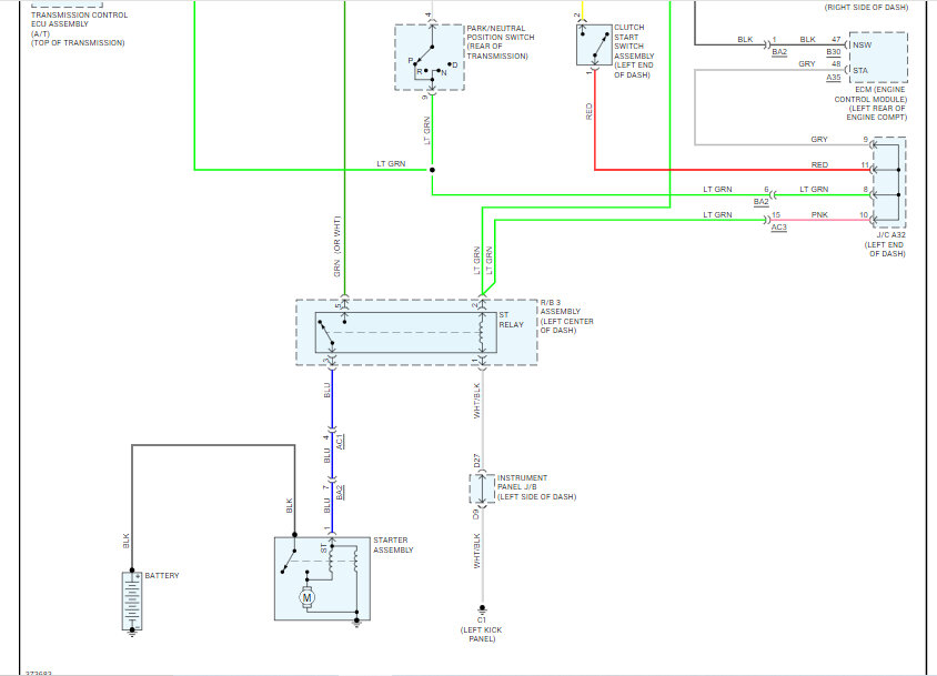
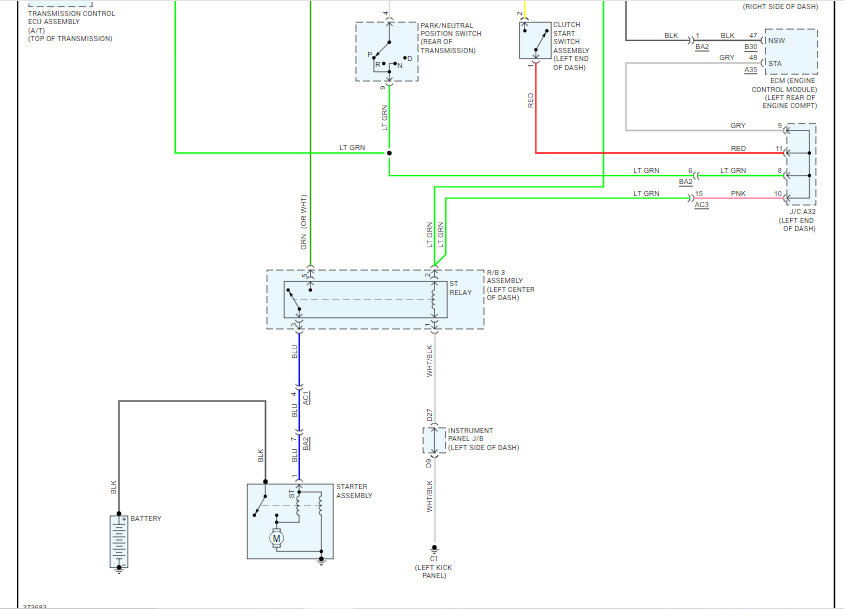
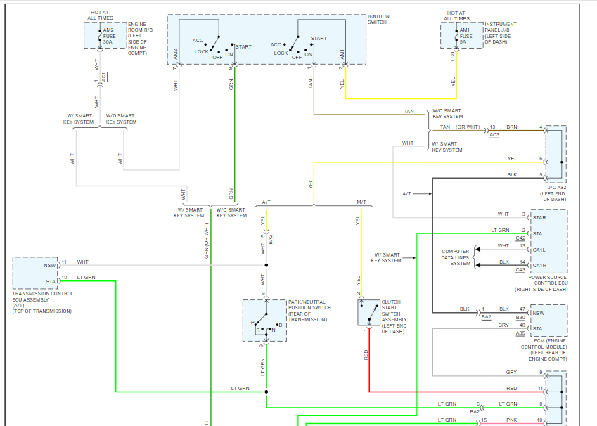
The engine blew on my vehicle listed above which is a 2ar engine. I was able to locate a 2013 scion TC 2ar engine. I swapped it out and replaced the clutch and hydraulic clutch throughout bearing. Now I reconnected the battery I have all my lights I have power to everything however there is no check engine light, and it will not turn over. Any information anything at all will help.









