Friday, October 8th, 2021 AT 9:39 PM
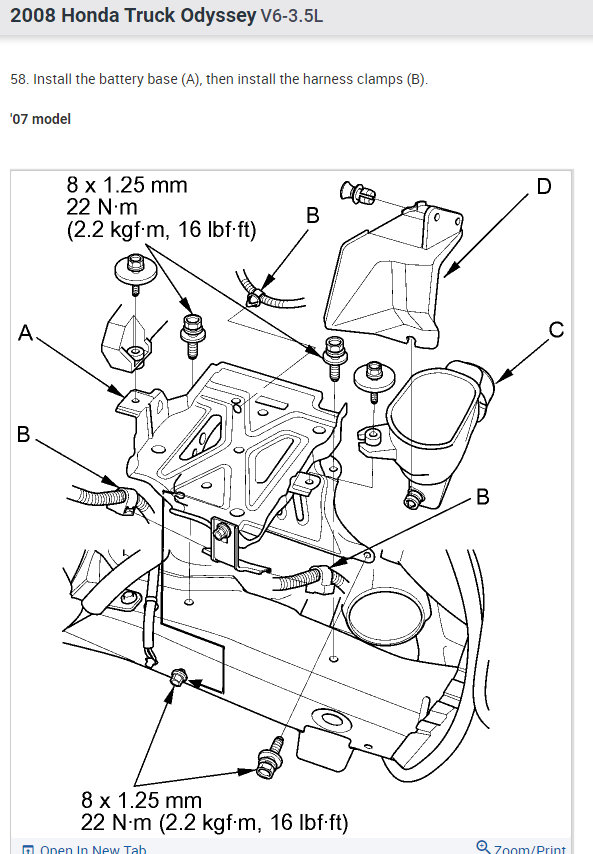
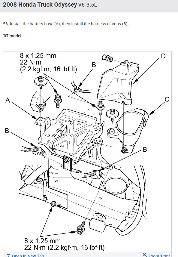
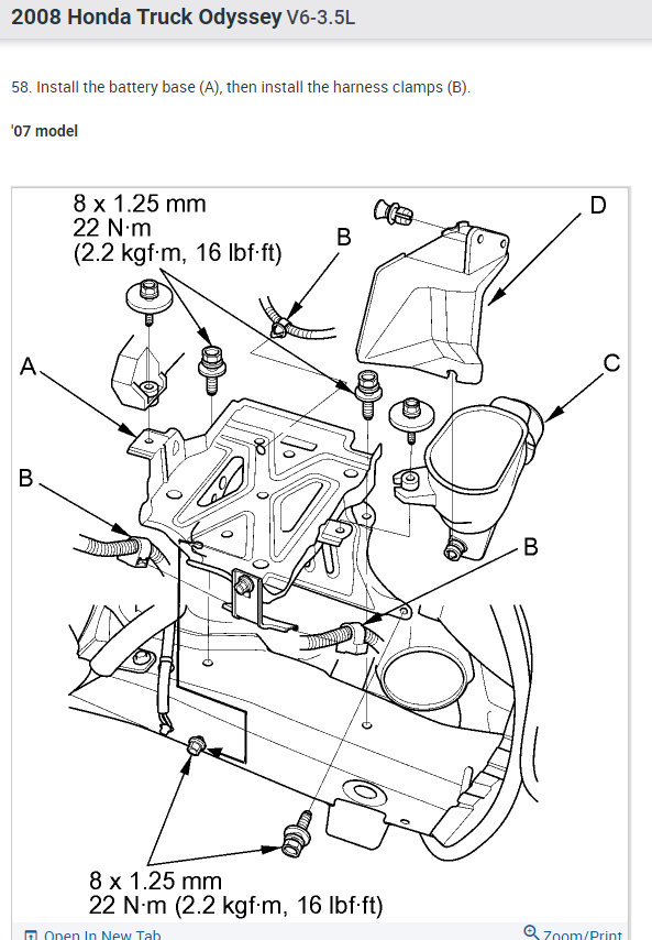
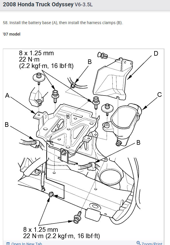
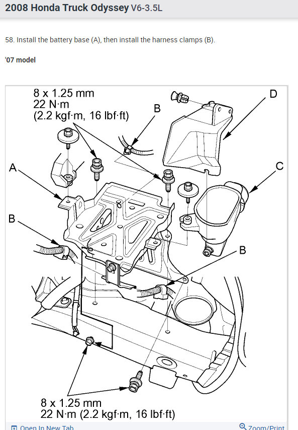
Hey guys I would like to know the process or atleast the diagram in removing the motor out this van. Im ordering another motor and will be doing an engine swap. Im trying to figure out wether in this year 2008 will the engine have to come out through the bottom or what not. Anyhow a diagram step by step would greatly be apreciated. Thanks in advance















































































