I make repairs to this vehicle:
1. Timing belt with tensioner.
2. Oil pump gasket.
3. Crankshaft seal.
4. Harmonic balancer.
5. Alt/fan pulley with belt.
6. A/c/water pump tensioner with belt.
7. Power steering belt.
8. Thermostat with the housing, radiator flush with mounts and new coolant.
The vehicle start like new, but when you press the gas pedal don't respond it has low power. You see and hear the revolutions in 3,500 but lack of power.
The vehicle have this obdii codes:
1) p0110.
2) p1105.
When I check it doesn't have the IAT sensor (someone eliminate that sensor)
Then I check the p1105 Nissan - manifold absolute pressure/barometric pressure switch solenoid valve and doesn't have voltage (4.3 volts) either on map sensor and the solenoid valve and a vacuum leak on the plenum.
What other possible problem I made have in this vehicle that make the engine lack of power?
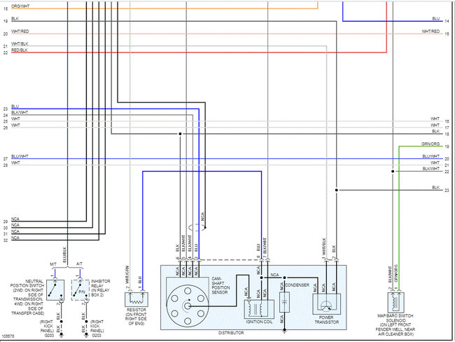
If possible I need the fuse boxes identification diagram.
Thanks,
Juan Marin
Thursday, May 21st, 2020 AT 5:26 PM



















