Engine is running at 4,000 RPMs

Tiny
KEVIN FESSLER
  • MEMBER
  • 2003 SATURN VUE
  • 3.0L
  • V6
  • 2WD
  • AUTOMATIC
  • 17,000 MILES
We had to replace the original motor because of a bad head gasket. We replaced with a used one. When you go to start it it jumps right at 4,000 RPMs and stays there but when you put in the brakes it drops the RPMs to 2,000 or even stalls out. Leave go of the brakes and goes right back up to 4,000. All while in park. All grounds are good and all wires are together. Also before we replaced the motor I drove it off the trailer and around the block to my driveway with no issues but the blown head gasket.
Saturday, June 12th, 2021 AT 6:50 PM

3 Replies

Tiny
JACOBANDNICKOLAS
  • MECHANIC
  • 110,192 POSTS
Hi,

Do me a favor. Two things happen when you apply the brake. One, power is sent to the brake lights and park interlock system. I'm not sure how that would affect idle, other than if there is a major vacuum leak at the brake booster. So, first, remove the fuse for the brake lights. See if the vehicle still does the same thing. If it does, we eliminated a power issue.

Next, I need you to check and confirm the power brake booster hose between the intake and the booster is attached, not damaged, and check to make sure there is no leak.

Last, since the engine is new/used, I suspect the throttle body is from the new engine. There is an idle relearn procedure I want you to try. It's very simple but is required when the throttle body or ECM is replaced.

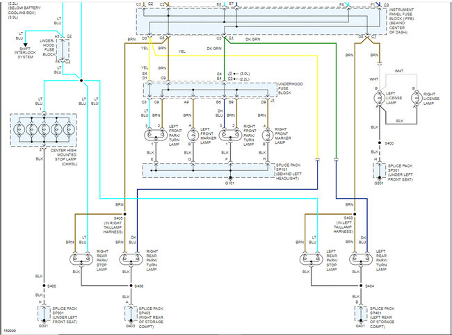
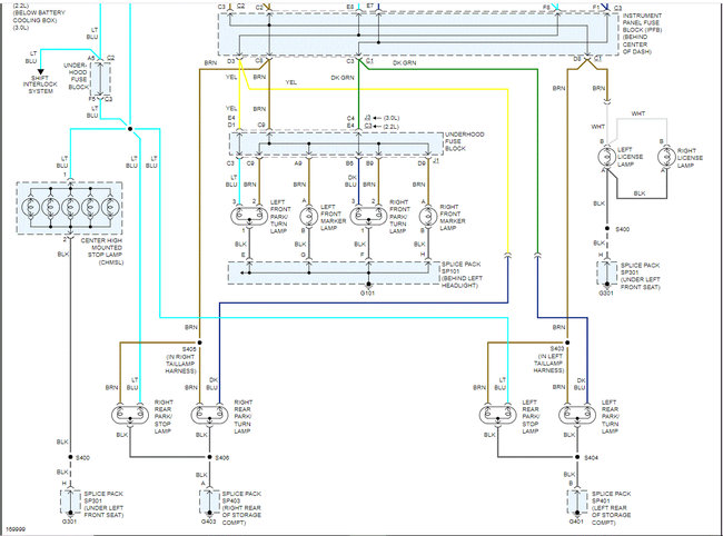
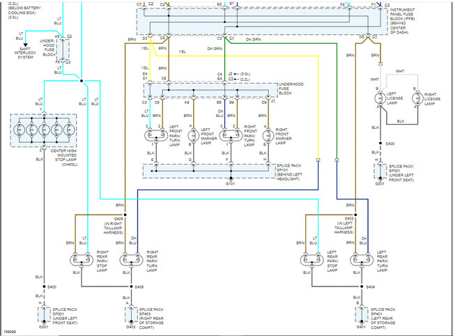
If you look below, the first three pics include the wiring schematic for the brake lights and the fuse location in the underhood fuse box.

Pic 4 shows the vacuum hose I'm referring to at the brake booster. I highlighted it.

The last pic is the idle/throttle relearn procedure.

I don't think it's an electrical issue, but by removing the brake light fuse, we bypass the switch and lights. That will let me know if it is in some way electrical.

I honestly feel it could be a vacuum leak at the brake booster. When you press the brake pedal, you are using the vacuum in the booster which can affect the idle. Especially if there is little to no vacuum due to a damaged hose or loose connection. Also, the added fresh air is not metered and can cause the idle speed to increase. It's just a theory at this point but I hope it's something that simple.

Let me know what you find or if you have other questions.

Take care,

Joe

See pics below.
Was this
answer
helpful?
Yes
No
Sunday, June 13th, 2021 AT 8:28 PM
Tiny
KEVIN FESSLER
  • MEMBER
  • 2 POSTS
I took the brake fuse out, brake booster hose is fine and still the same thing is happening. We got now that it starts up at 4,000 RPMs for about 30 seconds and drops down by itself to normal idle and stays there. I also forgot to mention from the previous post that there is no throttle response and that the throttle body is making a clicking whining sound and the valve is vibrating in the throttle body. I got another pedal from the yard and just plugged it and still nothing. I did the same thing with the previous throttle body from the old motor and same thing is happening. So we ruled out that the throttle body is bad. We put a scan tool on it and got 8 codes.
Was this
answer
helpful?
Yes
No
Tuesday, June 15th, 2021 AT 9:41 AM
Tiny
JACOBANDNICKOLAS
  • MECHANIC
  • 110,192 POSTS
Hi,

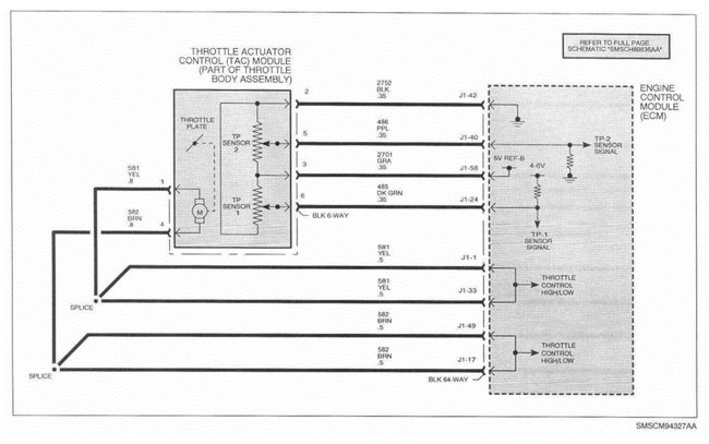
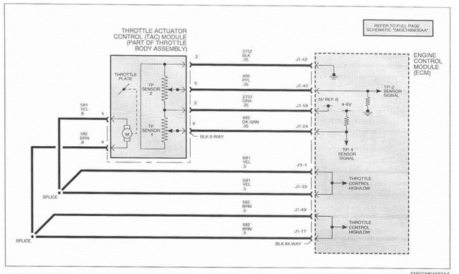
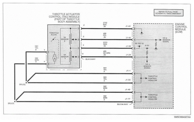
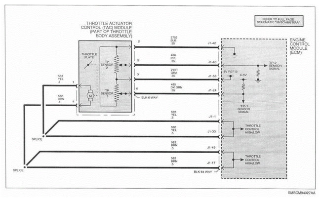
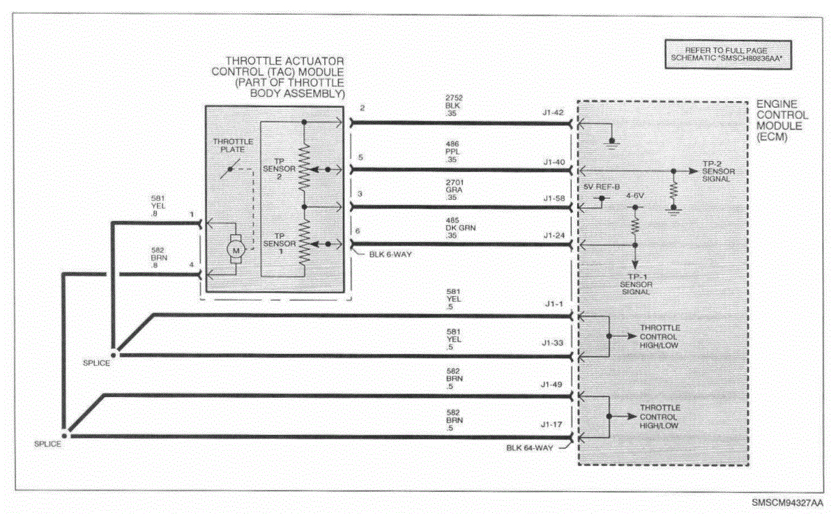
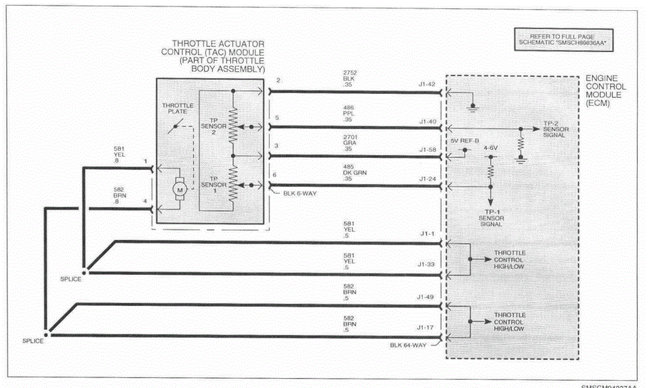
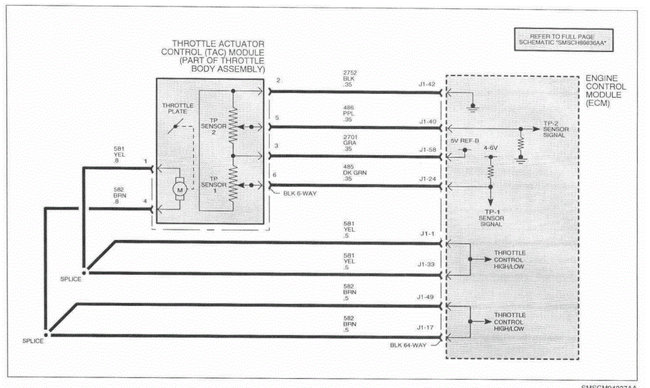
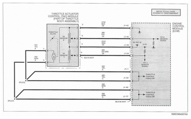
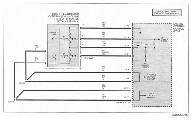
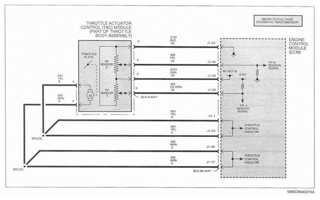
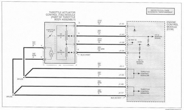
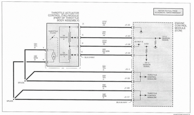
There is a voltage issue related to the TPS 1 and 2. Both are too high. The problem could be a short to voltage because they should only be seeing a 5v reference. Also, it can be related to a short in the throttle actuator control module or the ECM.

The codes identifying these two sensors are P0123 and P0222. Interestingly, both of these sensors and the APP sensor get the 5v reference from the same supply. Therefore, the problem is before the sensors.

If you look below at the first three attachments, they provide the diagnostics for the p0123. That is related to sensor 1. The remaining pics are for the P0222 which is sensor 2.

It seems, in this case, there isn't a problem with the parts, but instead, the power getting to them.

Let me know if this helps or if you have other questions.

Take care,

Joe

See pics below>
Was this
answer
helpful?
Yes
No
Tuesday, June 15th, 2021 AT 9:22 PM

Please login or register to post a reply.