Tuesday, April 5th, 2016 AT 3:33 PM
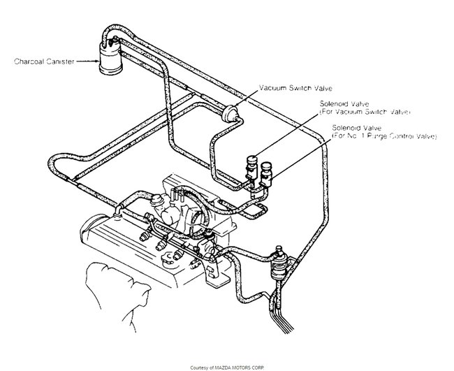
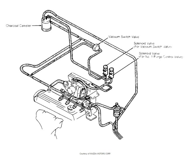
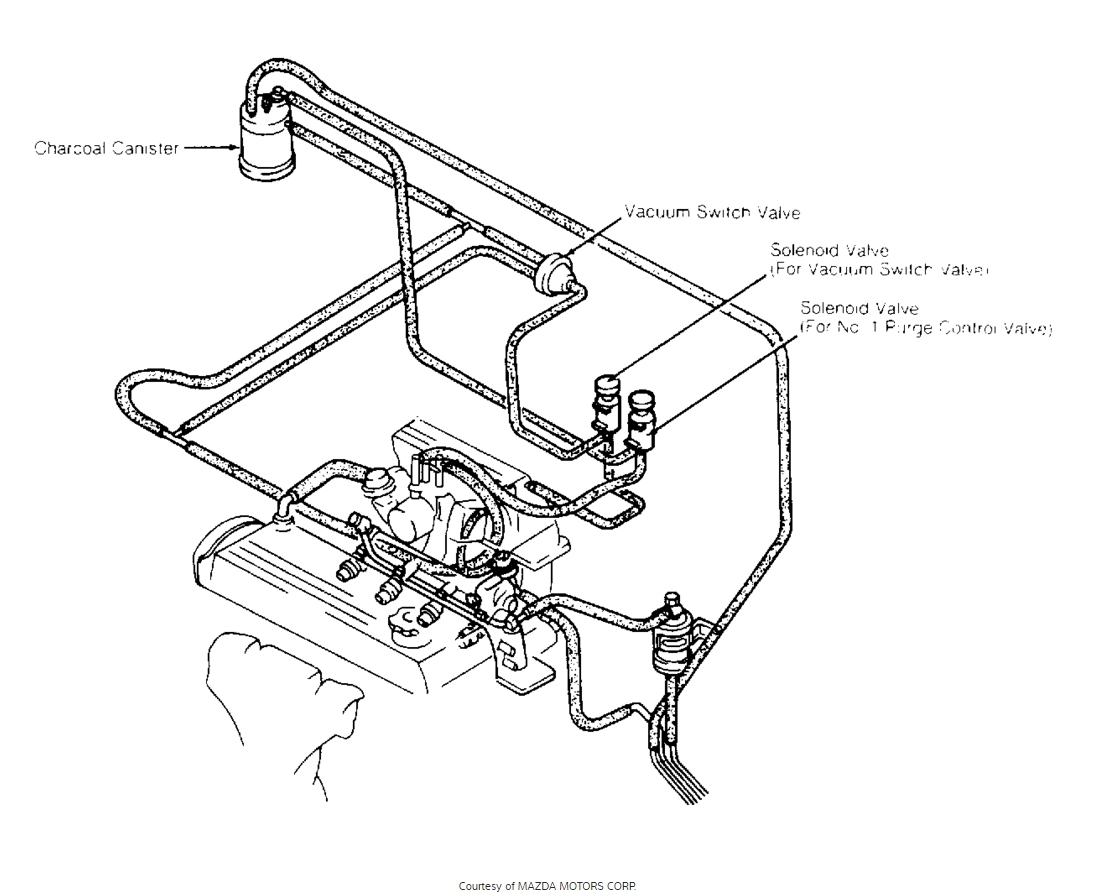
Put a 91 626 2.2L non turbo automatic's engine into a standard 88. Engine is all the same (block wise) so it bolted together perfectly. The 91 engine I got from a junkyard so a lot of the hoses were missing. I swapped over the EGR from the 88 engine because of the tranny difference after cleaning it all out and testing the pressure sensor. So my question is, how the heck am I suppose to connect all this vacuum tubing up correctly? I went off of the last engines connections but the tubes coming from the moisture catcher are non existent it seems on the 91's engine. Does anyone have a diagram or can explain what connects to what? Car runs fine, dies often, I have to adjust the distributor still.

