The engine does not crank?

Tiny
DAVE 30
  • MEMBER
  • 2007 DODGE RAM
  • 5.7L
  • V8
  • 2WD
  • AUTOMATIC
  • 120 MILES
Engine won't even crank over, have lights and Instruments, checked starter ignition, tipm module. What's next?
Thursday, March 14th, 2024 AT 10:47 AM

4 Replies

Tiny
KEN L
  • MASTER CERTIFIED MECHANIC
  • 55,488 POSTS
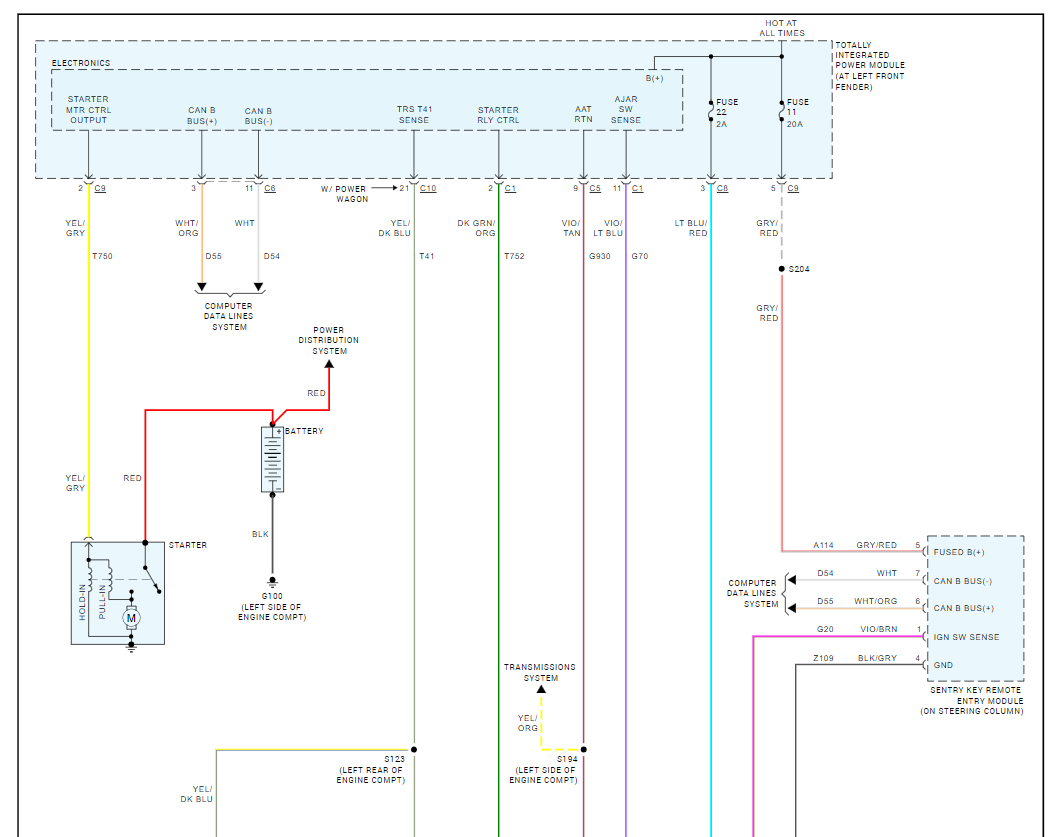
When you try to crank the engine over do you get power to the yel/gry wire at the starter motor? If so, the starter is bad, can you turn the engine over by hand? This guide can help. Also, let's check fuse #11 and #22 inside the TIPM under the hood fuse panel.

https://www.2carpros.com/articles/engine-seized-test

This guide can help as well:

https://www.2carpros.com/articles/starter-not-working-repair

Here is how to change the starter out in case you need it and the starter wiring diagrams so you can see how the system works. Check out the images (below). Please upload a short video in your response to the problem so we can see what's going on.

Was this
answer
helpful?
Yes
No
Thursday, March 14th, 2024 AT 5:29 PM
Tiny
DAVE 30
  • MEMBER
  • 1 POST
New starter, checked TIPM, engine not seized.
Was this
answer
helpful?
Yes
No
Tuesday, March 19th, 2024 AT 9:47 AM
Tiny
KEN L
  • MASTER CERTIFIED MECHANIC
  • 55,488 POSTS
In the crank position do you have power to the yel/gry wire at the starter solenoid?

Please go over this guide to check:

https://www.2carpros.com/articles/how-to-use-a-test-light-circuit-tester

Please go over this guide and get back to us.
Was this
answer
helpful?
Yes
No
Thursday, March 21st, 2024 AT 11:21 AM
Tiny
KEN L
  • MASTER CERTIFIED MECHANIC
  • 55,488 POSTS
Anything?
Was this
answer
helpful?
Yes
No
Saturday, May 11th, 2024 AT 12:32 PM

Please login or register to post a reply.