HOME
ASK A QUESTION
REPAIR GUIDES
BECOME A MEMBER
LOG IN
Login with Facebook
OR
Remember me
NOT A MEMBER?
FORGOT PASSWORD?
CONTACT US
PRIVACY POLICY
TERMS AND CONDITIONS
☰
Home
Dodge
Ram
General
Electronic
JLOBAINA
MEMBER
1994 DODGE RAM
I hav 94 dodge ram 5.2, I changged the 4 relayI in front
Wednesday, May 15th, 2013 AT 7:11 AM
3 Replies
HMAC300
MECHANIC
48,601 POSTS
What is the question
Was this
answer
helpful?
Yes
No
Wednesday, May 15th, 2013 AT 7:29 AM
JLOBAINA
MEMBER
18 POSTS
Would like to kno why there is no electricity from distribuidor to the ignition coil when I turn ignition switch?
Was this
answer
helpful?
Yes
No
Wednesday, May 15th, 2013 AT 7:45 AM
HMAC300
MECHANIC
48,601 POSTS
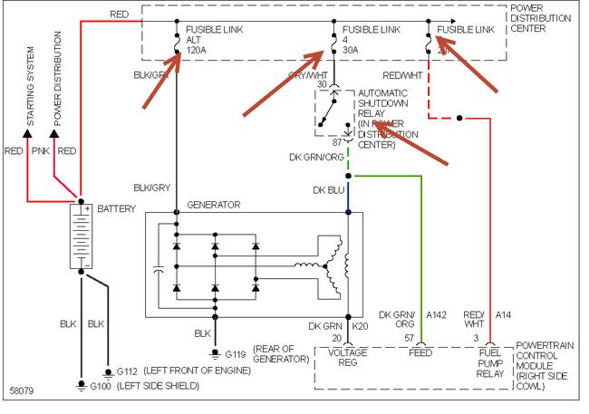
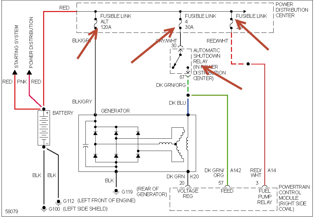
Check the fusible links in power dist center along with links 2 &3 check your automatic shutdown relay pic enclosed.
Image (Click to make bigger)
Was this
answer
helpful?
Yes
No
Wednesday, May 15th, 2013 AT 7:49 AM
Please
login
or
register
to post a reply.
Related General Content
GUIDE
Inquire Here
Ask a Car Question. It's Free!
Avoiding Car Repair Fraud
Driver Tips and Safety Information
Car Maintenance and Service Procedures