Thursday, March 26th, 2020 AT 3:40 PM
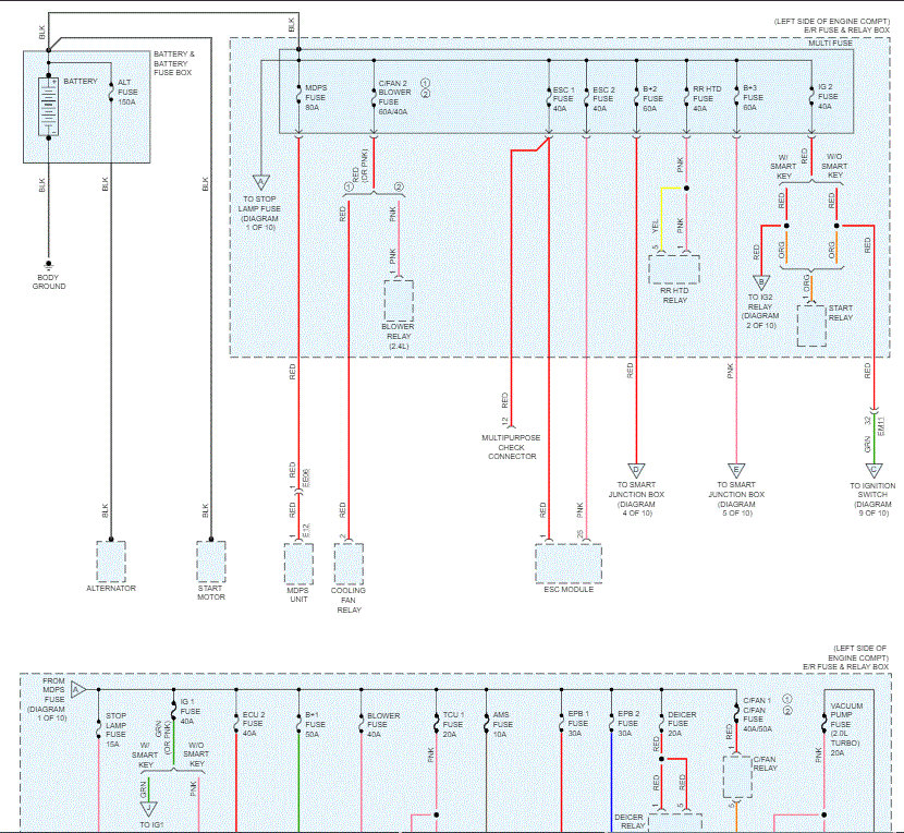
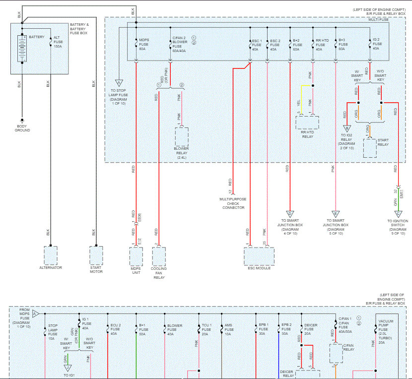
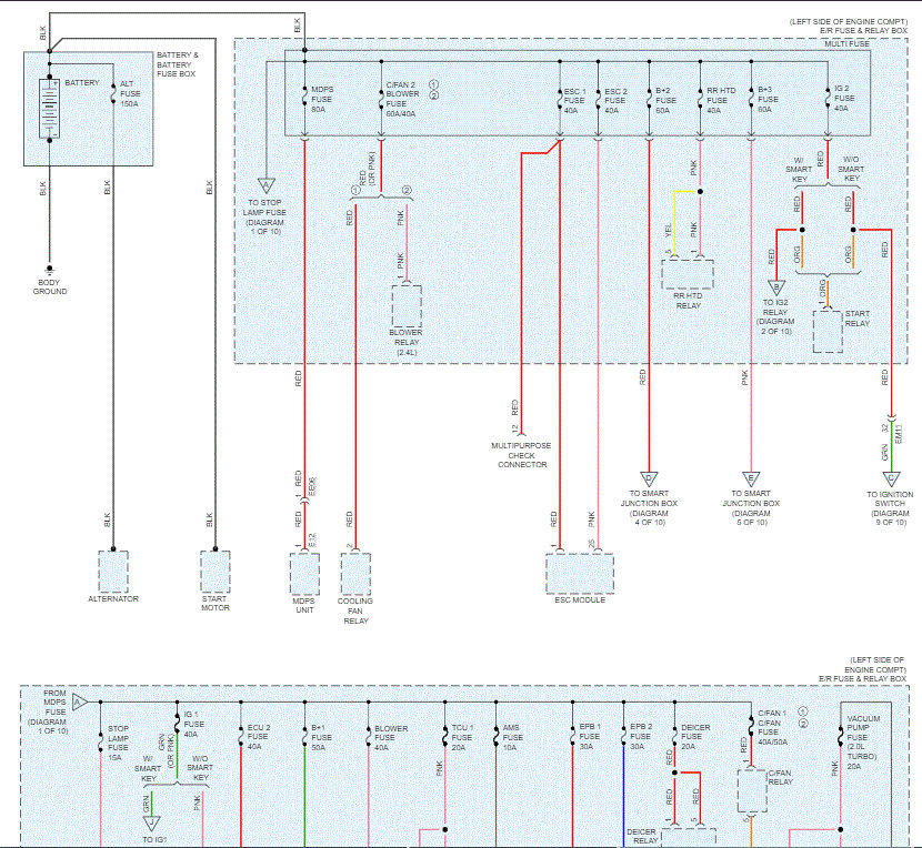
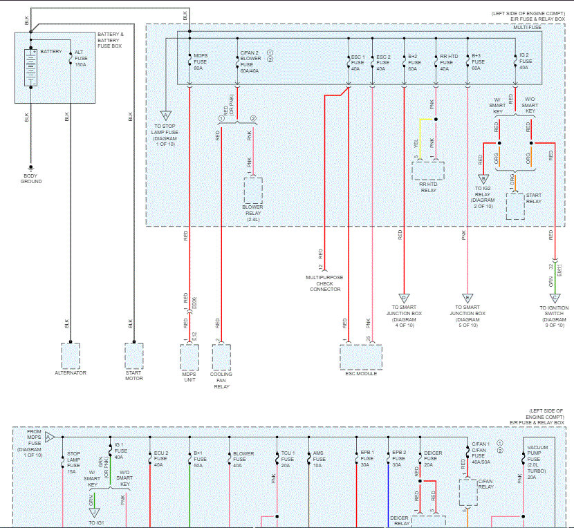
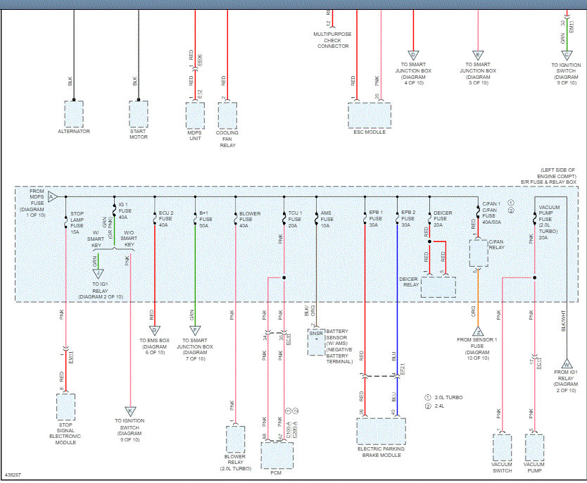
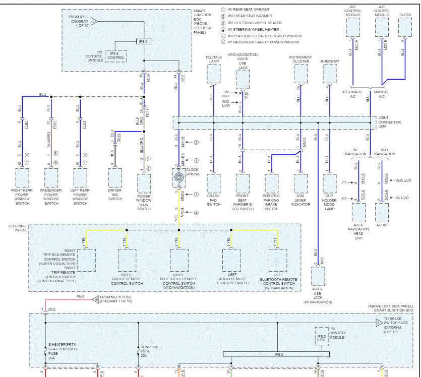
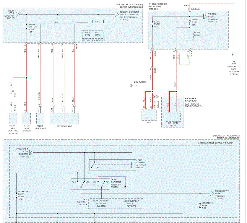
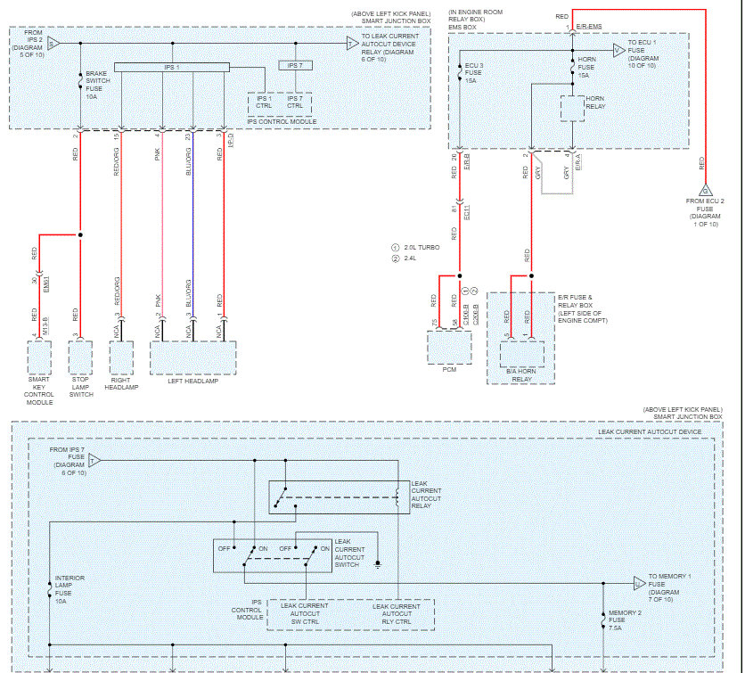
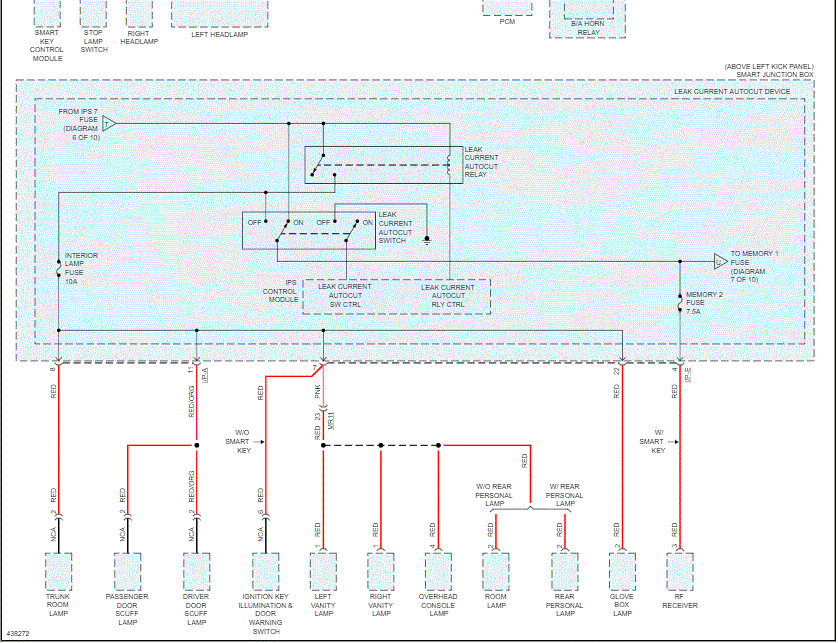
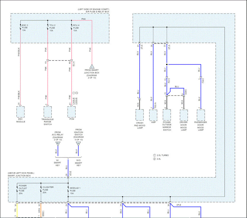
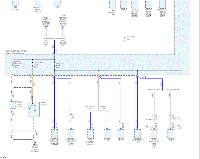
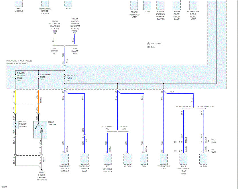
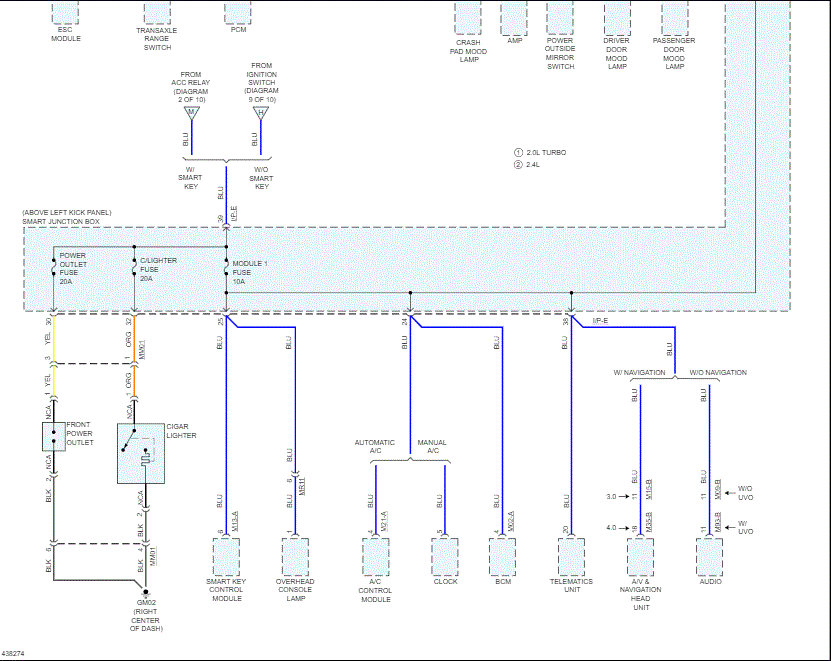
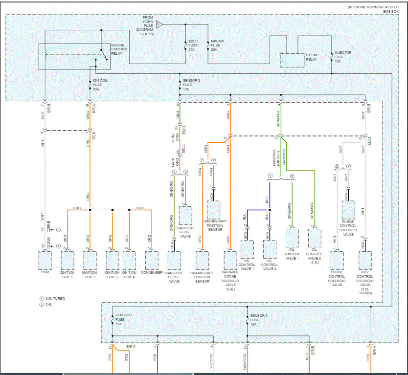
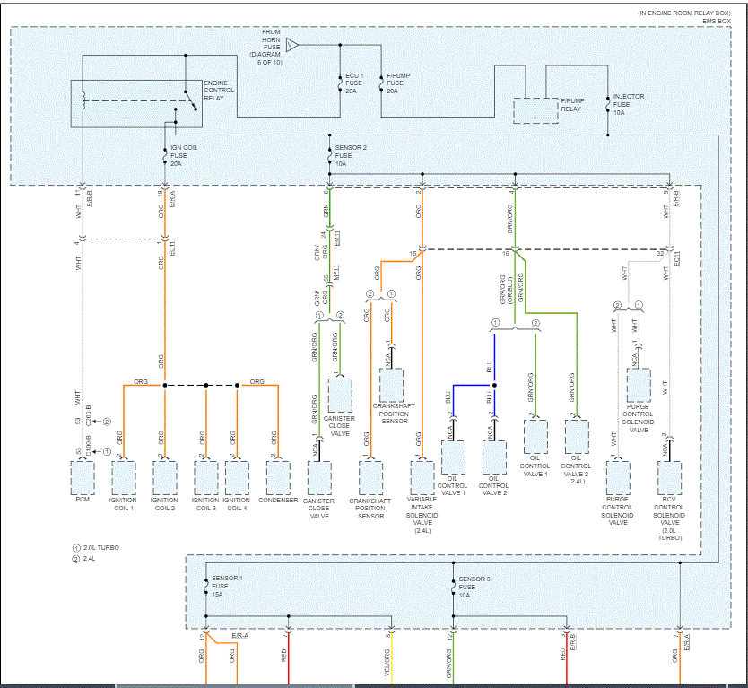
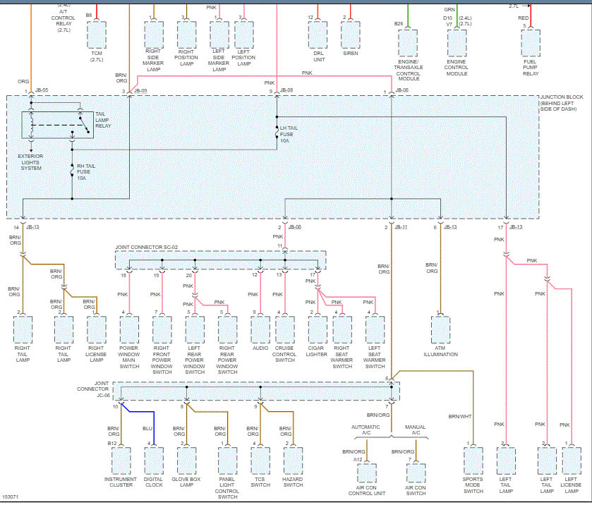
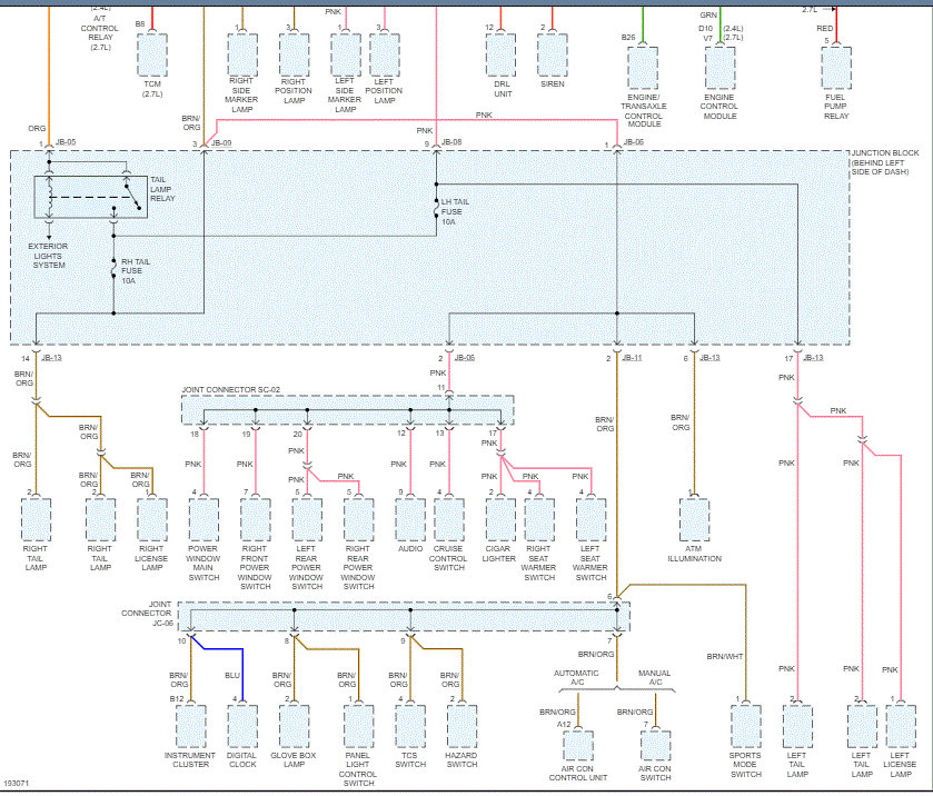
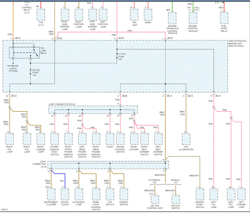
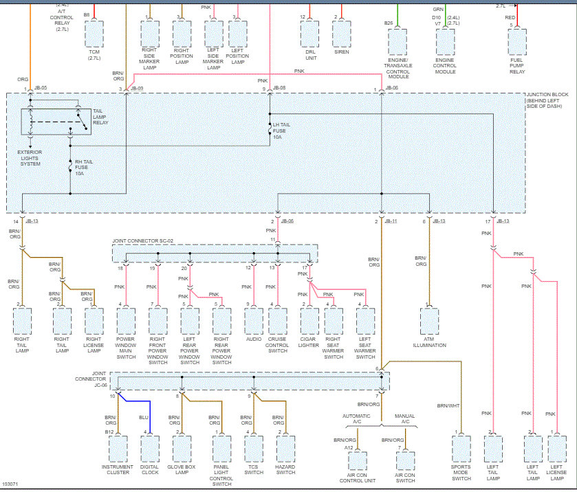
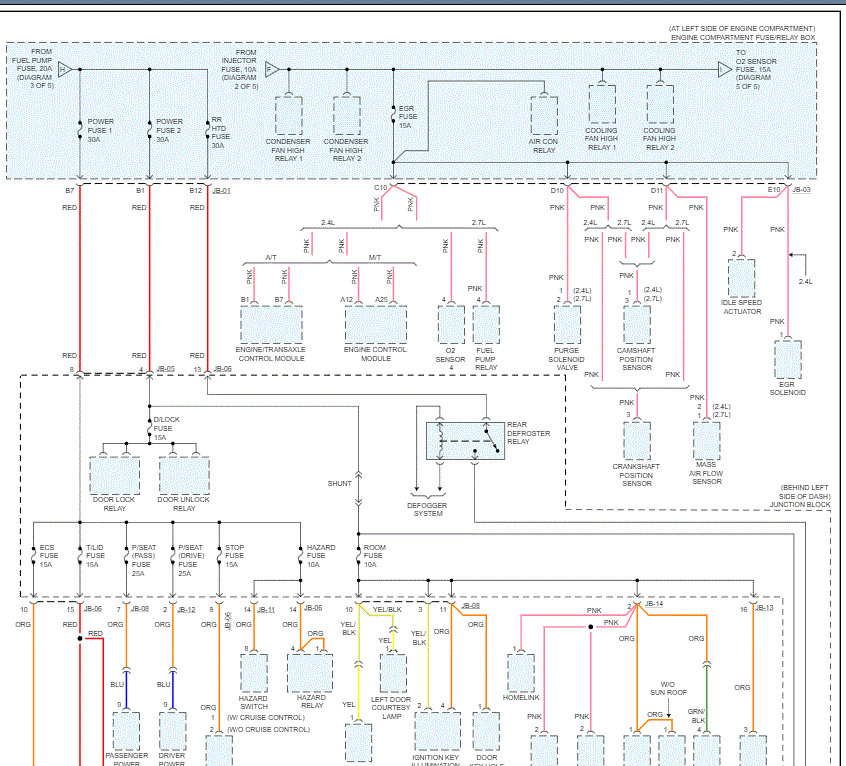
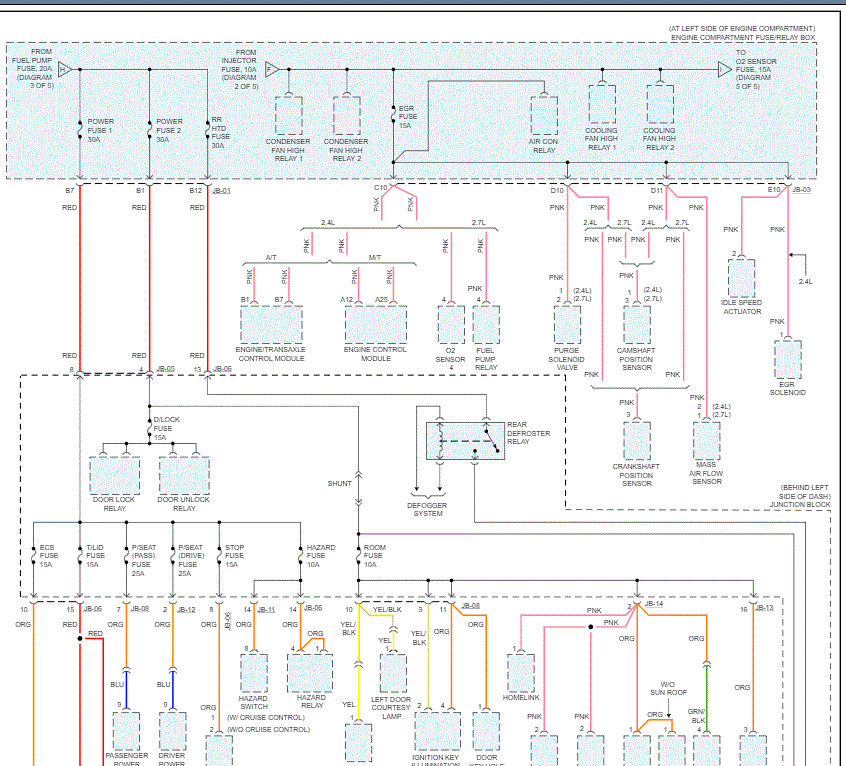
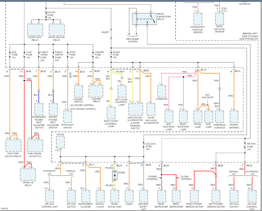
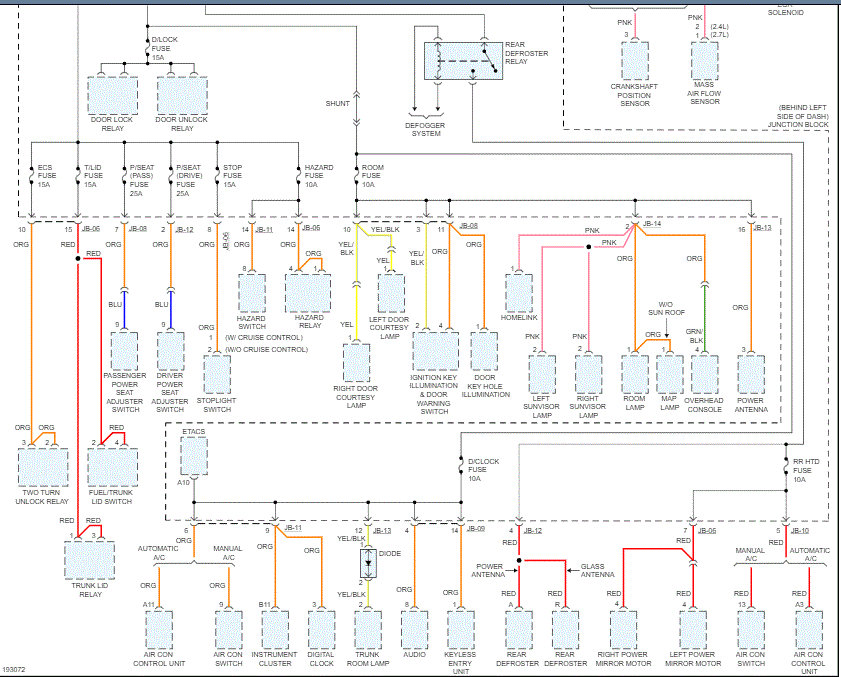
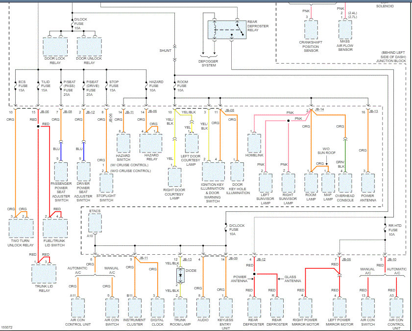
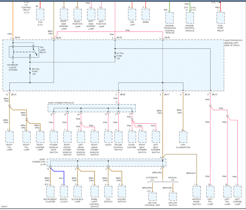
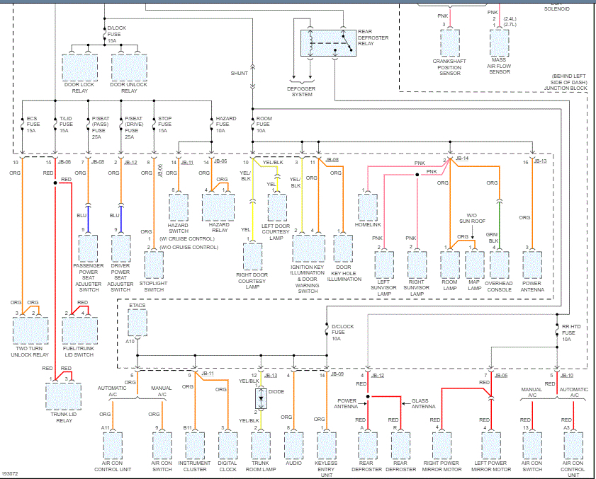
Hello, after doing a test with light and pulling fuses I am showing I have a couple short I believe these are connected to issues I am having with door locks going off randomly for one to start with and I suspect there is more. Thanks































