Driver side head and taillights not working

Tiny
BRENDEN GREENE
  • MEMBER
  • 2004 DODGE TRUCK
  • 5.7L
  • V8
  • 4WD
  • AUTOMATIC
  • 100,000 MILES
I have checked the fuse and they seem to be fine. My passenger side seems to be working fine just driver. I need help finding out the issue. Any advice?
Tuesday, May 5th, 2020 AT 10:52 AM

1 Reply

Tiny
JACOBANDNICKOLAS
  • MECHANIC
  • 110,194 POSTS
Hi,

The first thing I need to confirm is the fuses are all good. I attached a pic below that shows the fuses I need you to check for me. In addition to just checking them, make sure there is power in and out of the fuse.

If the fuses are good, I want you to disconnect the left front headlamp connector and check for power to the two wires indicated in pic 2. I indicated which should have power based on low or high beam (L / H). If there is 12v, check for continuity to ground in the black / dark blue wire. I have an arrow pointing it to ground (GR).

If we have ground and we have power to the light, there is one final test I need done. Using a multi meter or volt meter, reconnect the light and watch if there is a voltage drop when the lights are turned on. Basically, with the light disconnected and the light on, you show 12v. When you connect the bulb and check, is there a voltage drop?

If there is a drop, chances are the problem is related to the totally integrated power module (TIPM). What is common on these vehicles is this. There are many tiny pins which connect in multiple connectors. They are known to corrode and break. The result is a voltage drop when power is requested or no power at all to the affected component.

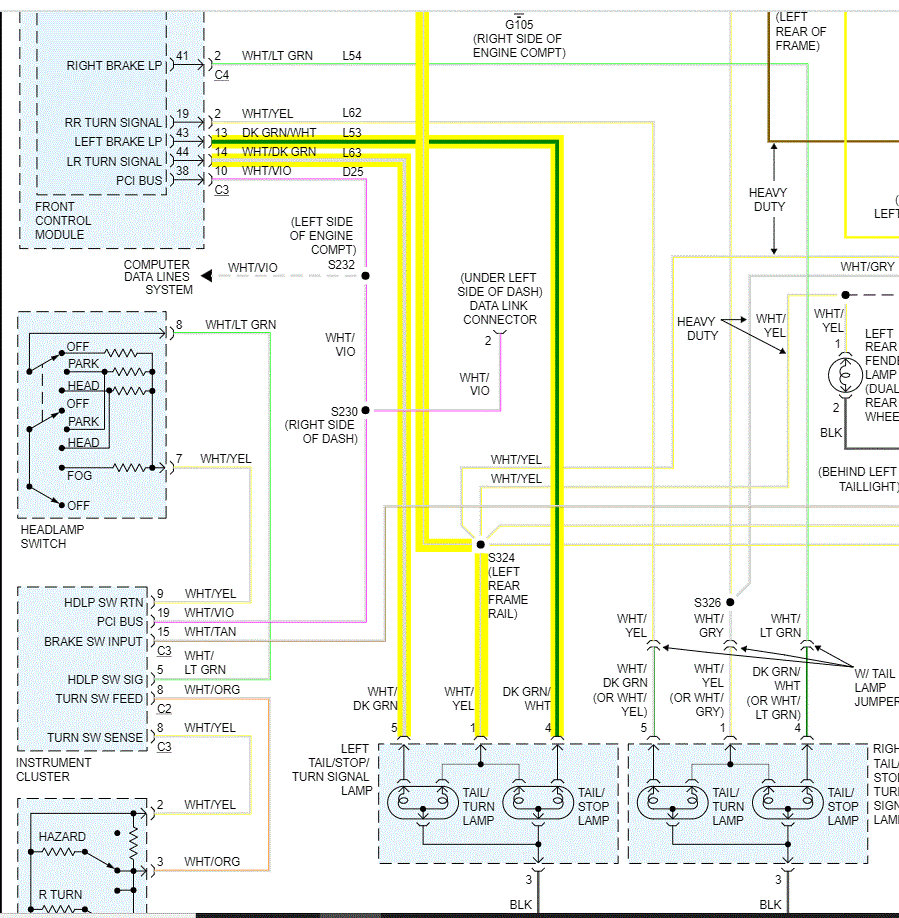
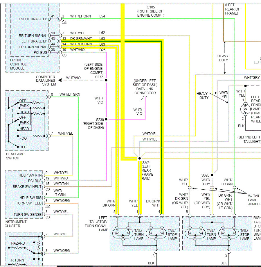
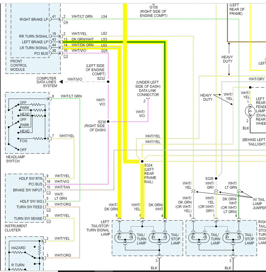
If that is the case, we need to study the wiring schematics and determine which connector needs checked. If you look at pics 3 and 4, it shows the wiring for the tail lights, brake lights, and signals. Note that it is all part of the TIPM.

Let me know what you find.

Joe
Was this
answer
helpful?
Yes
No
Tuesday, May 5th, 2020 AT 8:54 PM

Please login or register to post a reply.