Friday, December 13th, 2019 AT 1:22 AM
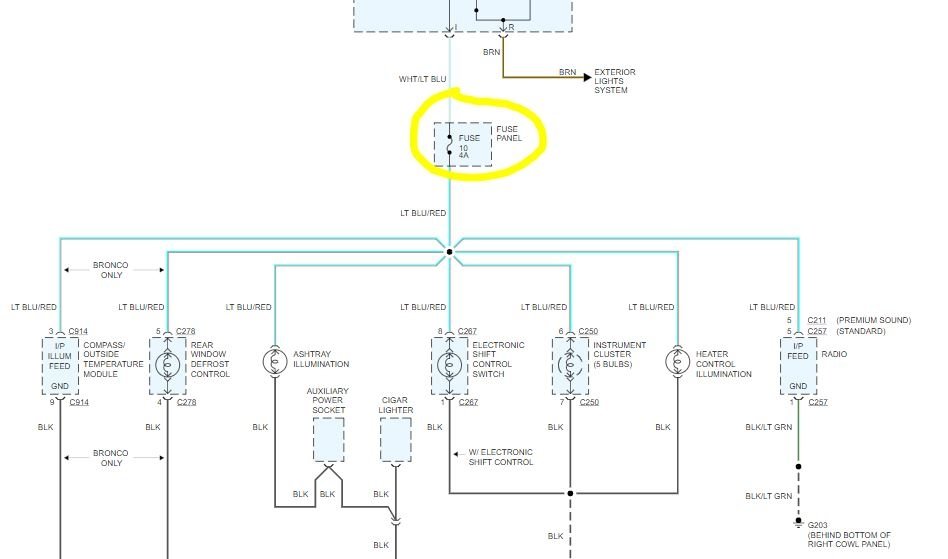
Went to work on the vehicle someone mismatched fuses in the fuse box under dash and hood and both batteries tested 8.4. I did the fist the fuse problem replaced the batteries the vehicle runs good except for no dash lights, turn signals, and no emergency lights. I troubleshooted the light switch it is fine. Where do I start to test blinkers? The blinker relay is new. What could cause these problems and where specifically do I look? F-series Power-stroke 7.3.





