Electrical Connector for A/C?

Tiny
MICHAEL NEEDS HELP
  • MEMBER
  • 1991 CHEVROLET SILVERADO
  • 4.3L
  • 6 CYL
  • 2WD
  • AUTOMATIC
  • 180,000 MILES
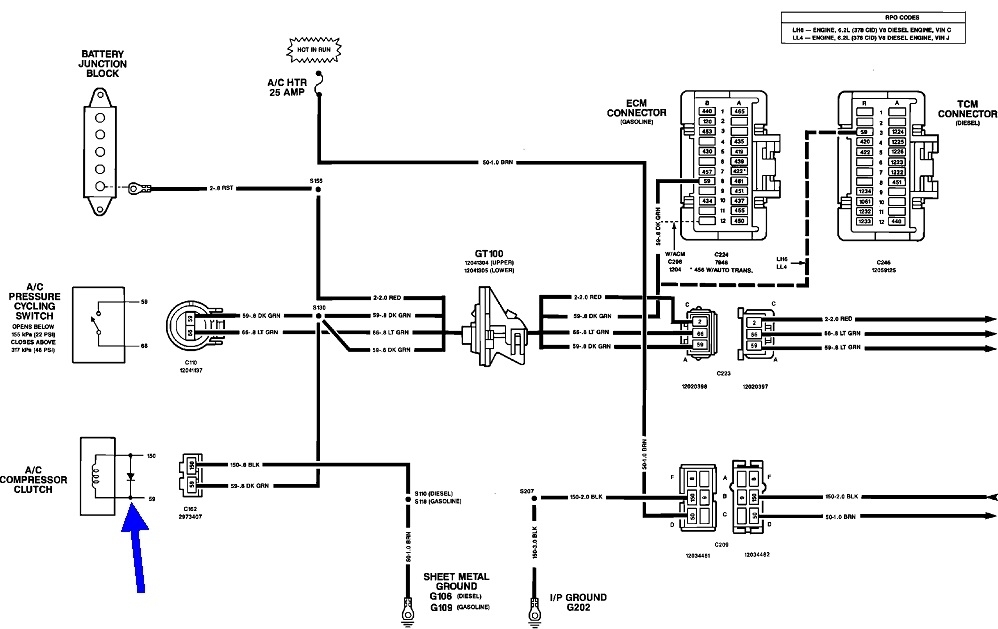
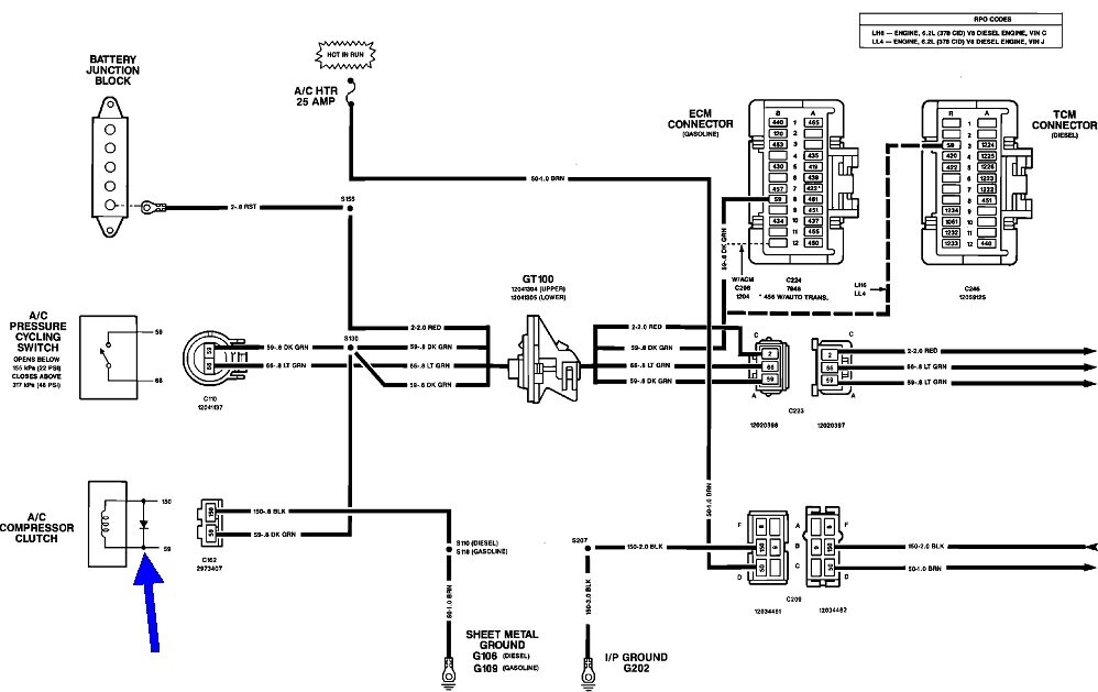
I would like to know what kind of connector this is so I can replace it and also can I eliminate this kind of connector and just run the two wires to the compressor clutch? If you see it's I've cut it and then I realize it has some kind of something running between the two wires that has a fuse of some kind of something. I've been close to picture because I know I'm not describing it very well does it have to be that kind of connector.
Monday, October 2nd, 2023 AT 7:43 PM

3 Replies

Tiny
CARADIODOC
  • MECHANIC
  • 34,489 POSTS
The better approach is to harvest a connector with a few inches of wire from a salvage yard. It's hard to tell without my nose right up by it, but the part you asked about is a "diode". That's a one-way valve for electrical current flow. If you connect the wires to the replacement connector the same way, that diode is in the circuit backward, which is what we want. If you switch the wires, the clutch would still work, except now the diode will appear as a dead short and cause the compressor fuse to blow.

All coils of wire develop a magnetic field around them when current flows through them. When that current is suddenly turned off, the movement of the collapsing magnetic field "induces" a voltage. That is how an ignition coil works, and we want it to do that. In this case, the electromagnetic clutch coil does the same thing when it cycles off, but here, we call it a "voltage spike", and it is undesirable. When that spike occurs, the diode appears in the circuit as "forward-biased", meaning it momentarily acts like a piece of wire to short out that harmful spike.

If you don't have that diode in there, the compressor could work normally for hours to weeks, but at some point something is going to be damaged. The clutch coil and relays are rather forgiving, but if that spike was to get back to a computer terminal, it can be as high as 300 volts, so you know damage will be done.

Most relays, other than GM's, also have very small diodes built in for the same purpose. They're more important in that application because most relay coils are powered or grounded through a computer circuit. The spike generated there can also be very high, as in roughly 50 - 100 volts. Computers don't tolerate that.
Was this
answer
helpful?
Yes
No
Monday, October 2nd, 2023 AT 8:14 PM
Tiny
MICHAEL NEEDS HELP
  • MEMBER
  • 23 POSTS
So, this diode is original factory installed equipment. AutoZone or somebody else doesn't carry the whole thing. I'm afraid the salvage yard is out of possible solutions due to distance. There's nothing that would work as a substitute. What would happen if I Left it unhooked and didn't run the air?
Was this
answer
helpful?
Yes
No
Tuesday, October 3rd, 2023 AT 10:44 PM
Tiny
CARADIODOC
  • MECHANIC
  • 34,489 POSTS
Leaving the compressor unplugged is no different than not turning the AC on.

You can also just install a pair if universal, crimp-style terminals on the two wires to replace the original connector. For the diode, we used to buy these 500 at a time to repair lightning-damaged tvs. They cost as little as 15 cents each. There's two ratings when selecting a diode. The first is its current rating. That's how much current it can pass without overheating and shorting. This isn't a big concern in this application because the current in question is the result of the voltage developed by that voltage spike, and that is going to be gone way too quickly to have a chance to develop much current.

The other rating is the voltage. This also is less important in this application. It refers to how much reverse voltage it can withstand before arcing internally and shorting. When the compressor is powered on, the diode here is backward. It has to withstand roughly 14 volts. When we select diodes for their voltage, we're looking at hundreds of volts. Practically any diode you can find will work fine. The 300 volts I mentioned earlier is what could be developed by the voltage spike when there is no diode in the circuit. The object is to short out that spike to 0 volts. That's what the diode does.

There's other diodes all over the vehicle for this purpose. Some are built right into the relays. Yours can be soldered between the two compressor wires. It could be added inside the fuse box if you cared to go through that much work. If you know of anyone who has scrapped out a tv in the past, there's two or four diodes in the power supply, usually near the power cord, that will handle the job. Those 15-cent replacements we bought were rated at 2.5 amps and 1500 volts. That's much higher than what most original diodes are rated for. By the way, for this type of circuit, you need a diode with the ratings specified, as a minimum, but any with higher ratings is just better.

All diodes have some marking to differentiate the "cathode" from the "anode". With a more positive voltage on the anode, the diode will be "forward-biased", meaning current will flow through it. If you put the higher positive voltage on the cathode, as it is in your circuit, it acts like it isn't even there. No current flows through it.

The cathode will have typically a white band around that end. This is the diagram that shows your diode in the circuit. It's right above my blue arrow. It's the horizontal line at the bottom of the triangle. That end gets connected to the dark green wire. The anode gets connected to the black wire.
Was this
answer
helpful?
Yes
No
Wednesday, October 4th, 2023 AT 7:53 PM

Please login or register to post a reply.