Electrical

Tiny
KELSEY CLARK
  • MEMBER
  • 2002 FORD TAURUS
  • 3.0L
  • 6 CYL
  • 2WD
  • AUTOMATIC
  • 112,000 MILES
Low voltage from the start wire coming out of ignition switch what could cause this? It is a brand new ignition switch also.
Wednesday, March 21st, 2018 AT 5:41 PM

6 Replies

Tiny
CARADIODOC
  • MECHANIC
  • 34,463 POSTS
I need a lot more detail. Which wire are you measuring on and how much voltage do you find? Are you measuring at the ignition switch or at the starter solenoid? What was wrong with the old ignition switch? Did you find any black terminals or was part of the connector melted?
Was this
answer
helpful?
Yes
No
Wednesday, March 21st, 2018 AT 6:07 PM
Tiny
KELSEY CLARK
  • MEMBER
  • 10 POSTS
It is the red/light blue wire coming off the ignition switch it is the start wire on the switch it measures 1.3 volts. I replaced the upper ignition actuator the pin broke and after I put it all back I had a no crank no start. I then thought it was the ignition switch so I replaced it. It did not solve the issue so I started testing the wiring for the starting circuit. I can start the car by jumping the start relay and it runs great. No evidence of burnt wires or connectors.
Was this
answer
helpful?
Yes
No
Wednesday, March 21st, 2018 AT 8:44 PM
Tiny
CARADIODOC
  • MECHANIC
  • 34,463 POSTS
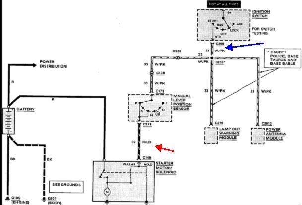
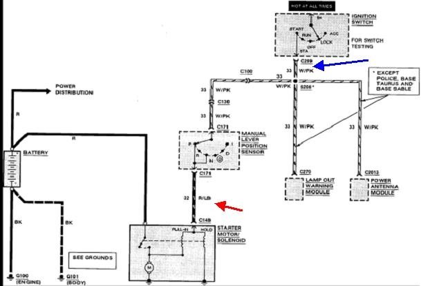
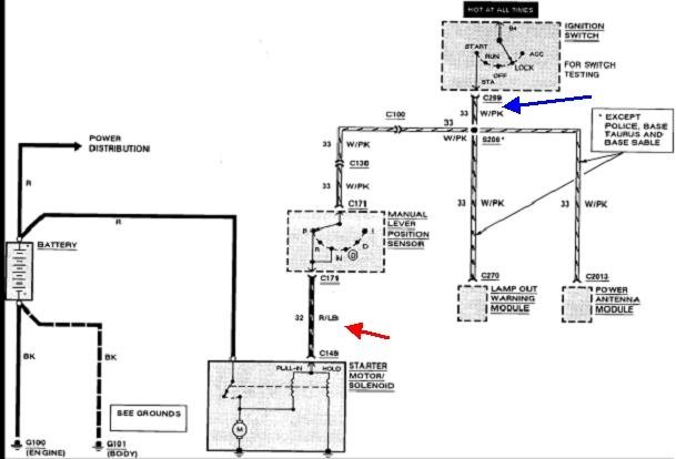
The red/light blue wire does not come off the ignition switch. If you are at that switch, you need to be measuring on the white/pink wire, (blue arrow in this diagram). If you have full battery voltage there in the "crank" position, but only 1.3 volts at the starter solenoid, (red arrow), the neutral safety switch is suspect. This is one of the very few domestic models that does not use a starter relay. The engineers thought the tiny ignition switch contacts and even tinier neutral safety switch contacts could handle the 15 - 20 amps a starter solenoid draws. Failures of both are to be expected and are common.
Was this
answer
helpful?
Yes
No
+1
Thursday, March 22nd, 2018 AT 4:56 PM
Tiny
KELSEY CLARK
  • MEMBER
  • 10 POSTS
I will try that and let you know. Thank you for your help.
Was this
answer
helpful?
Yes
No
Thursday, March 22nd, 2018 AT 9:42 PM
Tiny
KELSEY CLARK
  • MEMBER
  • 10 POSTS
I replaced the neutral safety switch and didn’t solve my problem
Was this
answer
helpful?
Yes
No
Saturday, March 24th, 2018 AT 10:31 AM
Tiny
CARADIODOC
  • MECHANIC
  • 34,463 POSTS
What voltages did you find and exactly where did you take them?
Was this
answer
helpful?
Yes
No
Saturday, March 24th, 2018 AT 12:34 PM

Please login or register to post a reply.