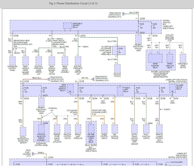
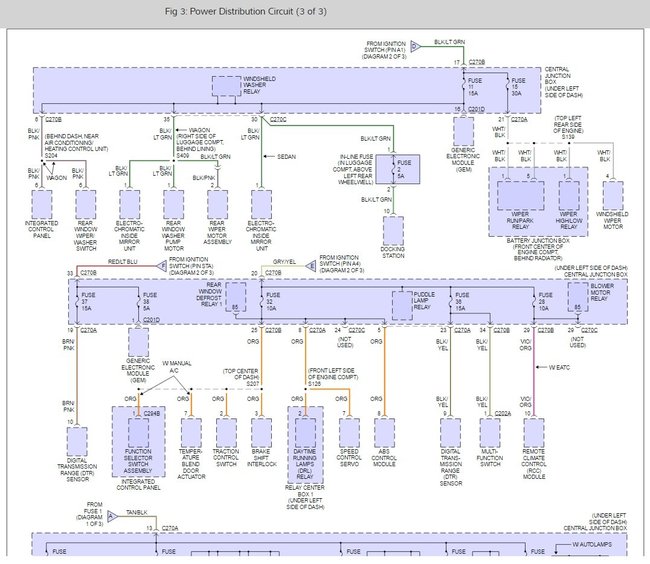
Wednesday, January 11th, 2017 AT 7:25 AM
I am getting a short to positive (not to ground) and cannot seem to find the problem. PCM, engine harness and harness that connects to central fuse box are 100% good, but like I said a have a short to power on fuse number thirty seven and thirty and thirty eight. Any help would be very appreciated.

