Monday, June 6th, 2022 AT 6:50 PM
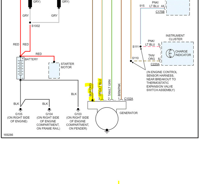
Fixed the fuel pump relay with another douse box the alternator went out and had it replaced. Now it's saying check charging system and my rebuilt alternator isn't charging my battery and yet draining it. I've replaced fuses, relays only thing left I can think of to get the alternator to work, and the light on dash to stop. Is the box where the car battery is that wire or wondering if I have to reset my new fuse box an original computer system. Please help.




