Wednesday, October 16th, 2024 AT 2:13 PM
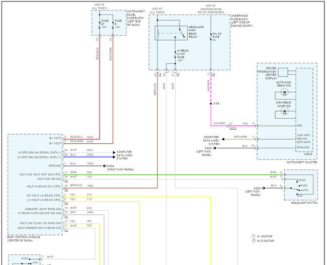
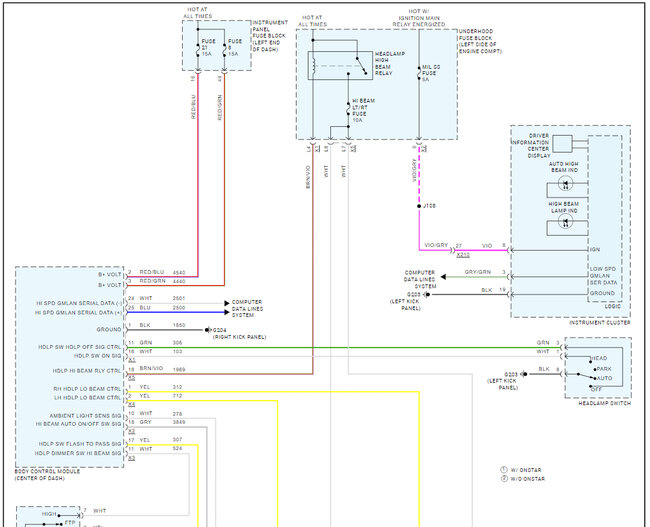
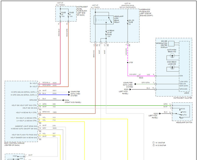
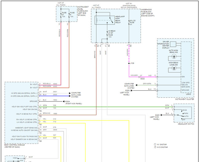
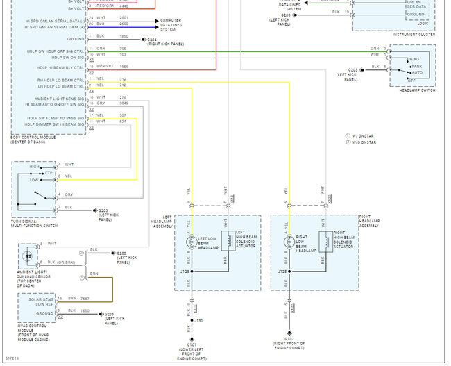
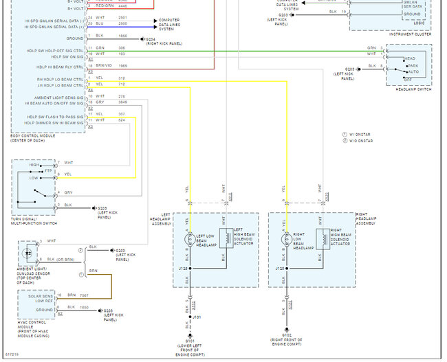
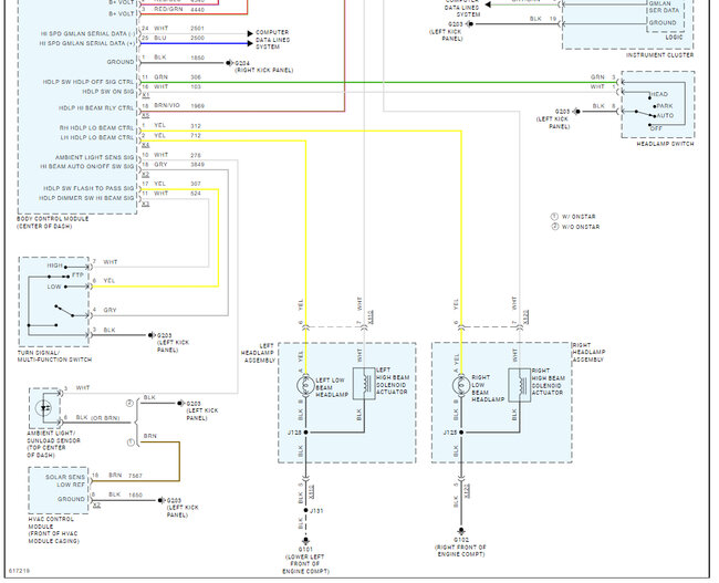
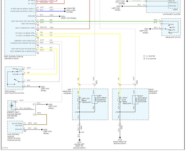
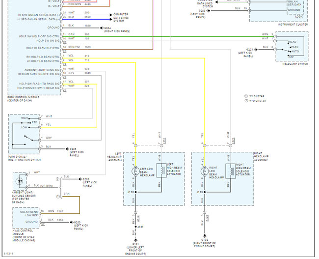
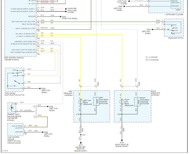
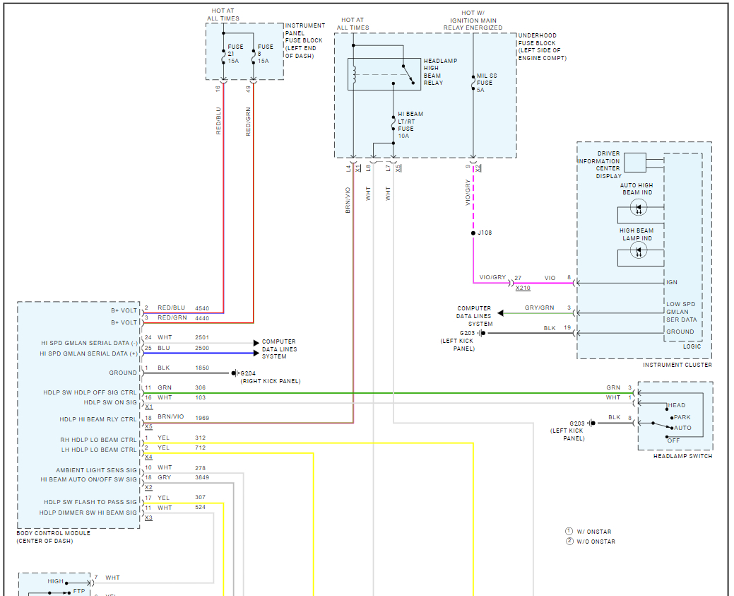
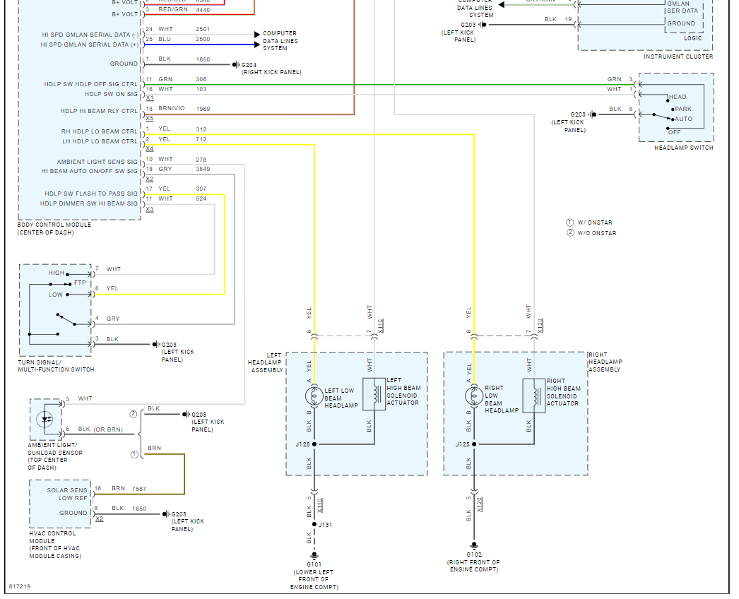
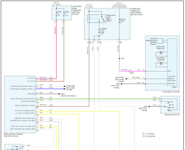
I changed the bulb and checked the fuses. Have power at bulb socket. Think I might have a bad ground? Was wondering if I could get a wiring diagram? Thanks



