Electric Condenser fan will not turn on when Air Conditioner is turned on?

Tiny
JERRY WILLIAMS2
  • MEMBER
  • 2012 RAM 1500
  • 4.7L
  • V8
  • 4WD
  • AUTOMATIC
  • 114,000 MILES
Fuses are all good. I pulled the connectors on the TIPM and saw no corrosion.
If I bypass the high-speed relay which is on the horn bracket, the fan works.
Monday, July 10th, 2023 AT 8:01 AM

1 Reply

Tiny
KEN L
  • MASTER CERTIFIED MECHANIC
  • 55,488 POSTS
So, the condenser fan is run by the TIPM which goes out all the time in these trucks, but to be sure we should do a CAN scan, you can get a CAN scanner (Controller Area Network) which will work on most cars from Amazon.

Here is a video to show you how:

https://youtu.be/u-4syLc-ifQ

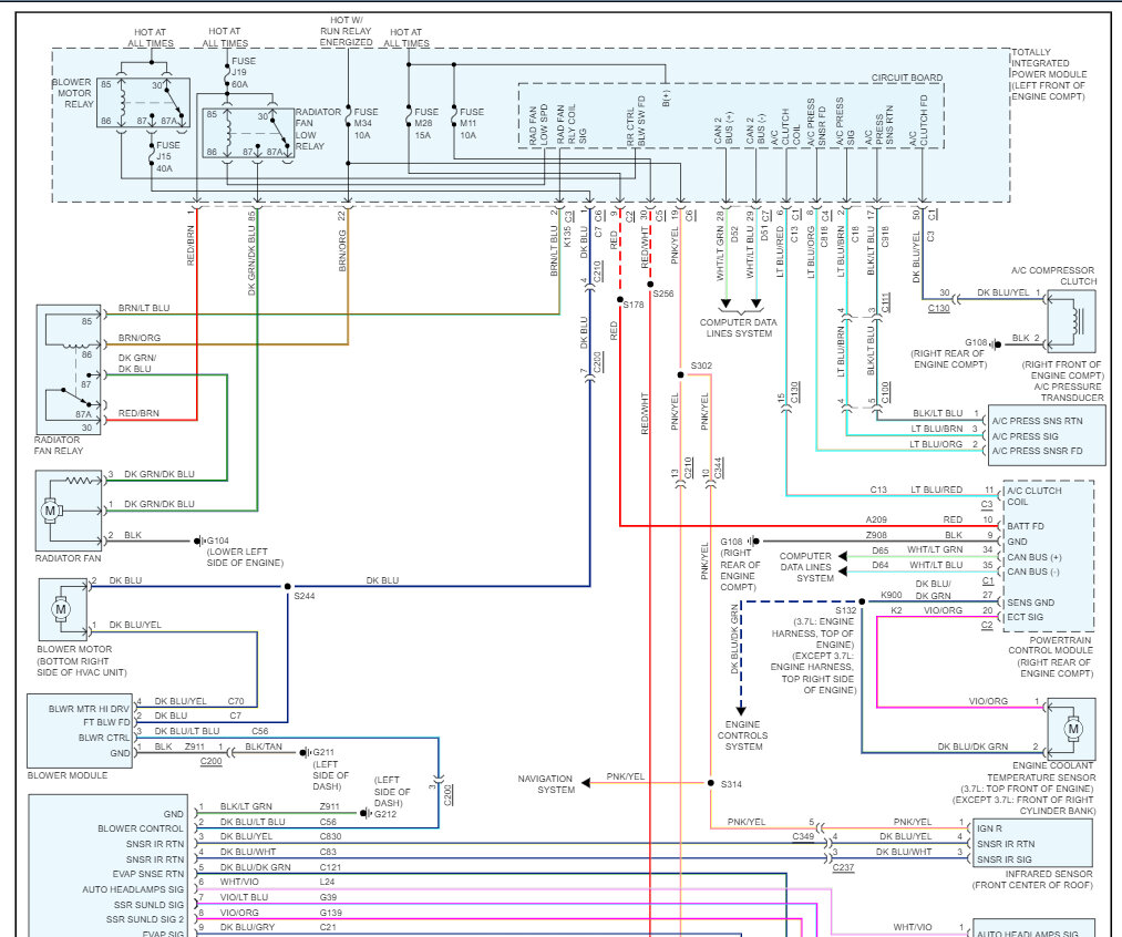
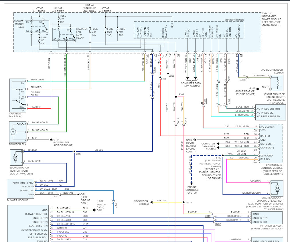
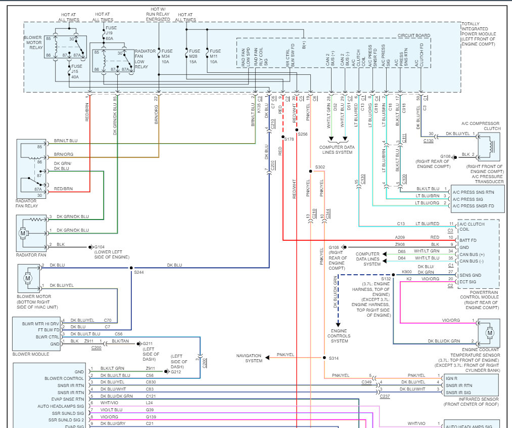
Here are the fan wiring diagrams so you can see how the system works and I have included how to change out the TIPM which is easy because it-self learns. Check out the images (below). Please let us know what happens.
Was this
answer
helpful?
Yes
No
Monday, July 10th, 2023 AT 1:06 PM

Please login or register to post a reply.

Related Air Conditioner Condenser Fan Content

AC Condenser Fan Replacement
VIDEO