HOME
ASK A QUESTION
REPAIR GUIDES
BECOME A MEMBER
LOG IN
Login with Facebook
OR
Remember me
NOT A MEMBER?
FORGOT PASSWORD?
CONTACT US
PRIVACY POLICY
TERMS AND CONDITIONS
☰
Home
Chrysler
Van
Engine Cooling
Radiator
Replace/Remove
No power after changing the radiator
DONALD MAJOR
MEMBER
2001 CHRYSLER VAN
2.4L
4 CYL
FWD
AUTOMATIC
189,000 MILES
I changed radiator in it and now I am not getting power to anything but the battery power point.
Sunday, November 13th, 2016 AT 6:39 AM
1 Reply
HMAC300
MECHANIC
48,601 POSTS
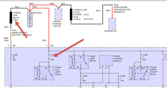
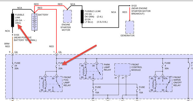
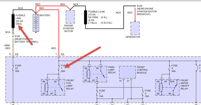
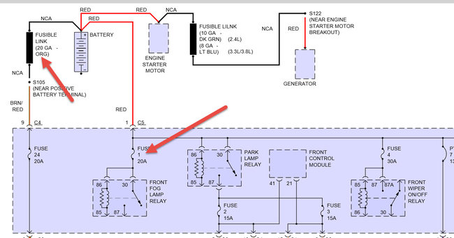
Check fusible link in picture and all fuses in PDC under hood.
Image (Click to make bigger)
Was this
answer
helpful?
Yes
No
Sunday, November 13th, 2016 AT 8:20 AM
Please
login
or
register
to post a reply.
Related Radiator Replace/Remove Content
Chrysler T&c Minivan 2001
This Sounds Really Dumb But I Have Looked All Over And Can't Find A Drain Cap? Where Is The Radiator Release Cap To Change Anti-freeze? :...
Asked by
Joekat
·
2 ANSWERS
2001
CHRYSLER VAN
VIDEO
Radiator Replacement Kia Sportage
Instructional repair video
GUIDE
Radiator Replacement
A radiator removes heat from the engine through thermal heat exchange using coolant as a conductor and is usually located in the front of the vehicle under the hood. A ...
Radiator Leak
I Have A 2001 Chrystler T&c Van 167,000 Miles 3.0l . My Wife Noticed Last Night That There Was Water Coming From Under The Hood And That...
Asked by
DONOSB
·
2 ANSWERS
CHRYSLER VAN
Exhaust
Re My 86/ Turbo Lebaron Blowing Steam And Loosing Coolant. Read Your Advice Re. Loosing Coolant And Replacing Head Gasket. I Had Hoped...
Asked by
omnibol
·
2 ANSWERS
CHRYSLER VAN
Ask a Car Question. It's Free!
Radiator Hoses and Thermostat Replacement
Upper and Lower Radiator Hose Replacement
Radiator Replacement Kia Sportage