Sunday, December 11th, 2016 AT 3:13 AM
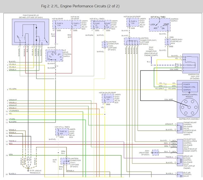
I recently replaced my car EGR valve. In the process of connecting the three pin wire EGR valve, I removed the three wires from the connector and cannot recall which one is in middle of the connectors, left or right. The color of the wires are white/black stripe, green/blue stripe and yellow/green stripe.



