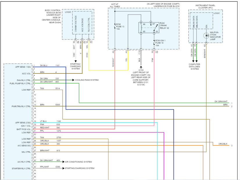
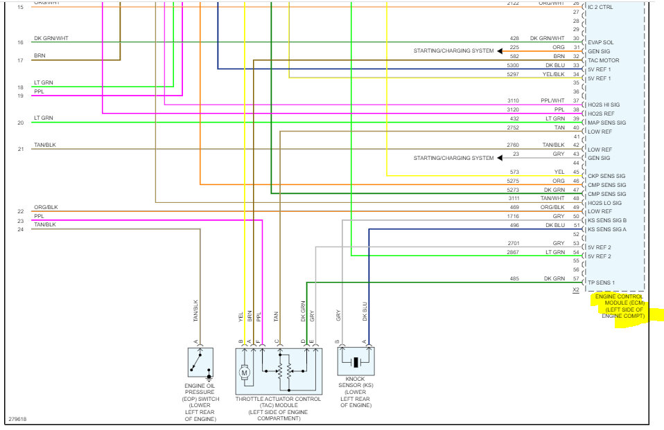
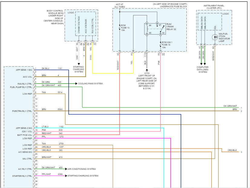
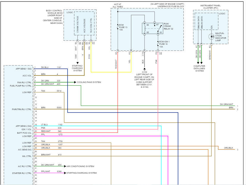
I need to find out what the ECM terminal pins are called where I can buy them. I have 2 burned out, we have new ECM and connector all pins connected except two that are burned but don't know exactly which ones to get and where to get them.
Jun 16, 2023 at 8:49 PM
















