Thursday, August 3rd, 2023 AT 3:10 AM
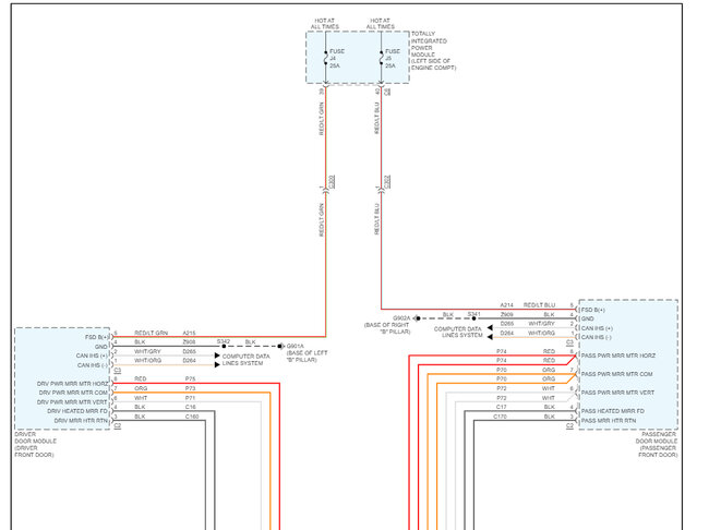
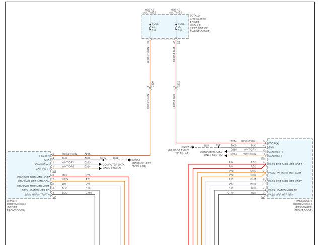
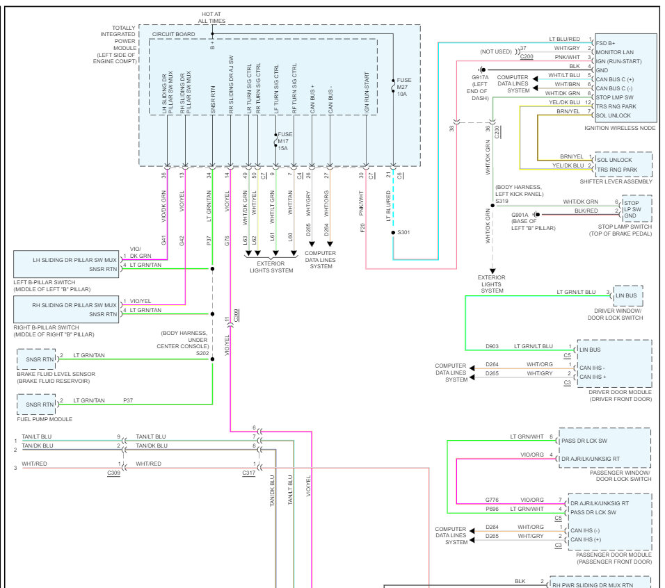
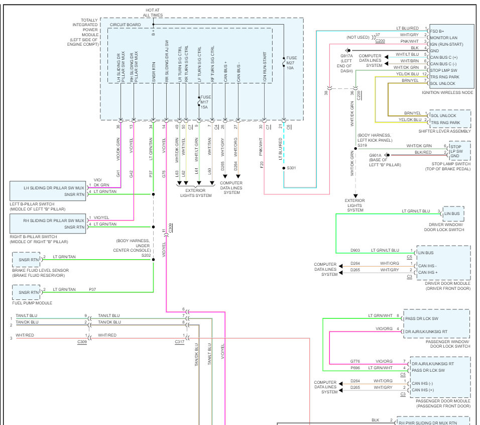
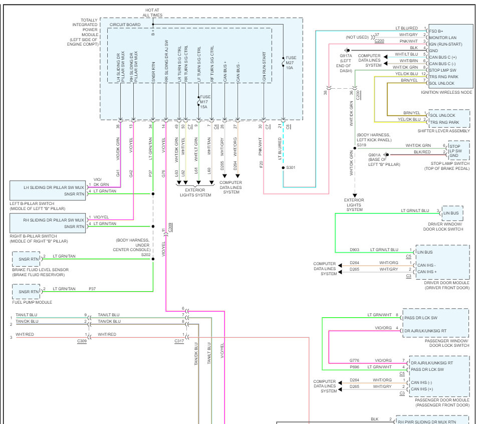
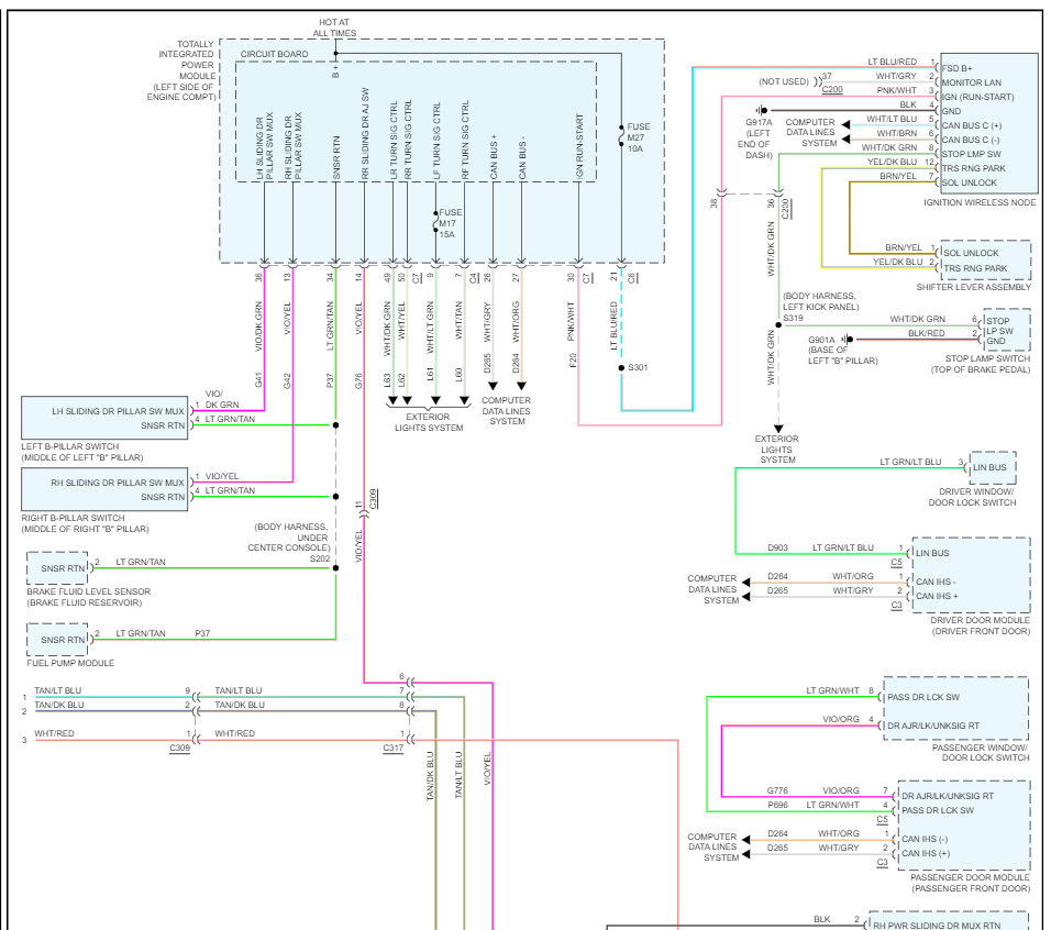
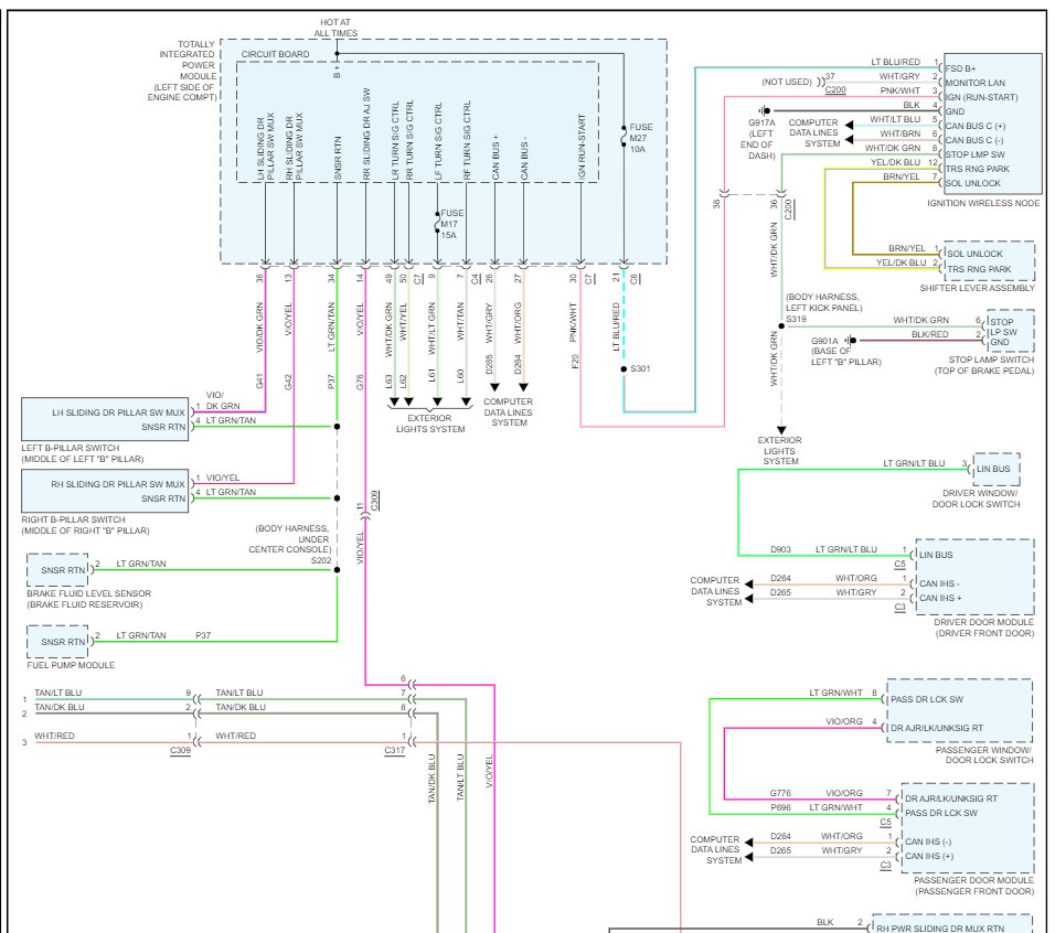
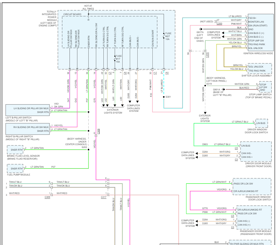
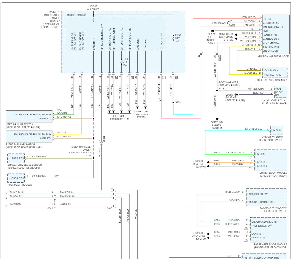
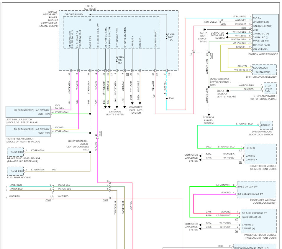
My problem is my husband tried fixing the car window because the regulator broke but in the process, he took every wire there was and disconnected it. The door is put together up to the latch working but I’m looking at the instructions it says to connect a wire inside behind where the latch is, but I cannot tell we’re the wire connects. It has a white connector on the end and seems to go through the round opening, but I can’t figure out where it’s being connected to. This is the fourth time this door has been apart. This time I took over and looked for instructions so any help would be greatly appreciated. Thank you I’m advance for your time.








