HOME
ASK A QUESTION
REPAIR GUIDES
BECOME A MEMBER
LOG IN
Login with Facebook
OR
Remember me
NOT A MEMBER?
FORGOT PASSWORD?
CONTACT US
PRIVACY POLICY
TERMS AND CONDITIONS
☰
Home
Chrysler
Town and Country
Body
Window
Not Working
Driver side power window and power door
KBARAJAS
MEMBER
2005 CHRYSLER TOWN AND COUNTRY
269,000 MILES
The driver side window does not work at all. Neither does the driver side sliding door. The passenger side is fine on both.
Sunday, June 24th, 2018 AT 12:28 AM
1 Reply
ASEMASTER6371
MECHANIC
52,796 POSTS
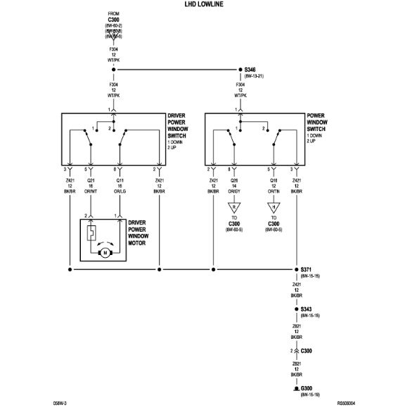
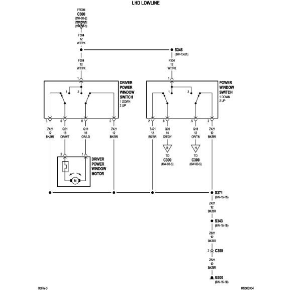
Good morning.
Do you have a voltmeter to do some checks?
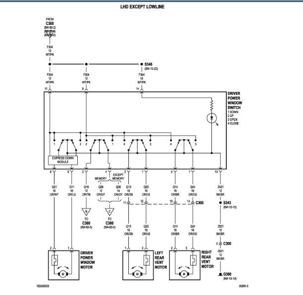
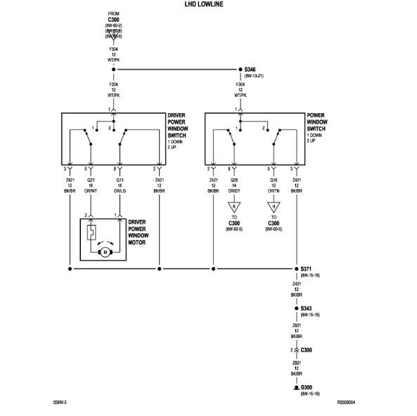
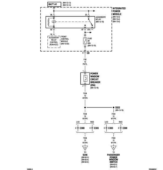
I attached a diagram for you to view and you need to check for power to the drivers window switch.
There is also the harness that goes through the door to the switch. That is common for wires breaking from flexing over the years.
Open the boot and inspect the wires.
Roy
Images (Click to make bigger)
Was this
answer
helpful?
Yes
No
Sunday, June 24th, 2018 AT 7:20 AM
Please
login
or
register
to post a reply.
Related Window Not Working Content
Driver Side Power Window
I Have A 2005 Town & Country. The Drivers Side Window Works Intermittantly. When Working, Motor Seems To Provide Plenty Of Power. Strangely...
Asked by
rakeb
·
1 ANSWER
2005
CHRYSLER TOWN AND COUNTRY
2005 Chrysler Town And Country Window (power)
Hello, Our Driver Side Front Window Will Not Roll Down. Every Once In A While If We Close The Door It Will Work For A Minute. All Of The...
Asked by
ravens1funbaby
·
1 ANSWER
2005
CHRYSLER TOWN AND COUNTRY
2005 Chrysler Town And Country Power Window
Power Window (passenger Front) Doesn't Work. How Can I Check If It Is The Switches Or The Motor? Which Fuse Would I Check? Thanks
Asked by
CM3150
·
1 ANSWER
2005
CHRYSLER TOWN AND COUNTRY
Driver Power Window Wont Go Down
The Driver Power Window Won't Go Down. Passenger Side Switch Works Fine. No Noise. I Tried To Find The Fuse For That Function. How Do You...
Asked by
DARRELL07
·
1 ANSWER
2007
CHRYSLER TOWN AND COUNTRY
Electric Windows
I Have A 2001 Chrysler T&c Limited. One Of The Electric Windows Will Not Go Up Or Down. The Other Works Fine. I Think The Fuse Covers Both...
Asked by
philr1634
·
8 ANSWERS
2001
CHRYSLER TOWN AND COUNTRY
VIEW MORE
Ask a Car Question. It's Free!
Window Switch Replacement and Test
Door Panel Removal
Door Lock Replacement