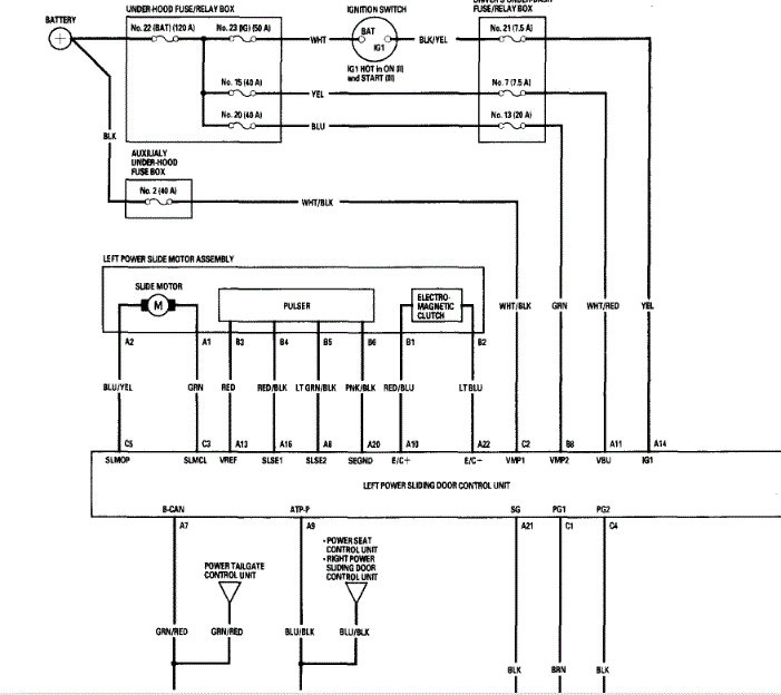
Friday, January 1st, 2016 AT 10:56 AM
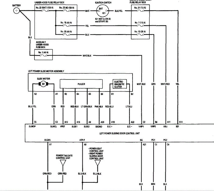
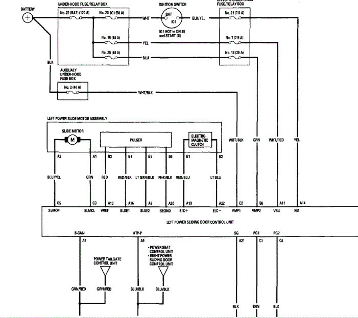
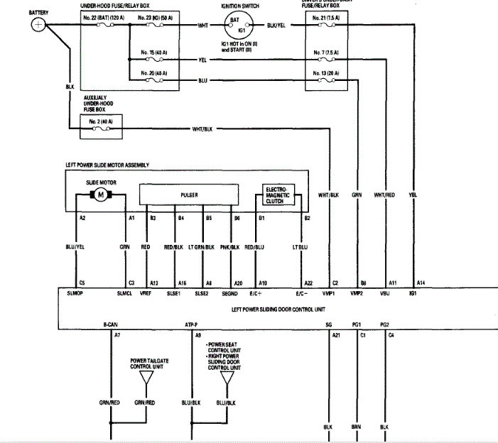
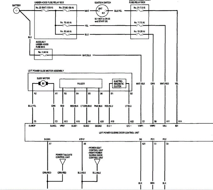
Ok I got the lock to unlatch tried so fuse tricks but pulled the #7 fuse (back up) from under dash and after putting it back in the electronic stopped working. The other passenger slider still has power to it but driver side don't. Did I mess something up pulling the #7 back up fuse and how can I get power back to slider door?



