Driver door ajar issue

2013 FORD EDGE
76,000 MILES • 3.5L • 6 CYL • 2WD • AUTOMATIC
Avatar
KEENE1234
  • MEMBER
  • 3 POSTS
The driver door ajar keeps showing on the dash even after closing multiple times. I tried cutting the wire but it was the wrong one and it shut down my driver power window. I figured out the fuse and the window is working again.

I want to know which is the right wire to cut and how to go about it?

Thank you
Mar 31, 2018 at 8:19 AM
Advertisement
Repair Safety Notice: This information is for general instructional purposes only. Vehicle repair can be dangerous. Verify all information, follow manufacturer service procedures, use proper tools and safety equipment, and consult a qualified repair shop when needed.
Avatar
PATENTED_REPAIR_PRO
  • AUTOMOTIVE REPAIR CONTRIBUTOR
  • 1,853 POSTS
I do not think you could just cut the wire, you would have to ground the wire.
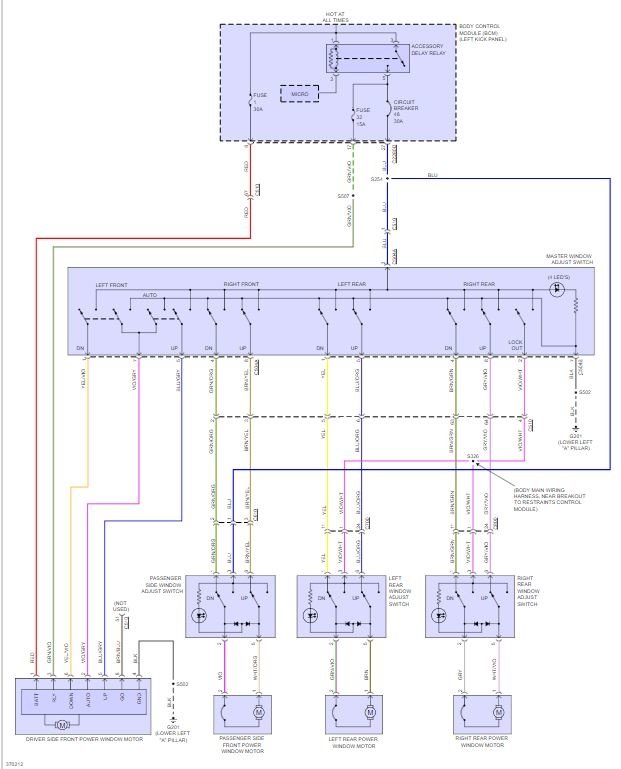
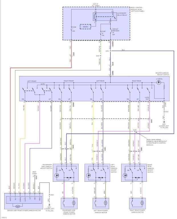
Here is the wiring diagram,
I missed the bottom ajar switch, check the second diagram.
Mar 31, 2018 at 8:43 AM
Avatar
KEENE1234
  • MEMBER
  • 3 POSTS
That was the same wire I cut green/violet and also grounded. But that made the power window stop working. I had to connect it back and change fuse #32 before it started working again.
Mar 31, 2018 at 9:12 AM
Advertisement
Avatar
PATENTED_REPAIR_PRO
  • AUTOMOTIVE REPAIR CONTRIBUTOR
  • 1,853 POSTS
It is the same color wire. Where did you cut the wire? Look for another green/violet wire.
Mar 31, 2018 at 9:46 AM
Avatar
KEENE1234
  • MEMBER
  • 3 POSTS
When I cut the wire into two. Do I ground the top or the bottom part of the wire? I am confused about which I should connect to the ground.
Apr 1, 2018 at 2:33 PM
Advertisement
Avatar
PATENTED_REPAIR_PRO
  • AUTOMOTIVE REPAIR CONTRIBUTOR
  • 1,853 POSTS
For one thing stop cutting wires. Find them C connectors for each ajar switch and just disconnect them and run a jumper to ground on all of them and do not forget the lift-gate (if equipped). For example, the C510 connector for the left front door lock actuator which actually holds the ajar switch.
Have you tried to see if there are any trouble codes stored in the BCM that might refer to which ajar switch voltage is off?

Apr 1, 2018 at 2:40 PM