Gear shifter is stuck in second gear

2008 ACURA TSX
2,300,000 MILES • 2.4L • 4 CYL • 2WD • MANUAL
Avatar
COLT N BRANDY
  • MEMBER
  • 1 POST
My stick shift is stuck in second gear when you drive, but the shifter moves back and forth still like its broke.
Dec 29, 2021 at 8:13 PM
Advertisement
Repair Safety Notice: This information is for general instructional purposes only. Vehicle repair can be dangerous. Verify all information, follow manufacturer service procedures, use proper tools and safety equipment, and consult a qualified repair shop when needed.
Avatar
JACOBANDNICKOLAS
  • AUTOMOTIVE REPAIR CONTRIBUTOR
  • 110,190 POSTS
Hi,

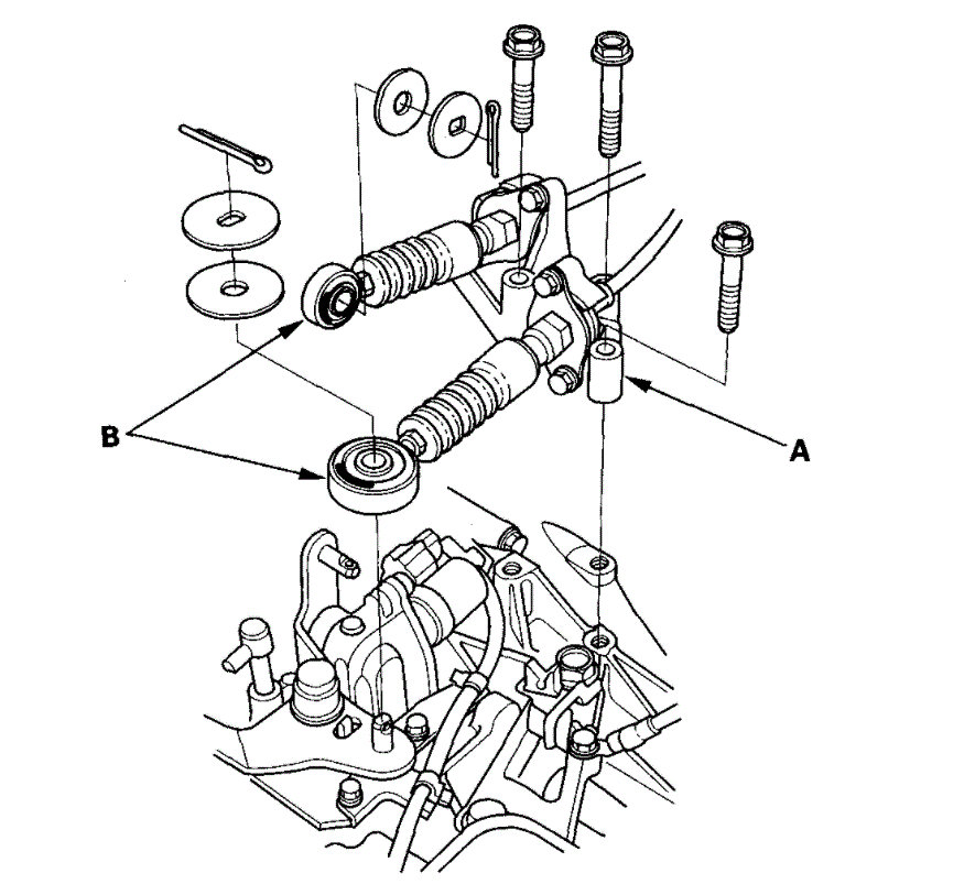
It sounds like one of the shift cables came disconnected or has broken. Do me a favor. Have a helper shift through the gears while you watch at the transmission to see if the cables are moving the shift levers. Note: There is a mount that holds the cables in place at the transmission and clips at the shifter itself.

See pics 1 and 2 to help identify parts.

Let me know what you find or if you have other questions.

Take care,

Joe

See pics below.
Dec 30, 2021 at 6:14 PM