Thursday, December 14th, 2017 AT 6:09 PM
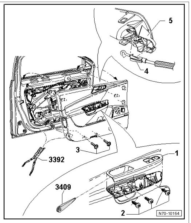
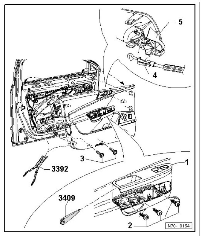
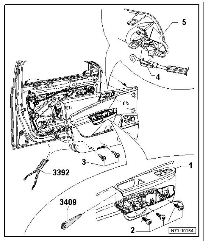
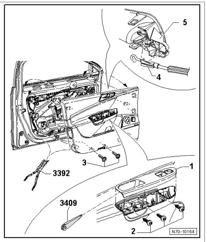
Driver's door latch has just been replaced, but door still will not close when it is really cold. When it has half way warmed up it will close but it will not open from the outside. When it has completely warmed up it will open and close. Car was in an accident and exterior of the door was from another car. I have had this problem ever since. I had read something about a cable on the inside of the door being short when it is cold. Is this possible?







