Sunday, August 2nd, 2009 AT 8:58 PM
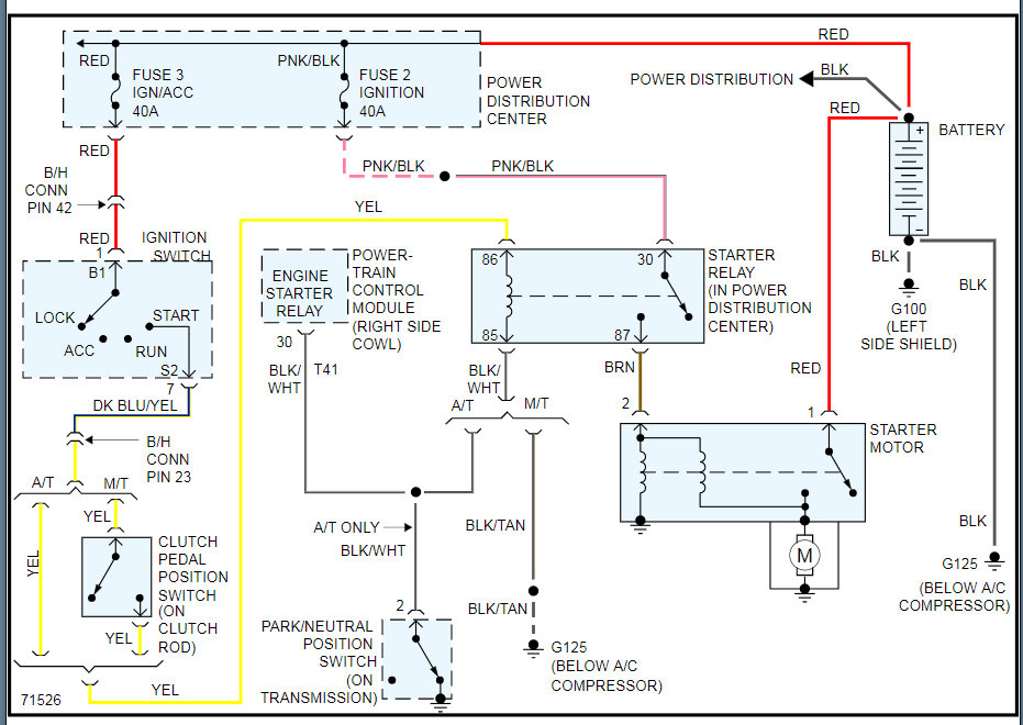
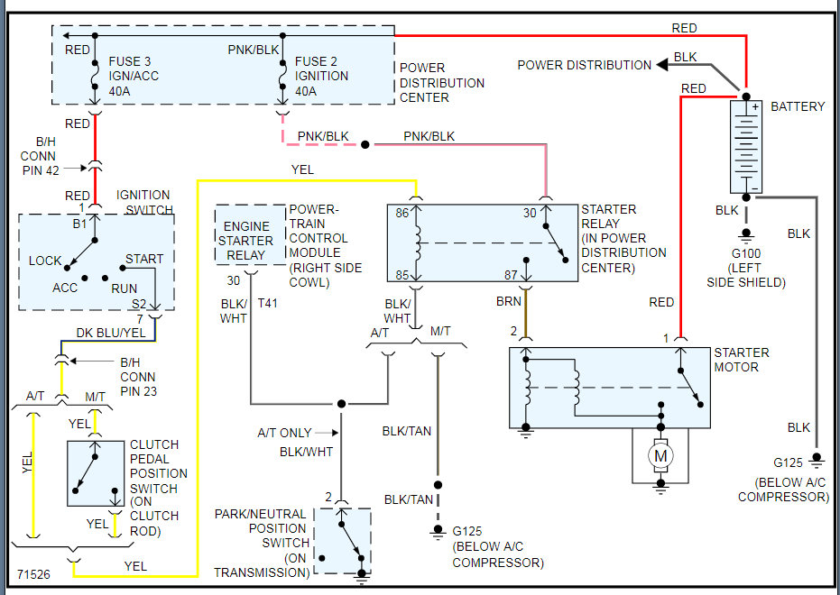
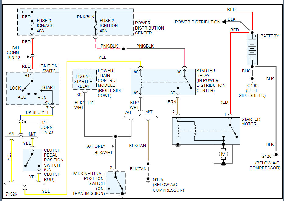
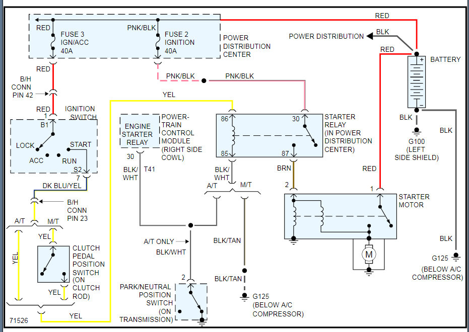
My truck appearently is too old to have codes to say whats wrong. The mechanic has been stumped for a while too. I went into a ditch the other day while driving my Dodge Ram 1500 pickup. Ever scince then it has not turned over when the key ignition is turned. It had to happen due to impact. There is no clicking, no cranking. The radio and air, lights and windows come on. But no turning over. The battery is perfect and the starter is too says the mechanic. I cant figure out what it could be. It has never had a history of any kind of engine trouble. If anything it has always run perfect up until this point. What in the world could it be?



