HOME
ASK A QUESTION
REPAIR GUIDES
BECOME A MEMBER
LOG IN
Login with Facebook
OR
Remember me
NOT A MEMBER?
FORGOT PASSWORD?
CONTACT US
PRIVACY POLICY
TERMS AND CONDITIONS
☰
Home
Dodge
Neon
General
1999 Dodge Neon
SLAMMINSAM98
MEMBER
1999 DODGE NEON
4 CYL
FWD
MANUAL
119,000 MILES
Rear wheel on drivers side is tilted inward wondering how to align the rear without going to a shop
Saturday, March 14th, 2009 AT 3:37 PM
1 Reply
BMRFIXIT
MECHANIC
19,053 POSTS
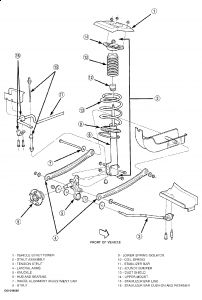
Check for any broken or bent rods or strut and mount
Was this
answer
helpful?
Yes
No
Saturday, March 14th, 2009 AT 7:23 PM
Please
login
or
register
to post a reply.
Related General Content
GUIDE
Inquire Here
Ask a Car Question. It's Free!
Ten Questions to Ask a Repair Shop
Avoiding Car Repair Fraud
Car Maintenance and Service Procedures