Hello -
I have attached the info you requested.
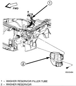
Washer Reservoir Replacement
Notes
REMOVAL
Open hood and disconnect the negative battery cable remote terminal from the remote battery post.
Remove the left headlamp assembly and set aside. Refer to Electrical, Lamps/Lighting - Exterior, Headlamp Unit (Intrepid), REMOVAL.

Remove the four retaining bolts to the washer reservoir
Disconnect the pump and sensor wire connectors.
Disconnect the washer hose.
Disconnect the washer filler hose.
Pivot the inboard side of the reservoir forward and lift out of vehicle.

If replacing the reservoir, you must transfer the pump and sensor to the new reservoir NOTE: When transferring pump and sensor, make sure to use a new grommet for proper sealing and to avoid leaks.
INSTALLATION
NOTE: When transferring pump and sensor, make sure to use a new grommet for proper sealing and to avoid leaks.
If replacing the reservoir, you must transfer the pump and sensor to the new reservoir
Place reservoir into position in engine compartment, pivot the inboard side of the reservoir rearward.
Connect the washer filler hose.
Connect the washer hose.
Connect the pump and sensor wire connectors.
Install the four retaining bolts to the washer reservoir
Install the left headlamp assembly. Refer to Electrical, Lamps/Lighting - Exterior, Headlamp Unit (Intrepid), INSTALLATION.
Connect the negative battery cable remote terminal to the remote battery post.
Sunday, January 4th, 2009 AT 12:26 AM