ALDL code connector wiring?

Tiny
HILARY FUNK
  • MEMBER
  • 1999 DODGE DURANGO
  • 6 CYL
  • 4WD
  • AUTOMATIC
  • 50,000 MILES
Whle replacing the motor the wires on the coding connector were pulled loose. New motor is in but problematic while idling. I need a diagram of the wiring for the connector so I can code for the problem.
Wednesday, March 25th, 2009 AT 12:20 AM

4 Replies

Tiny
CARADIODOC
  • MECHANIC
  • 34,481 POSTS
I'm not sure which connector you're referring to. The diagnostic connector is under the dash by the steering column. There's an easier way to get the fault codes.

Cycle the ignition switch from off to run three times within five seconds without cranking the engine. After the third time, leave the switch in "Run" and the codes will be displayed in the odometer.

If you get a code 12, that just means the ignition switch was turned off. If the engine computer detects a problem that will affect emissions, it will turn on the Check Engine light.

Caradiodoc
Was this
answer
helpful?
Yes
No
Wednesday, March 25th, 2009 AT 1:33 AM
Tiny
HILARY FUNK
  • MEMBER
  • 3 POSTS
I was referring to the female connector from the car for the scan tool. I think it's called the aldl connector--I found a pinout diagram in the Mitchell manual wiring diagrams that showed 5 of the 9 wires I have and placed them accordingly. 4 I left disconnected. I ran the scan. The scan indicated that the computer, (ECM?) Is not processing. Current goes in, no current comes out.
It could be that all 9 wires are needed to run the diagnostic, or, the computer cannot reboot to the new motor and I'll have to take it to the dealer to get it done. I don't have that tool.
Was this
answer
helpful?
Yes
No
Thursday, March 26th, 2009 AT 11:46 PM
Tiny
CARADIODOC
  • MECHANIC
  • 34,481 POSTS
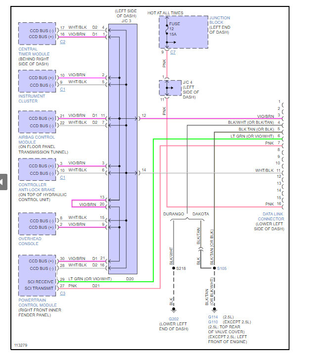
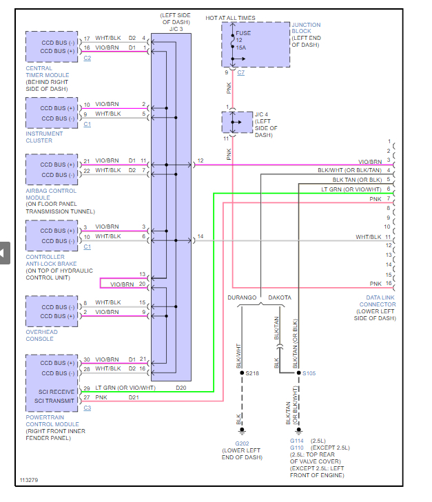
Did you try getting codes with the ignition switch? Check out the connector wiring diagrams below.

"ALDL" stands for "Assembly Line Data Link". The wider side of the connector is pins 1-8. The narrower side is pins 9-16. I don't see a keyway so hopefully you can figure these out from the five wires you have already. Cavities 1, 3, 9-13, and 15 are not used. Some of the blank pins are used at the discretion of the manufacturer for their equipment. Certain pins are standardized among all car brands per federal mandate. If you find different wire colors, ask for a photocopy from the correct manual from a friendly Dodge dealer. I don't have any Caravan manuals newer than a '95. These connectors started in '96.

Check out the images (Below). Please let us know what happens.
Was this
answer
helpful?
Yes
No
Friday, March 27th, 2009 AT 4:23 AM
Tiny
HILARY FUNK
  • MEMBER
  • 3 POSTS
Thanks, that's more info than I was able to get from the condensed library Mitchell reference. The Dodge dealer did a reboot to the computer and the Durango is running.

Much obliged.
Was this
answer
helpful?
Yes
No
Monday, March 30th, 2009 AT 8:38 AM

Please login or register to post a reply.

Related General Content