Headlights Wiring Diagrams?

Tiny
HANSM14
  • MEMBER
  • 1994 DODGE DAKOTA
  • V8
  • 4WD
  • AUTOMATIC
  • 150,000 MILES
Where can one download a free wiring diagram for the headlight?
Tuesday, September 28th, 2010 AT 12:31 PM

4 Replies

Tiny
BLUELIGHTNIN6
  • MECHANIC
  • 16,542 POSTS
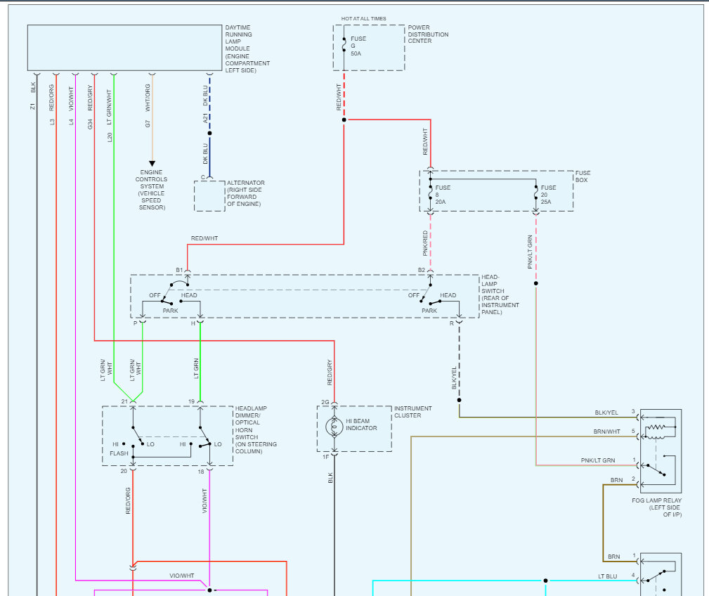
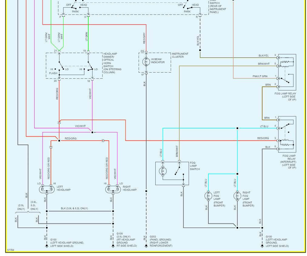
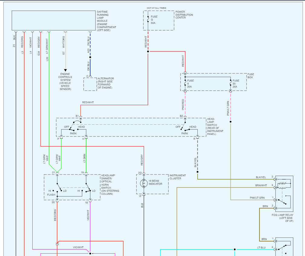
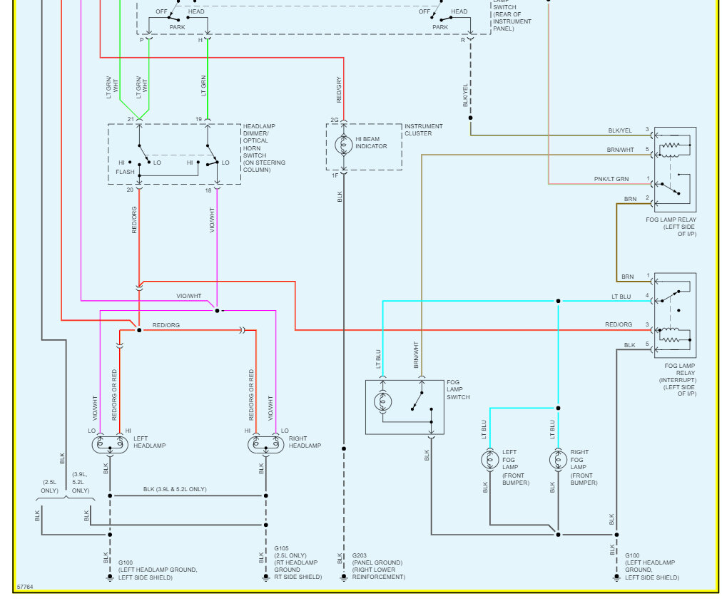
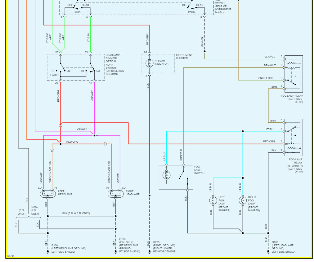
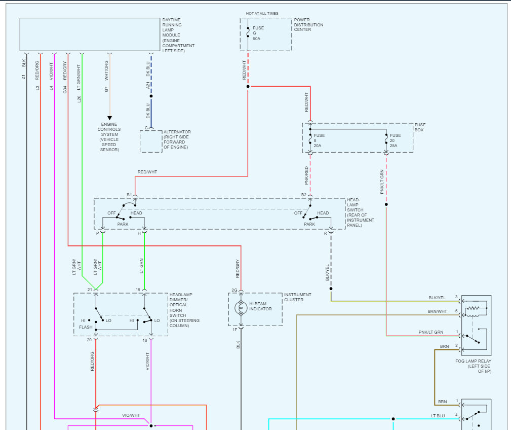
Here are the wiring diagram for the headlights. Check out the images (Below). Please let us know how it goes
Was this
answer
helpful?
Yes
No
-2
Tuesday, September 28th, 2010 AT 12:38 PM
Tiny
HANSM14
  • MEMBER
  • 18 POSTS
I also need the Power door locks wiring.
Was this
answer
helpful?
Yes
No
Tuesday, September 28th, 2010 AT 12:42 PM
Tiny
BLUELIGHTNIN6
  • MECHANIC
  • 16,542 POSTS
Sorry about the delay, my program was down for a bit. here is the schematics for your vehicle's power door locks...


https://www.2carpros.com/forum/automotive_pictures/261618_Noname_2711.jpg

Was this
answer
helpful?
Yes
No
+2
Tuesday, September 28th, 2010 AT 2:32 PM
Tiny
S505338
  • MEMBER
  • 1 POST
May I also have the wiring diagram for the 1994 Dodge Dakota 4x4 V8 Extended cab. I am looking for the wiring diagram for the Headlights mainly, but anything would be awesome. Thank you for your time!
Was this
answer
helpful?
Yes
No
+2
Saturday, November 13th, 2010 AT 7:09 AM

Please login or register to post a reply.

Related General Content