Timing chain replacement

Tiny
JAY SLAGLE
  • MEMBER
  • 2008 PONTIAC G6
  • 2.4L
  • 4 CYL
  • 2WD
  • AUTOMATIC
  • 107,000 MILES
Need to determine if at 107,000 miles it is necessary to replace timing chain?
Sunday, March 18th, 2018 AT 2:54 PM

7 Replies

Tiny
ASEMASTER6371
  • MECHANIC
  • 52,796 POSTS
I attached the procedure for you of the timing chain. There is a good YouTube video of this procedure that is much better than the pictures in the manuals.

https://www.youtube.com/watch?v=wAjmR6PSCf8

Let me know if you have any other questions.

Roy
Was this
answer
helpful?
Yes
No
Monday, October 12th, 2020 AT 4:36 AM
Tiny
STACEY SIMS
  • MEMBER
  • 1 POST
  • 2008 PONTIAC G6
  • 302,500 MILES
Where is the timing located and is it hard to change the timing belt chain whatever it has?
Was this
answer
helpful?
Yes
No
Wednesday, October 14th, 2020 AT 2:15 PM (Merged)
Tiny
ASEMASTER6371
  • MECHANIC
  • 52,796 POSTS
Good morning,

What engine size do you have? There are 4 possibilities for engines. I want to be sure you get the correct information.

Yes, it is a very involved job due to the risk of bending valves if the timing is incorrect.

https://www.2carpros.com/articles/how-a-timing-belt-works

Did your chain fail or is this basic maintenance?

Roy
Was this
answer
helpful?
Yes
No
Wednesday, October 14th, 2020 AT 2:15 PM (Merged)
Tiny
MDNJAPAN
  • MEMBER
  • 1 POST
  • 2007 PONTIAC G6
  • 6 CYL
  • 90,199 MILES
I have a 2007 Pontiac G6 and it has 90,000 miles on it, is there any expensive repairs or parts replacement I should be concerned about needing to address soon?
Was this
answer
helpful?
Yes
No
+2
Wednesday, October 14th, 2020 AT 2:16 PM (Merged)
Tiny
WRENCHTECH
  • MECHANIC
  • 20,761 POSTS
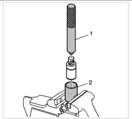
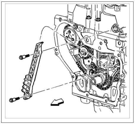
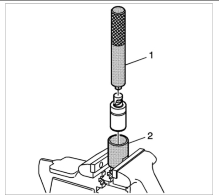
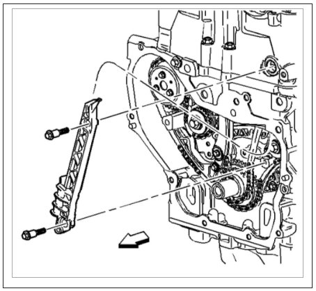
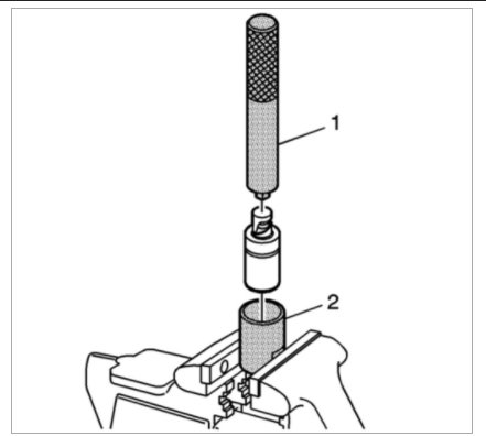
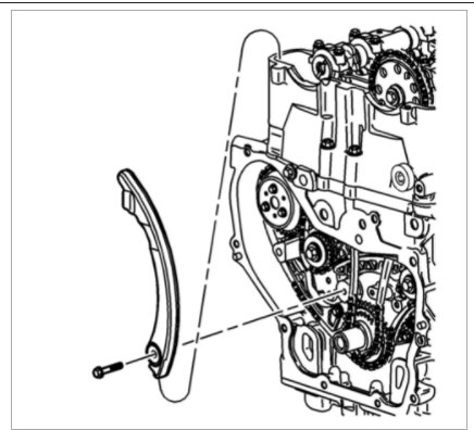
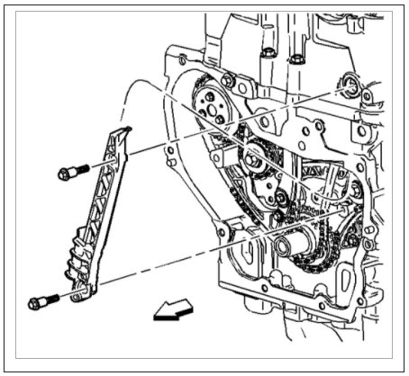
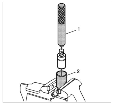
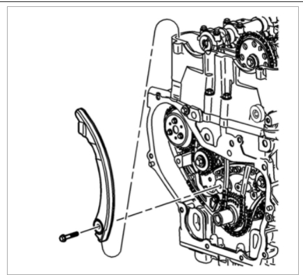
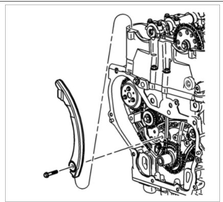
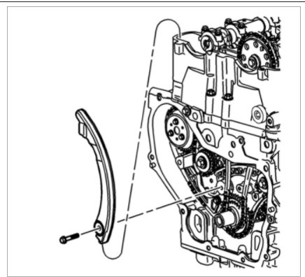
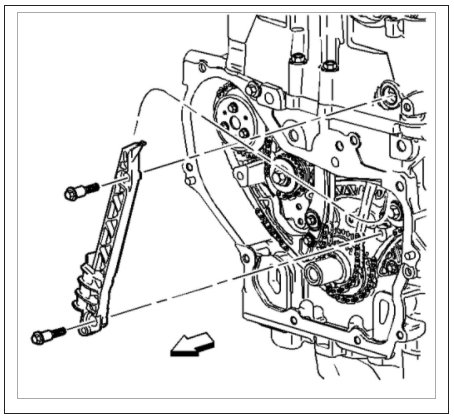
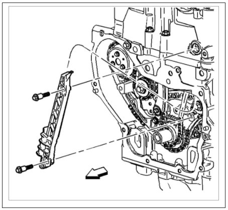
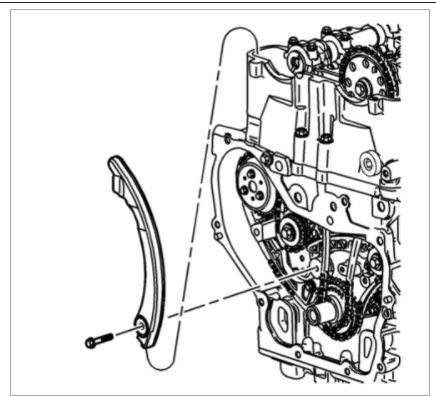
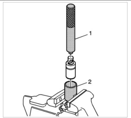
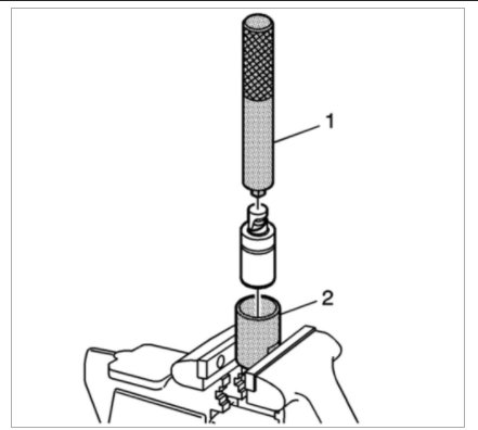
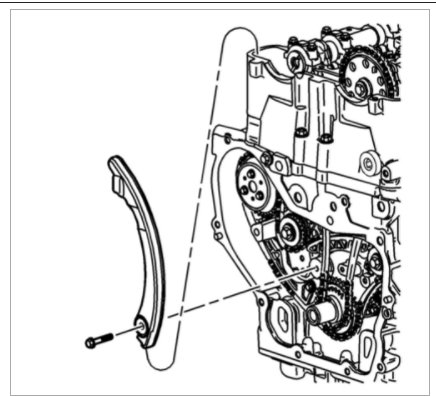
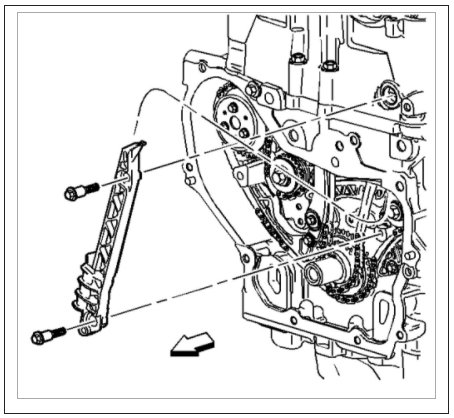
Failures are not planned or predictable but as a rule of thumb that typically last about 130,000 miles. Here is howe the chain is replaced in the diagrams below for both 4 and 6 cylinder engines. Check out the diagrams (Below). Please let us know if you need anything else to get the problem fixed.
Was this
answer
helpful?
Yes
No
+1
Wednesday, October 14th, 2020 AT 2:16 PM (Merged)
Tiny
CANADIAN81
  • MEMBER
  • 1 POST
  • 2006 PONTIAC G6
  • 160,000 MILES
I have a 2006 pontiac G6 and I recently took it to my local pontiac dealership because of a noise coming from the engine. They told me that the metal guard over the timing chain came off and was broken which sent metal fibers into my oil pan (thats what they tell me anyway) Apparently they didnt go any further with the inspection of the engine and don't actually know if anything was bent or broken however they did tell me that if I wanted it back, they could put the chain back on and I could drive it home. That tells me that the engine is not actually in ruins and fixing it by replacing the chain, cleaning the oil and putting a new guard on it is a better option than buying a used engine and having them install which they suggested I do.
Was this
answer
helpful?
Yes
No
Wednesday, October 14th, 2020 AT 2:16 PM (Merged)
Tiny
BILLYMAC
  • MECHANIC
  • 2,204 POSTS
Hi
yes you are right however there point of view is you still have 160.000 miles and possibly metal flakes through the engine that will eventually cause problems. So this is ultamately your choice if you buy a used engine who can say it won't be just as worn.

However with your engine you know the history and how it was drove taken care of and so on. So if you don't plan on keeping it forever then have them put new parts on it and drive it most likely it will be fine.
Was this
answer
helpful?
Yes
No
Wednesday, October 14th, 2020 AT 2:16 PM (Merged)

Please login or register to post a reply.