Thursday, June 7th, 2018 AT 9:39 PM
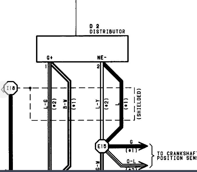
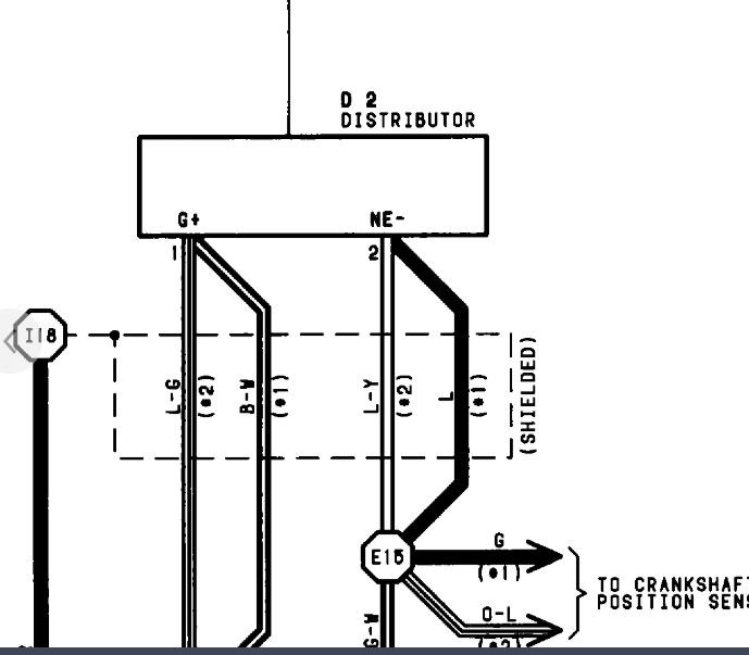
Working on my mother in laws car. Gave p0340 code for camshaft position sensor. There is no standalone part for that as its integrated with the distributor. Replaced the distributor. Did not realize until I tried to start the car that the two pronged connector that plugs into the distributor had the wires snap off right at the back of the plug as I was installing the new distributor. Cannot seem to find the right plug. I went to a junkyard and found one off a 1993 2.2 that will fit. Problem is, the wires are not the same color as the 1996. Therefore I do not know which wire connects to which. I pulled the old plug apart hoping to find a small amount of wire sleeve that would tell me what color went where. Can anyone help?





