After replacing the distributor do I need to set the timing?

2002 CHEVROLET S-10
130,000 MILES • 4.3L • 6 CYL • 4WD • AUTOMATIC
Avatar
BENNYBOYSDAD15
  • MEMBER
  • 1 POST
The rotor broke off the shaft and I replaced the rotor and cap, but a week later my truck shut off again and this time I replaced the whole distributor. Now do I have to set the timing or can I just pull the old one out and place the new/but used distributor down in? Or will I have to use a timing light and what not and set the timing or what? Also I hooked a code reader on it and it said ether the camshaft sensor or crankshaft sensor malfunction. I don't remember exactly what it said because a buddy of mine deleted the codes! Is there a way to get the codes back or does the engine have to be running, I have no knowledge about the electrical on vehicles, lol.
Mar 1, 2021 at 8:37 AM
Advertisement
Repair Safety Notice: This information is for general instructional purposes only. Vehicle repair can be dangerous. Verify all information, follow manufacturer service procedures, use proper tools and safety equipment, and consult a qualified repair shop when needed.
Avatar
JACOBANDNICKOLAS
  • AUTOMOTIVE REPAIR CONTRIBUTOR
  • 110,190 POSTS
Hi,

If you removed the distributor, it needs to be properly re-installed so ignition timing is correct. Otherwise, it won't run. It may backfire.

Here is a video showing how a distributor is re-installed. In the video, it is being done on a larger engine, but the process is the same.

https://youtu.be/El1H0_6IYxQ

_____________________

Here are the directions specific to your vehicle. The pics below correlate with the directions.

2002 Chevy Truck S10/T10 P/U 4WD V6-4.3L VIN W
Distributor Replacement
Vehicle Powertrain Management Ignition System Distributor Service and Repair Procedures Distributor Replacement
DISTRIBUTOR REPLACEMENT
REMOVAL PROCEDURE

NOTE: There are two procedures available to install the distributor.

Use Installation Procedure 1 when the crankshaft has NOT been rotated from the original position.

Use Installation Procedure 2 when any of the following components are removed:
^ The intake manifold
^ The cylinder head
^ The camshaft
^ The timing chain or sprockets
^ The complete engine

If the malfunction indicator lamp (MIL) turns on and DTC P1345 sets after installing the distributor, this indicates an incorrectly installed distributor.

Engine damage or distributor damage may occur. Use Procedure 2 in order to install the distributor.

1. Turn OFF the ignition.
2. Remove air cleaner assembly.
3. Remove the spark plug wires from the distributor cap.
^ Twist each spark plug boot 1/2 turn.
^ Pull only on the wire boot in order to remove the wire from the distributor cap.
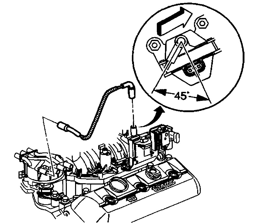
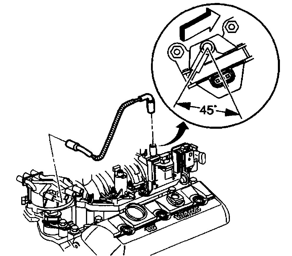
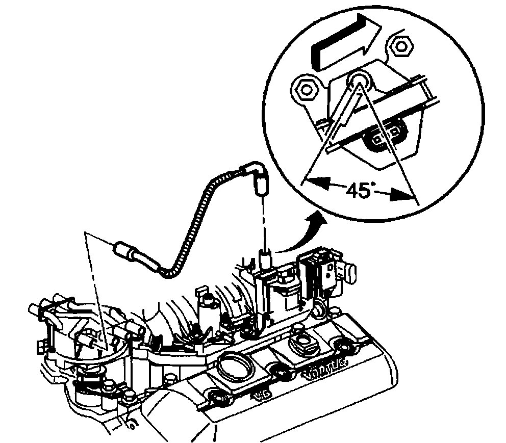
4. Remove the electrical connector from the base of the distributor.


pic 1

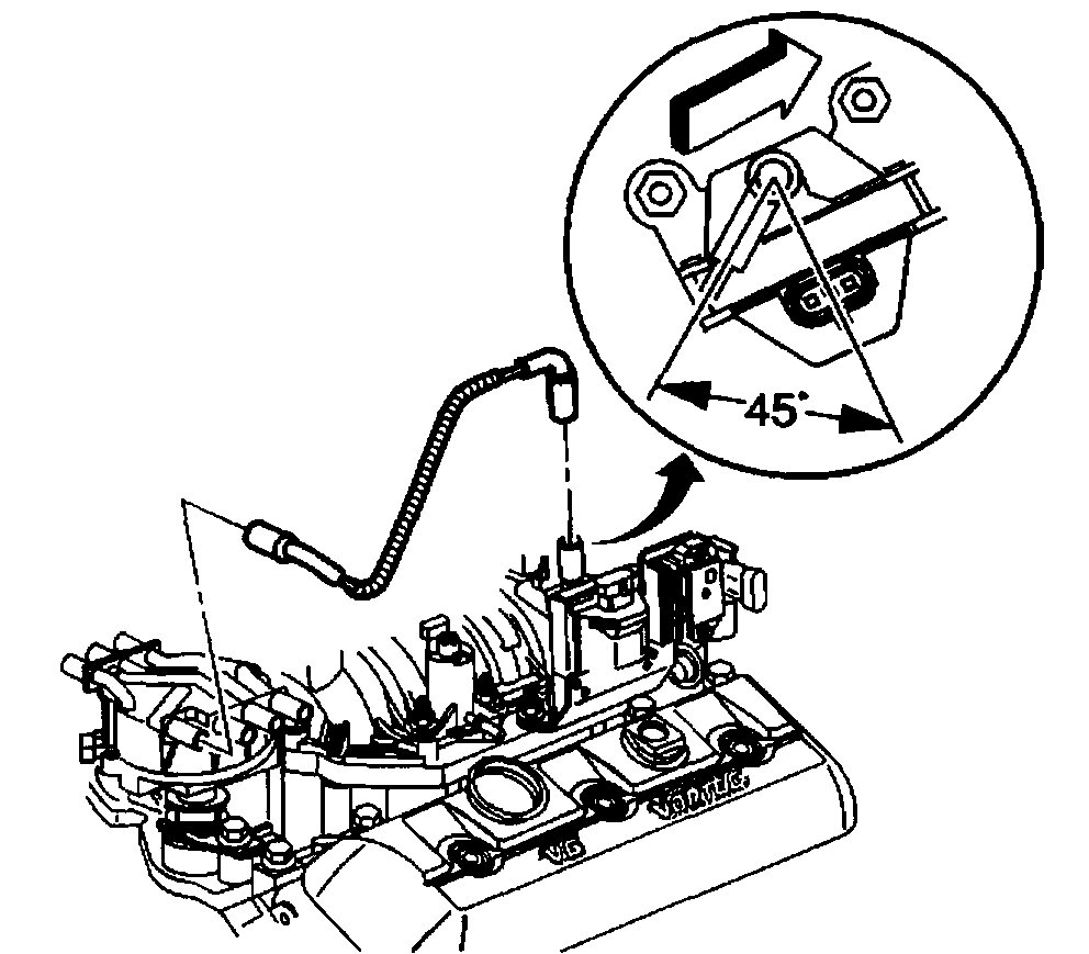
5. Remove the two screws that hold the distributor cap to the housing.
6. Discard the screws.
7. Remove the distributor cap from the housing.

pic 2

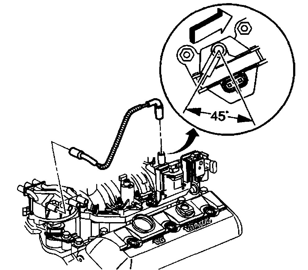
8. Use a grease pencil in order to note the position of the rotor in relation to the distributor housing (1).
9. Mark the distributor housing and the intake manifold with a grease pencil.


pic 3

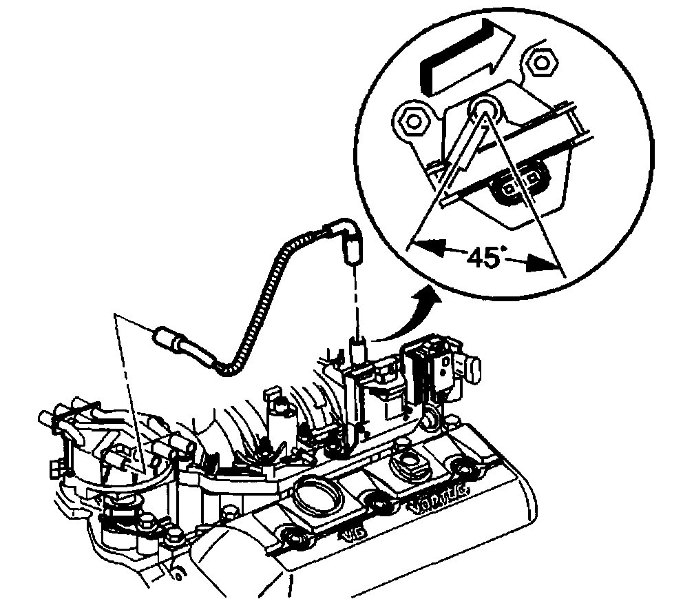
10. Remove the mounting clamp hold down bolt.
11. Remove the distributor.


pic 4

12. As the distributor is being removed from the engine, watch the rotor move in a counter-clockwise direction about 42 degrees. This will appear as slightly more than 1 clock position.
13. Note the position of the rotor segment.
14. Place a second mark on the base of the distributor (2). This will aid in achieving proper rotor alignment during the distributor installation.

INSTALLATION PROCEDURE 1


pic 5

1. If installing a new distributor assembly, place 2 marks on the new distributor housing in the same location as the 2 marks on the original housing.
2. Remove the new distributor cap, if necessary.
3. Align the rotor with the second mark (2).


pic 6

4. Guide the distributor into the engine.
5. Align the hole in the distributor hold-down base over the mounting hole in the intake manifold.


pic 7

6. As the distributor is being installed, observe the rotor moving in a clockwise direction about 42 degrees.
7. Once the distributor is completely seated, the rotor segment should be aligned with the mark on the distributor base (1).
^ If the rotor segment is not aligned with the number 1 mark, the driven gear teeth and the camshaft have meshed one or more teeth out of alignment.
^ In order to correct this condition, remove the distributor and reinstall the distributor.

NOTE: Refer to Fastener Notice in Service Precautions.


pic 8

8. Install the distributor mounting clamp bolt.

Tighten
Tighten the distributor clamp bolt to 25 N.m (18 lb ft).


pic 9

9. Install the distributor cap.
10. Install two new distributor cap screws.

Tighten
Tighten the screws to 2.4 N.m (21 lb in).

11. Install the electrical connector to the distributor.
12. Install the spark plug wires to the distributor cap.


pic 10

13. Install the ignition coil wire.
Note the correct orientation of the wire boot.

IMPORTANT: If the malfunction indicator lamp (MIL) is turned ON after installing the distributor, and a DTC P1345 is found, the distributor has been installed incorrectly.

14. Refer to installation procedure 2 if malfunction indicator lamp is turned ON after installing the distributor.

INSTALLATION PROCEDURE 2

IMPORTANT: Rotate the number 1 cylinder to top dead center (TDC) of the compression stroke. The engine front cover has 2 alignment tabs and the crankshaft balancer has 2 alignment marks (spaced 90 degrees apart) which are used for positioning number 1 piston at top dead center (TDC). With the piston on the compression stroke and at top dead center, the crankshaft balancer alignment mark (1) must align with the engine front cover tab (2) and the crankshaft balancer alignment mark (4) must align with the engine front cover tab (3).


pic 11

1. Rotate the crankshaft balancer clockwise until the alignment marks on the crankshaft balancer are aligned with the tabs on the engine front cover and the number 1 piston is at top dead center of the compression stroke.


pic 12

2. Align white paint mark on the bottom stem of the distributor, and the pre-drilled indent hole in the bottom of the gear (3).

NOTE: Refer to Distributor Driven Gear Can Be Installed in Multiple Positions Notice in Service Precautions.

3. With the gear in this position, the rotor segment should be positioned as shown for a V6 engine (1) or V8 engine (2).
^ The alignment will not be exact.
^ If the driven gear is installed incorrectly, the dimple will be approximately 180 degrees opposite of the rotor segment when the gear is installed in the distributor.


pic 13

4. Using a long screw driver, align the oil pump drive shaft to the drive tab of the distributor.
5. Guide the distributor into the engine. Ensure that the spark plug towers are perpendicular to the centerline of the engine.


pic 14

6. Once the distributor is fully seated, the rotor segment should be aligned with the pointer cast into the distributor base.
^ There may be a 6 cast into this pointer, indicating that the distributor is to be used on a 6 cylinder engine or an 8, indicating that the distributor is to be used on a 8 cylinder engine.
^ If the rotor segment does not come within a few degrees of the pointer, the gear mesh between the distributor and the camshaft may be off a tooth or more.
^ If this is the case, repeat the procedure again in order to achieve proper alignment.

NOTE: Refer to Fastener Notice in Service Precautions.


pic 15

7. Install the distributor mounting clamp bolt.

Tighten
Tighten the distributor clamp bolt to 25 N.m (18 lb ft).


pic 16

8. Install the distributor cap.
9. Install two new distributor cap screws.

Tighten
Tighten the screws to 2.4 N.m (21 lb in).

10. Install the electrical connector to the distributor.
11. Install the spark plug wires to the distributor cap.


pic 17

12. Install the ignition coil wire.
Note the correct orientation of the wire boot.

IMPORTANT: If the MIL is turned ON after installing the distributor, and a DTC P1345 is found, the distributor has been installed incorrectly.

13. Repeat installation procedure 2 if the malfunction indicator lamp is turned ON after installing the distributor.

_____________________________

Let me know if this helps or if you have other questions. Also, read through the directions and then watch the video. I think it will make more sense to you.

Take care and God Bless,

Joe
Mar 1, 2021 at 5:15 PM