HOME
ASK A QUESTION
REPAIR GUIDES
BECOME A MEMBER
LOG IN
Login with Facebook
OR
Remember me
NOT A MEMBER?
FORGOT PASSWORD?
CONTACT US
PRIVACY POLICY
TERMS AND CONDITIONS
☰
Home
Pontiac
Firebird
Interior
Dashboard
Dash vents
SANDI JOHNSON CHERMAK
MEMBER
1998 PONTIAC FIREBIRD
6 CYL
AUTOMATIC
160,000 MILES
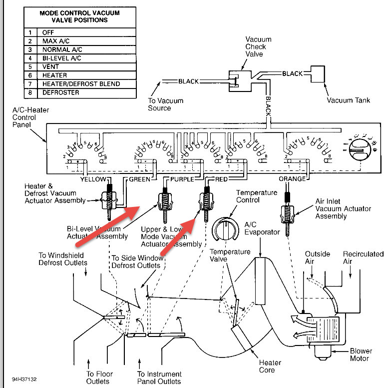
The vents on the dash do not put out any air or heat.
Monday, July 17th, 2017 AT 11:03 AM
1 Reply
HMAC300
MECHANIC
48,601 POSTS
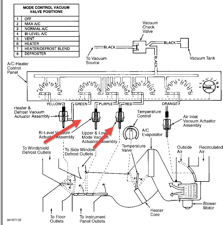
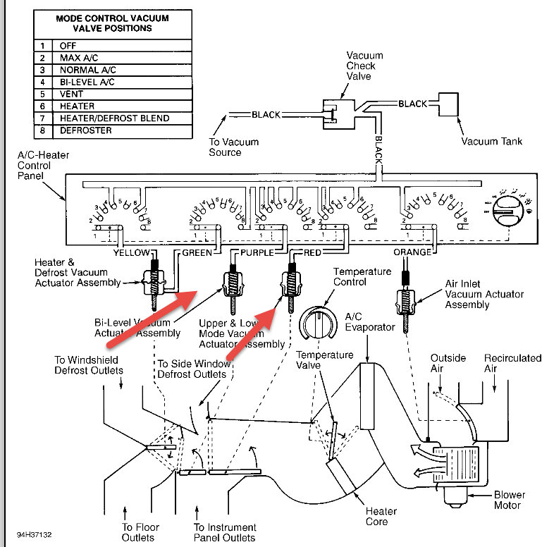
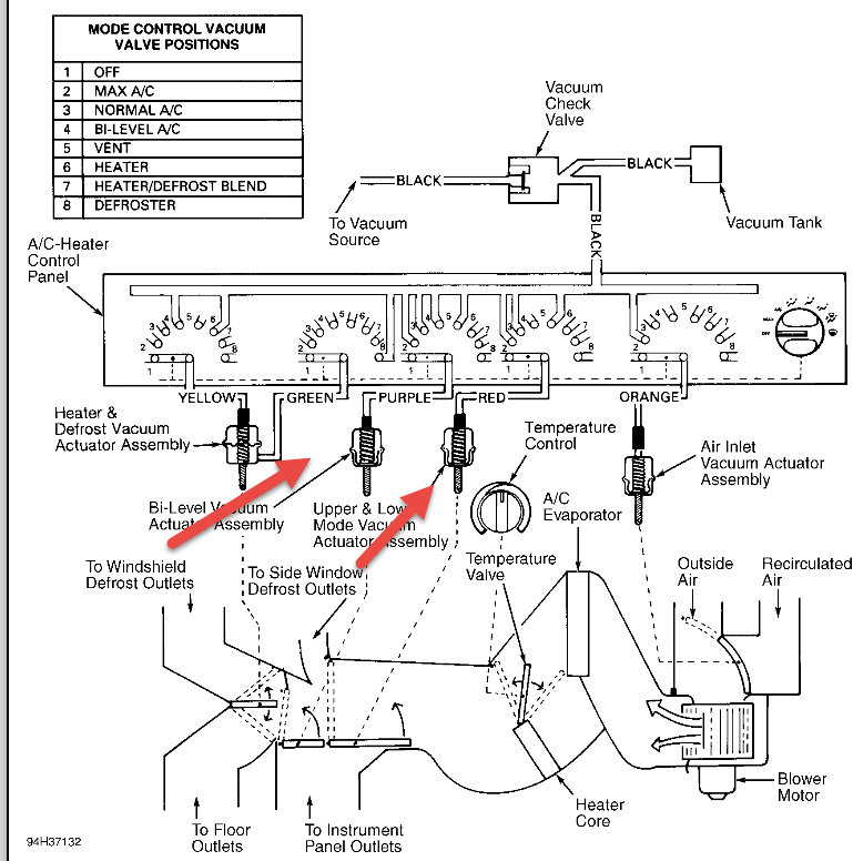
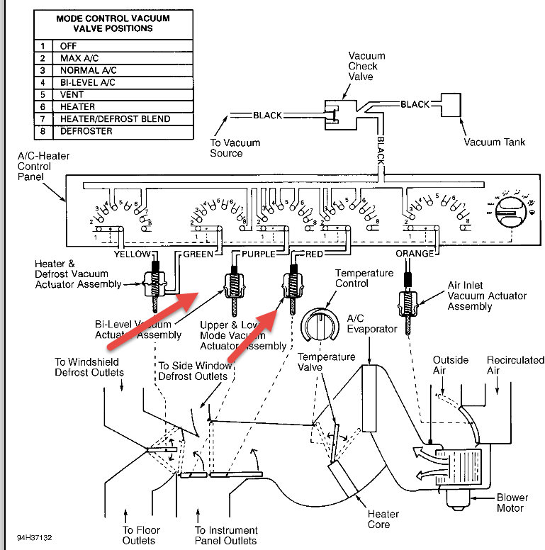
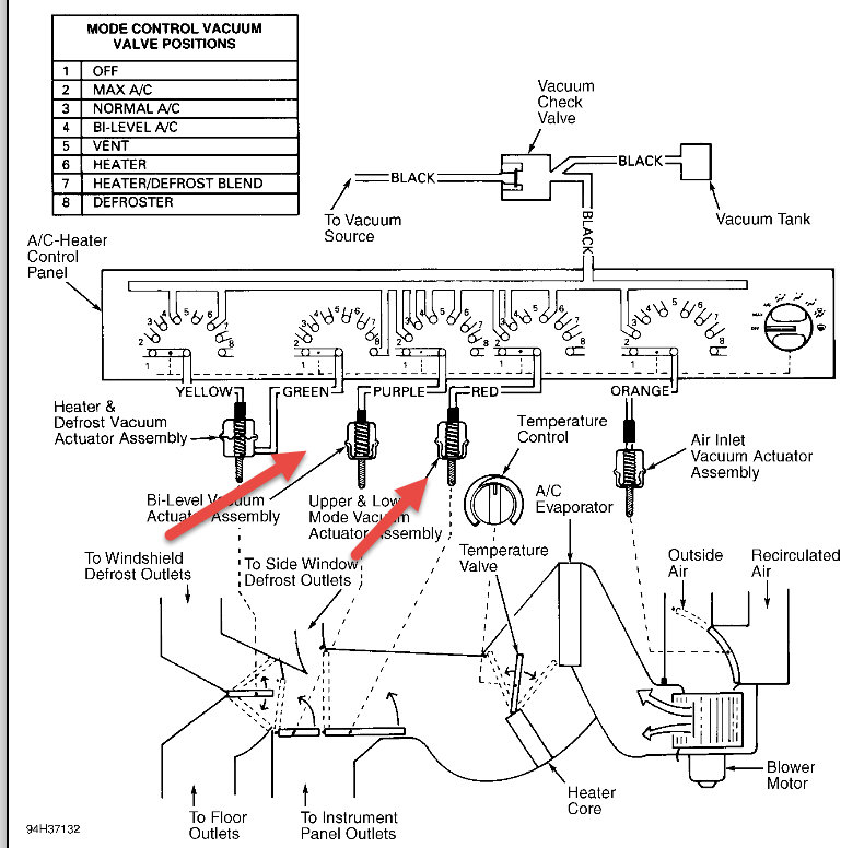
For no hot or cold check for a broken cable. For other check for a vacuum leak or not getting vacuum to motor on heater unit. See pictures.
Images (Click to make bigger)
Was this
answer
helpful?
Yes
No
Monday, July 17th, 2017 AT 12:19 PM
Please
login
or
register
to post a reply.
Related Dashboard Content
How Do I Get Too The Ignation Switch In My 86 Firebird
I Took Apart The Whole Dash Trying To Find Out A Way To Get Too My Ignation Switch And I Have Yet To Find One It Has The Tilt Mount On It So...
Asked by
PfcCaudle
·
7 ANSWERS
1 IMAGE
1986
PONTIAC FIREBIRD
VIDEO
Kick Panel Removal
Instructional repair video
1998 Pontiac Firebird
Sometimes When The Car Is Sitting In The Sun I've Noticed That The Electricity Would Cut Off And Then Cut Back On. Like The Radio And The...
Asked by
audrey731
·
1 ANSWER
1998
PONTIAC FIREBIRD
Cruise Control Can't Keep Up - Low Idle??
When I Set My Cruise Control It Tends To Have Trouble Holding The Set Speed, Esspecially When There's Even A Slight Uphill Slope. On Level...
Asked by
GeneG
·
5 ANSWERS
1990
PONTIAC FIREBIRD
Firebird Radio And Power Windows
Radio And Power Windows Keep Going Off At Same Time?
Asked by
vladik75
·
2 ANSWERS
2000
PONTIAC FIREBIRD
When I Switch To Cd Player It's Wont Play Cd's
My "monsoon" Radio Work Well By Itself. But When I Switch To Cd Player It's Wont Play Cd's. It's Does't Take Them In At All. Seems Like Half...
Asked by
vladik75
·
1 ANSWER
2000
PONTIAC FIREBIRD
VIEW MORE
Ask a Car Question. It's Free!
Instrument Cluster Replacement
Airbag Removal - Drivers Side
Door Panel Removal