Monday, June 5th, 2017 AT 2:56 PM
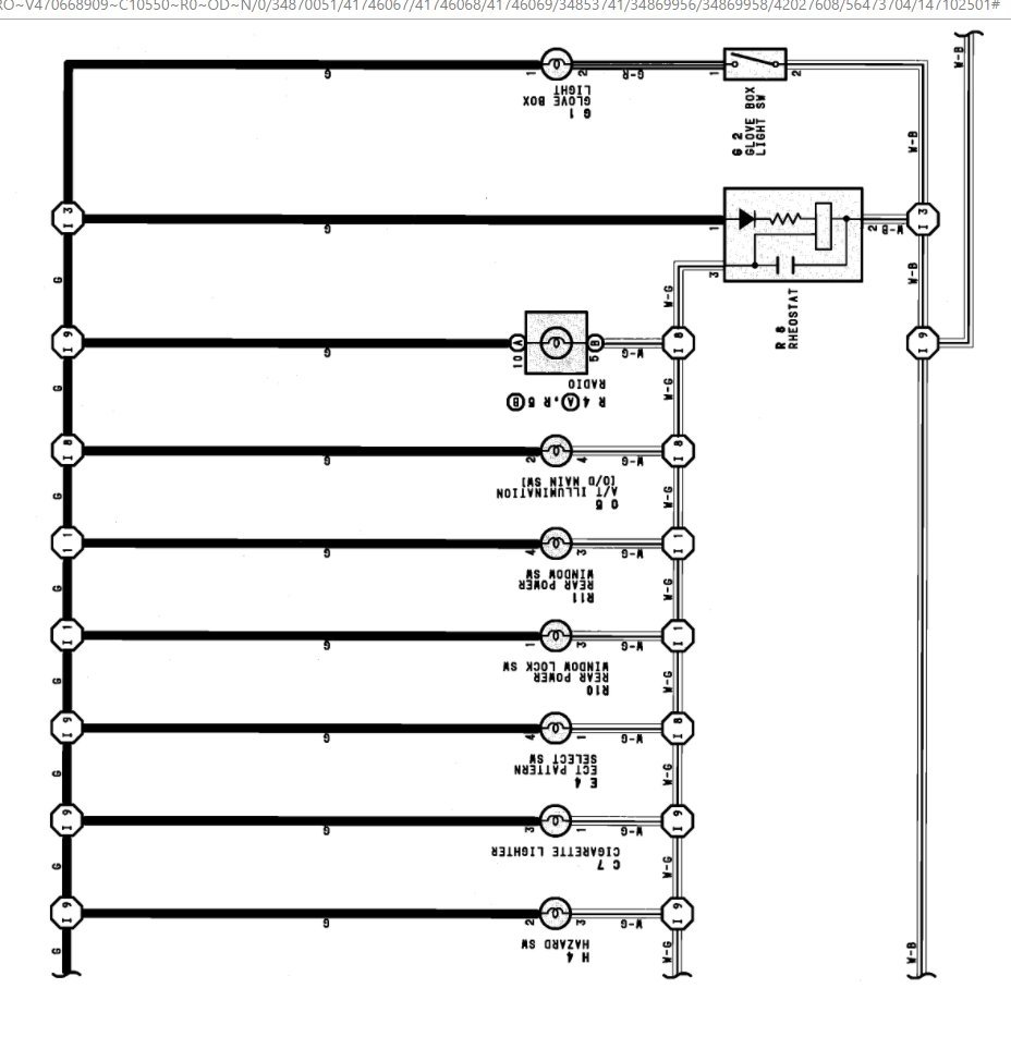
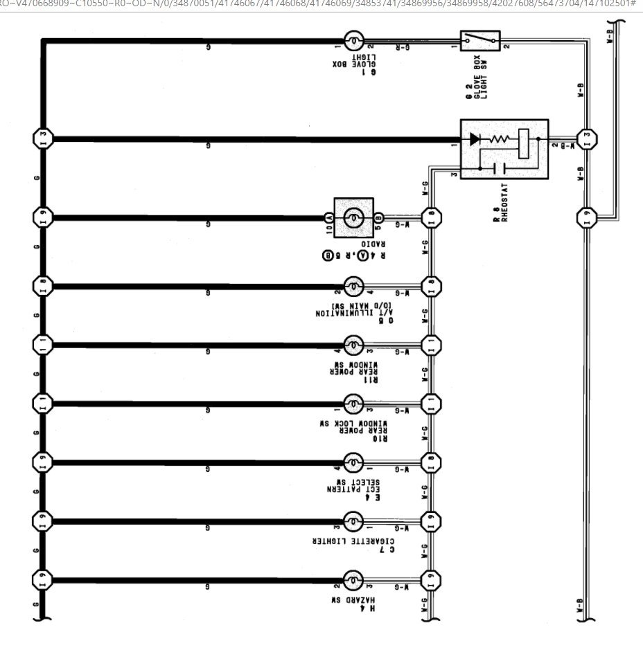
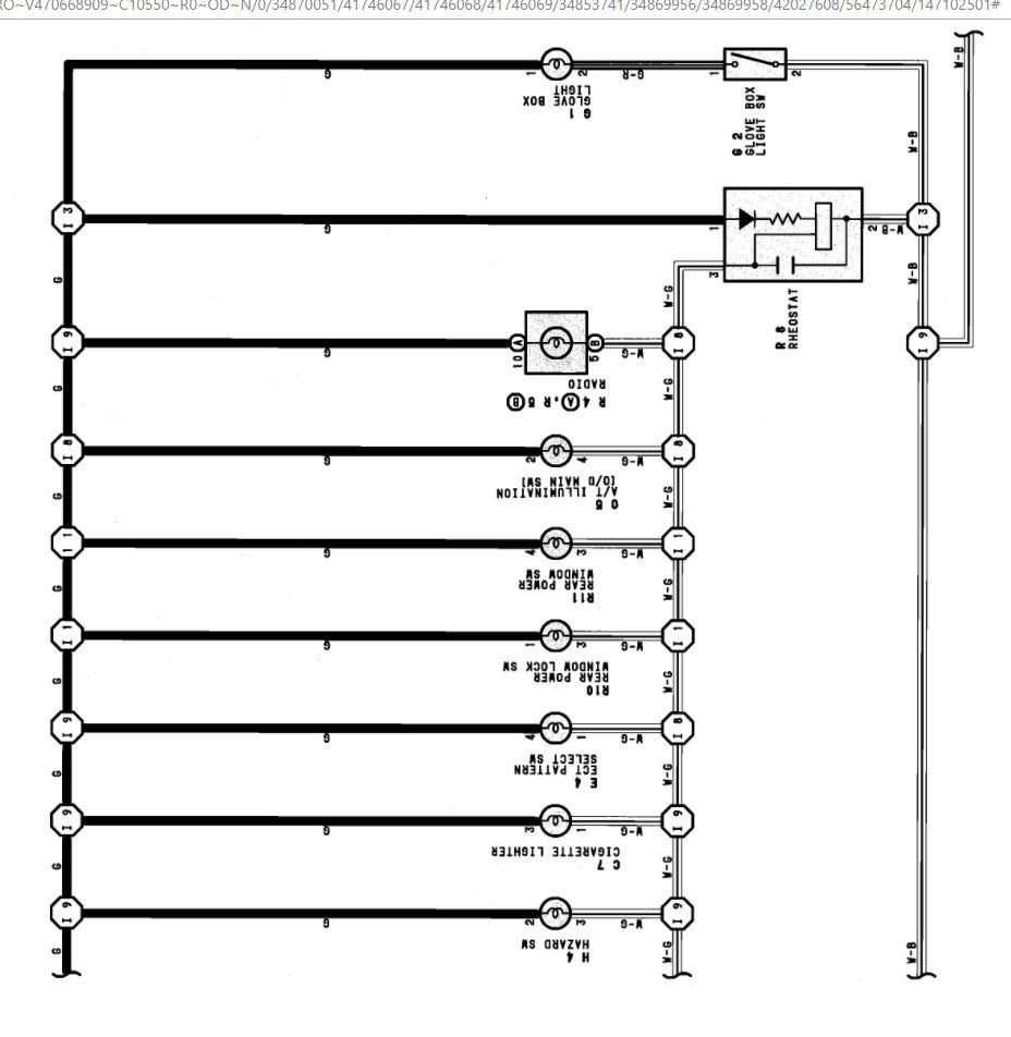
My dash lights are not working. The fuse is good all lights are working except the gauge lights. The rheostat is burnt up at that plug I have twelve volts on both the green wire and the white/green wire. I cannot figure out why I have voltage on the ground wire (white/green.



