Engine shut off will not restart, code PO336

Tiny
PHILL C
  • MEMBER
  • 2009 SUBARU FORESTER
  • 2.0L
  • 4 CYL
  • 4WD
  • MANUAL
  • 131,250 MILES
Okay, I have the vehicle listed above diesel. I'm having difficulty in finding the crankshaft position sensor. Got an error code PO336 car cut out and wont restart. Need help ASAP as I depend on this car for work. Also it's a boxer engine.
Tuesday, August 6th, 2019 AT 8:45 AM

3 Replies

Tiny
ASEMASTER6371
  • MECHANIC
  • 52,796 POSTS
Good morning,

This code is for the crank sensor but the checks need to be done to verify proper voltages are being sent and received from the sensor. I attached a flow chart and a picture of the sensor for you.

Roy

DTC P0336 CRANKSHAFT POSITION SENSOR "A" CIRCUIT RANGE/PERFORMANCE

DTC DETECTING CONDITION:
- Detected when two consecutive driving cycles with fault occur.
- GENERAL DESCRIPTION See: A L L Diagnostic Trouble Codes ( DTC ) > Diagnostic Trouble Code Descriptions > P0336

TROUBLE SYMPTOM:
- Engine stalls.
- Failure of engine to start

CAUTION: After repair or replacement of faulty parts, perform Clear Memory Mode. See: Computers and Control Systems > Reading and Clearing Diagnostic Trouble Codes > Clear Memory Mode and Inspection Mode. See: Computers and Control Systems > Scan Tool Testing and Procedures > Preparation For the Inspection Mode

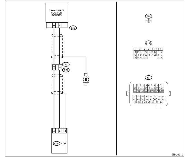
WIRING DIAGRAM:
Was this
answer
helpful?
Yes
No
Tuesday, August 6th, 2019 AT 9:30 AM
Tiny
PHILL C
  • MEMBER
  • 3 POSTS
Just took the alternator and the A/C pump off and there is no sign of the sensor. I have checked the complete front of the engine using a camera and still no sign of the sensor. Could it be located anywhere else? Don't know if this helps but the engine code is EE20.
Was this
answer
helpful?
Yes
No
Tuesday, August 6th, 2019 AT 11:32 AM
Tiny
ASEMASTER6371
  • MECHANIC
  • 52,796 POSTS
As I stated, it is under the front cover of the engine as in the picture. The front cover for the timing belt has to be removed to access the sensor.

Roy
Was this
answer
helpful?
Yes
No
Tuesday, August 6th, 2019 AT 11:50 AM

Please login or register to post a reply.