Crank no fire

Tiny
JUSTIN T RUNFOLA
  • MEMBER
  • 2003 CHEVROLET 1500
  • 4.3L
  • V6
  • 2WD
  • MANUAL
  • 37,000 MILES
Truck started normal drove my girl friend to work about 2 miles away went to back out to leave her work and the trucked shut off. I cranked for a good minute and it started. Drove 30 feet was waiting to pull out into to traffic and it shut off just cranks no fire. I have replace the crank shaft sensor and coils. It has fuel pressure and starting fluid sprayed in it and no fire.
Sunday, June 21st, 2020 AT 3:44 AM

1 Reply

Tiny
JACOBANDNICKOLAS
  • MECHANIC
  • 110,194 POSTS
Hi,

My first suspect is the ignition control module. Here are directions for replacement. The first pic below shows location. Pics 2 and 3 correlate with the directions.

2003 Chevy Truck C 1500 Truck 2WD V6-4.3L VIN X
Procedures
Vehicle Powertrain Management Relays and Modules - Powertrain Management Relays and Modules - Ignition System Ignition Control Module Service and Repair Procedures
PROCEDURES
REMOVAL PROCEDURE

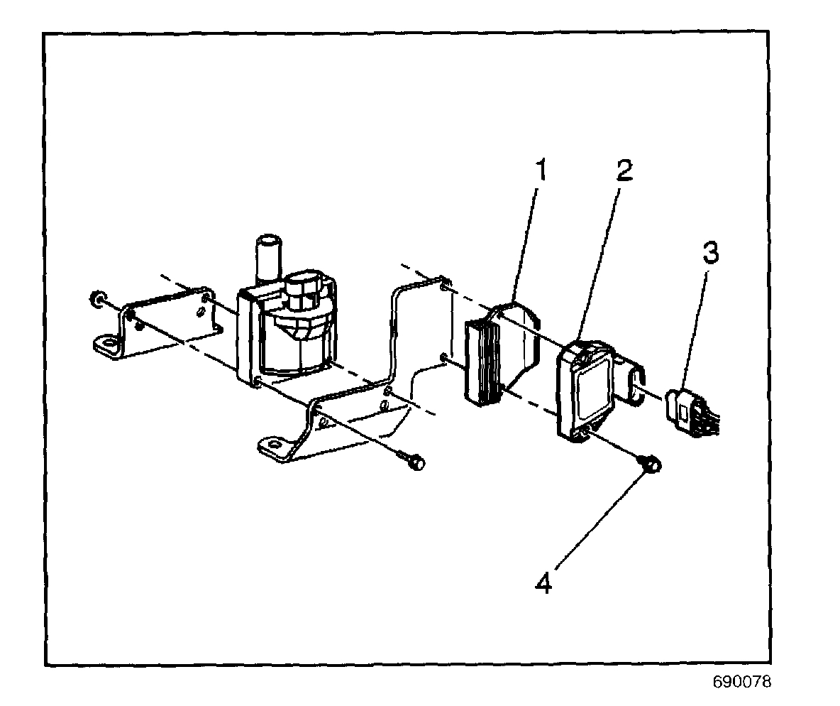
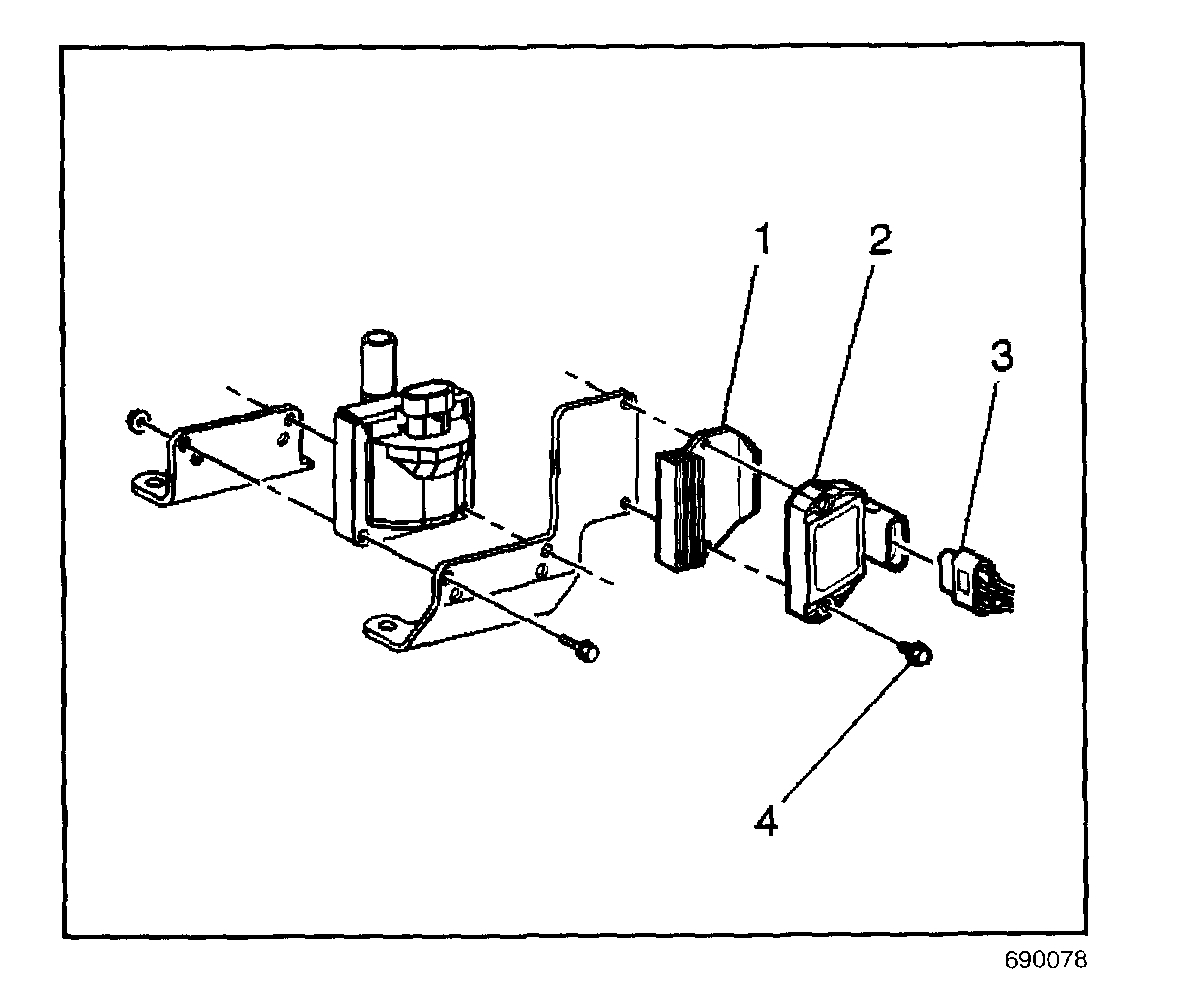
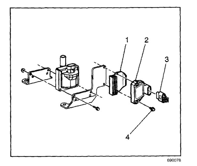
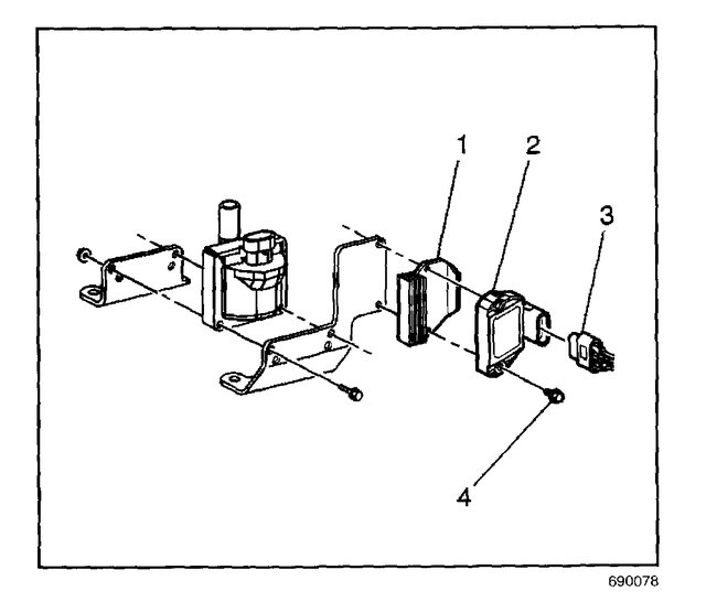
pic 2

1. Remove the air cleaner outlet resonator.
2. Disconnect the ignition coil driver electrical connector (3).
3. Remove ignition control module (2) screws.
4. Remove the ignition control module (2) and heat sink (3).

INSTALLATION PROCEDURE

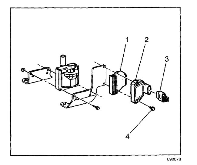
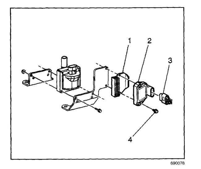
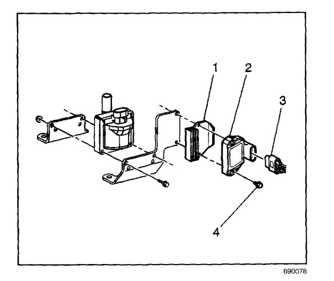
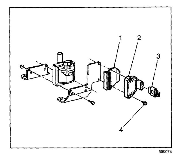
pic 3

1. Position the ignition control module (2) and heat sink (3).

NOTE: Refer to Fastener Notice in Service Precautions.

2. Install ignition control module (2) screws.

Tighten
Tighten the screws to 3.5 N.M (31 lb in).

3. Connect the ignition coil driver electrical connector (3).
4. Install the air cleaner outlet resonator.

______________________________________________________

Let me know if this helps.

Joe
Was this
answer
helpful?
Yes
No
Wednesday, June 24th, 2020 AT 7:05 PM

Please login or register to post a reply.