Cooling fans not working

2011 MITSUBISHI LANCER
120,000 MILES • 2.0L • 4 CYL • 2WD • AUTOMATIC
Avatar
MARTIN FEE
  • MEMBER
  • 1 POST
Neither via temperature or with A on none of the fans work.
Being in Florida this is a major issue. Checked fuse and relay both are fine.
Help please!
Apr 12, 2020 at 3:26 PM
Advertisement
Repair Safety Notice: This information is for general instructional purposes only. Vehicle repair can be dangerous. Verify all information, follow manufacturer service procedures, use proper tools and safety equipment, and consult a qualified repair shop when needed.
Avatar
KASEKENNY
  • AUTOMOTIVE REPAIR CONTRIBUTOR
  • 18,907 POSTS
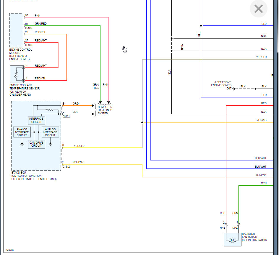
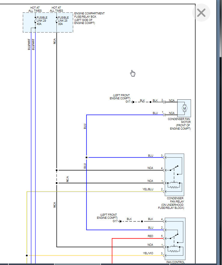
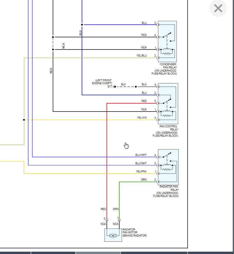
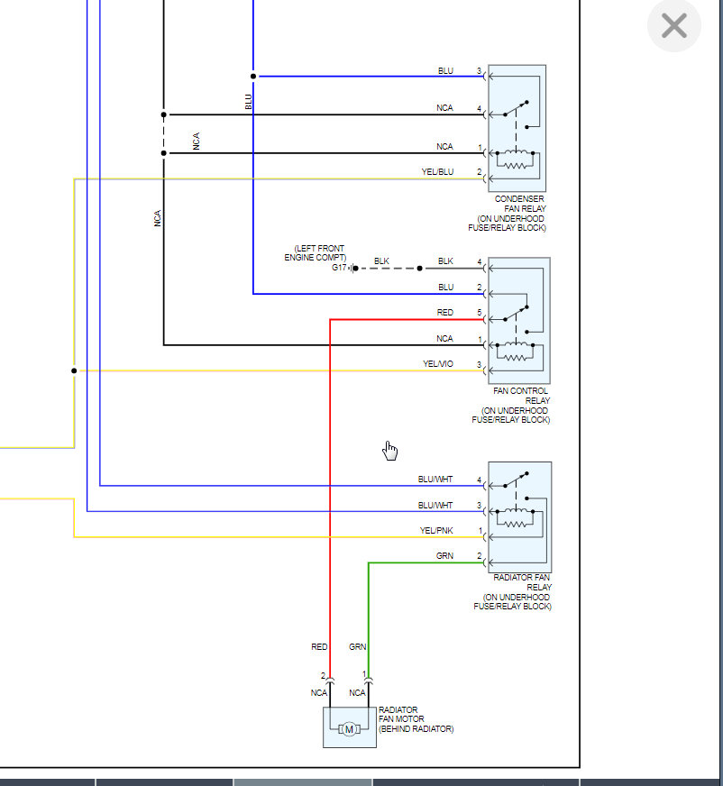
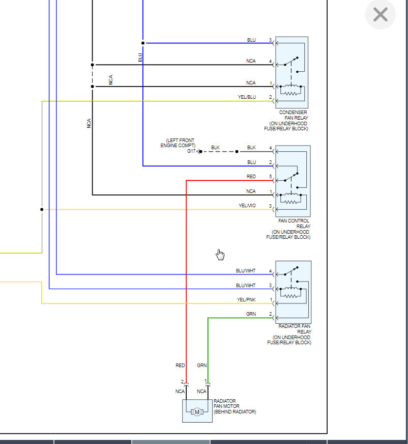
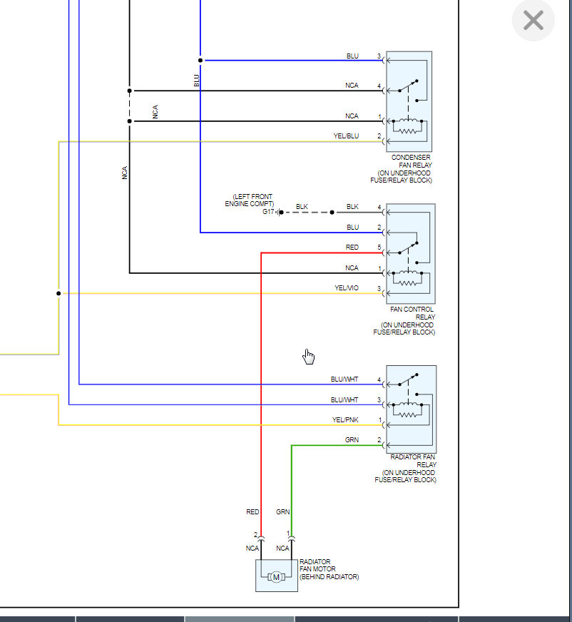
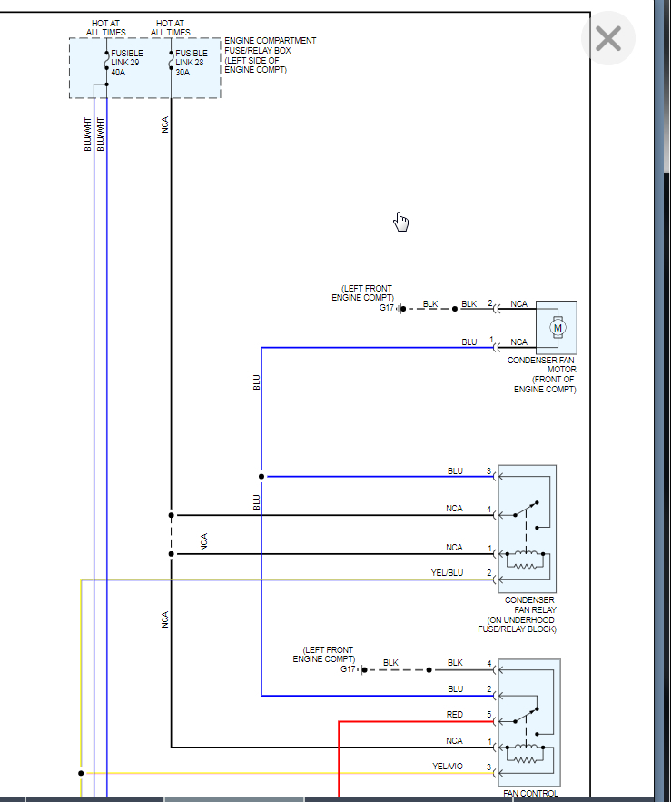
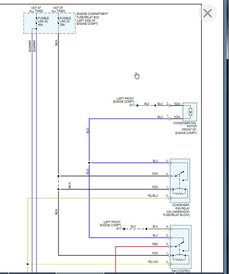
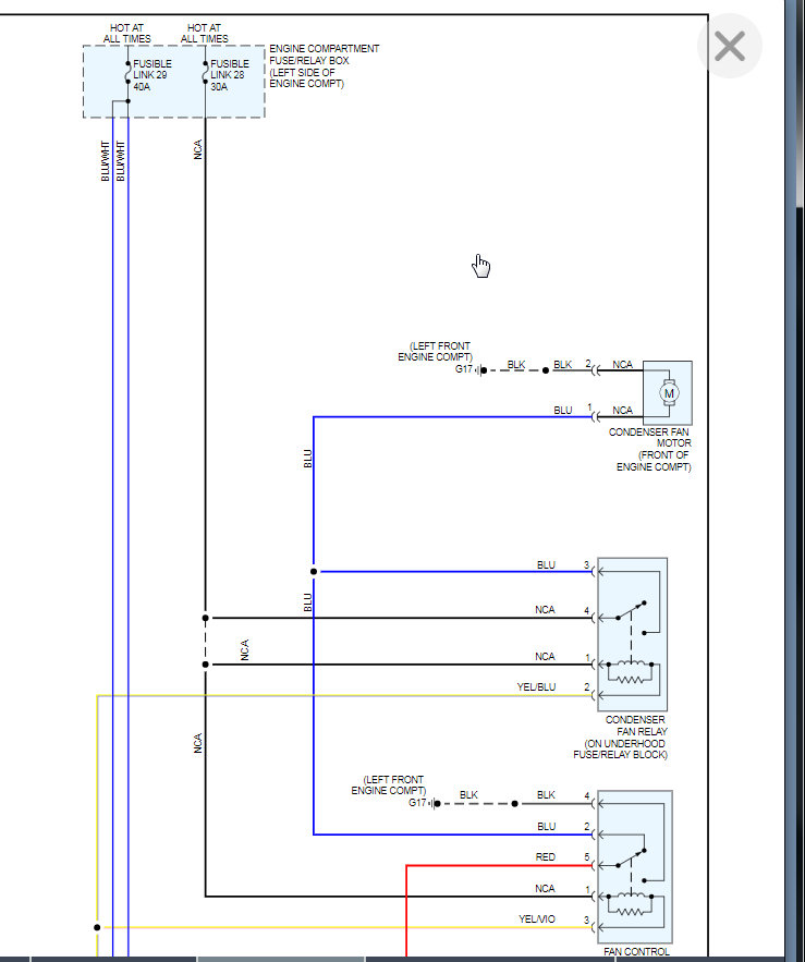
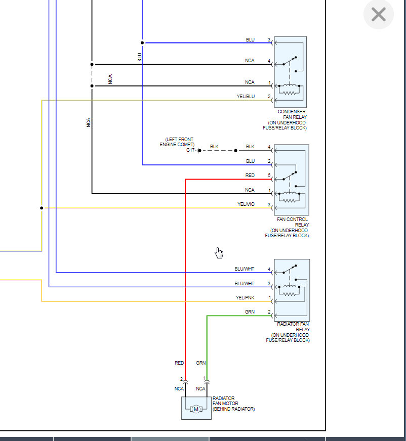
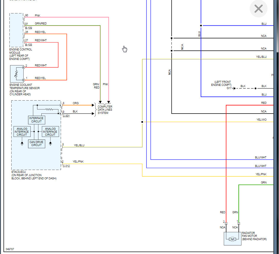
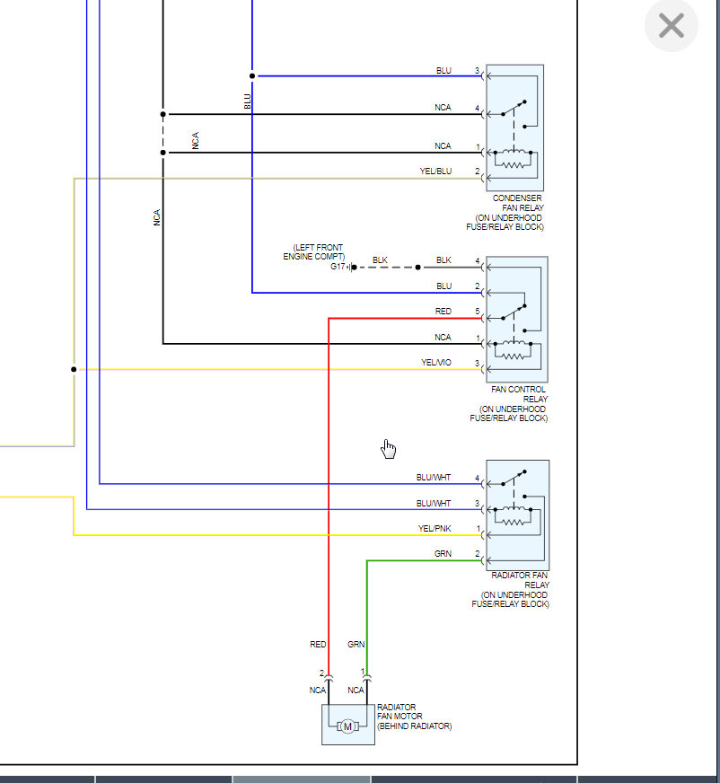
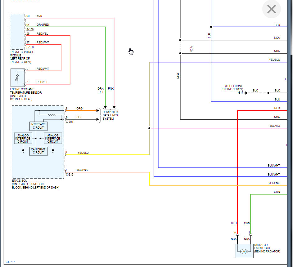
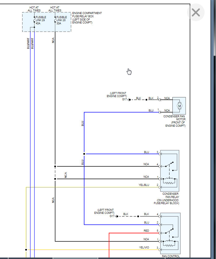
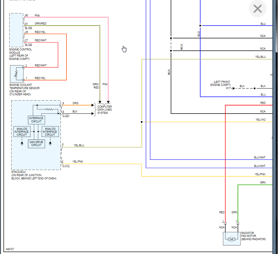
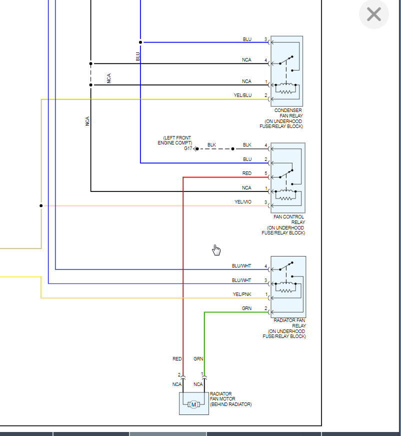
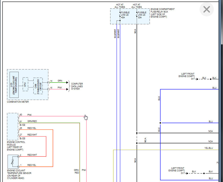
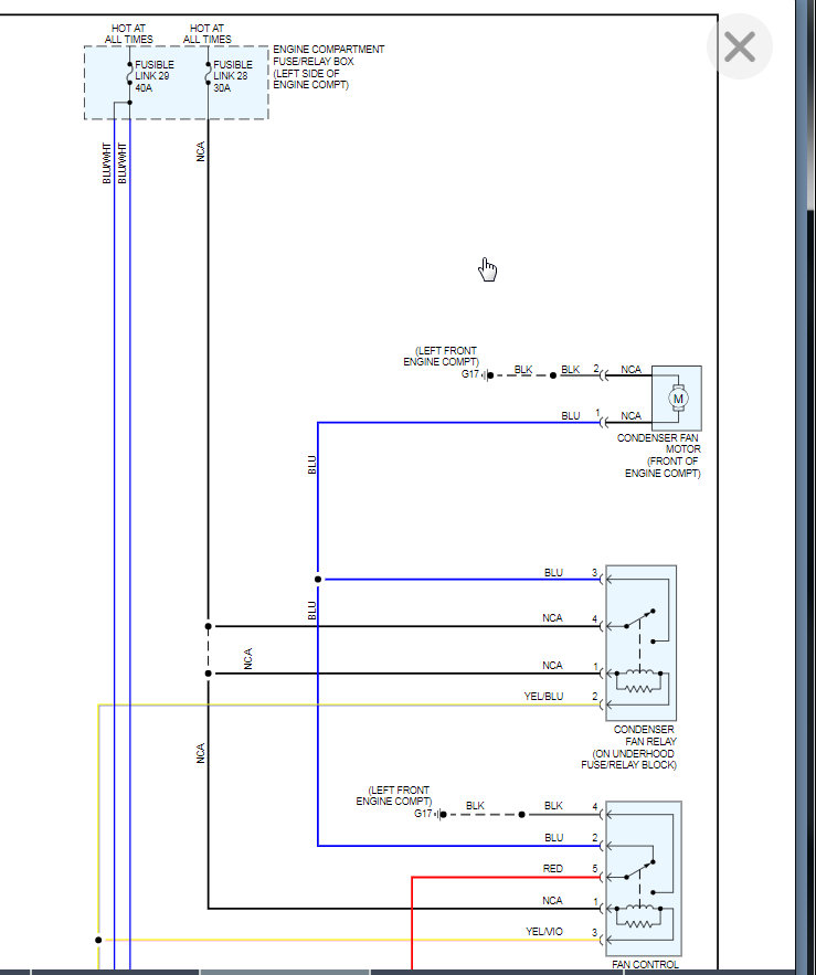
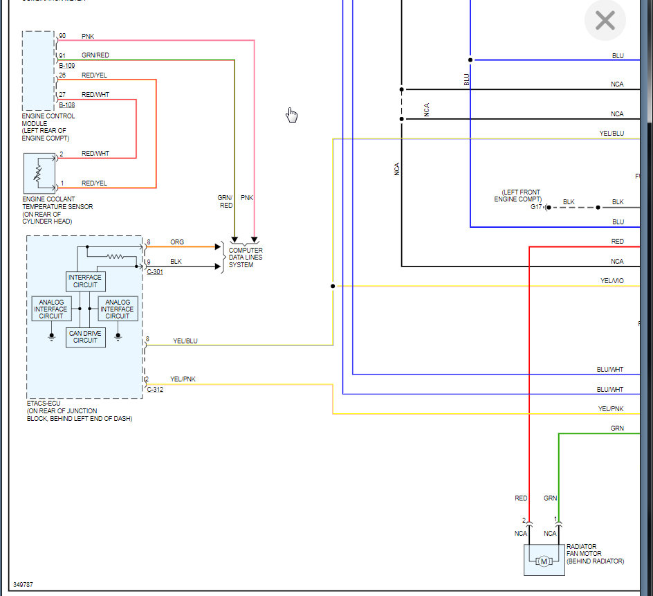
I attached the wiring diagram. When you say you checked the relays did you get all of them? Take a look at the wiring diagram for each. There is a relay for each fan and a control relay.

If those are all okay, then we need to go to the ETACS ECU and measure voltage coming out on the pin 2 and 8 and see if we have voltage when the fans should be on. Turn the AC on and the condenser fan should be on. When the coolant temp gets high enough the radiator fan should be on.

If we have no voltage coming out then the ECM or ETACS is the issue. At that point to confirm which it is, we will need a scan tool to monitor what the ECM is telling the fans to do. Basically we should see them commanded on and if they are then the issue is the ETACS.

Let me know if you have questions and we can go from there. Thanks
Apr 12, 2020 at 5:07 PM