Tuesday, March 21st, 2023 AT 6:24 PM
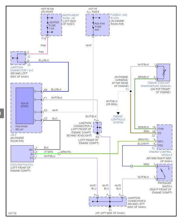
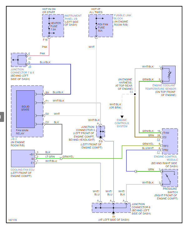
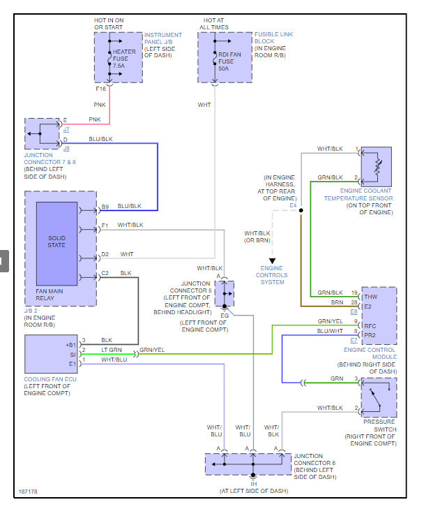
Both cooling fans are not running. The relays are good, and the fan control module seems okay. The power supply has 12 volts in and both terminals for both fans have about 9.6 volts going out of module to fans. From what I researched this is good. Thermostat is new and working properly. I jumped power to fans directly and only the driver side will turn on. Nothing on the passenger side. Seems that the passenger motor is bad, but will this prevent the driver side from running?


