Coolant water inside the engine

Tiny
LIKAILAN
  • MEMBER
  • 2011 BMW 535I
  • 170,000 MILES
I took the car for engine gasket replacement fully except for the cylinder head gasket. The mechanic also changed the single Turbocharger which I brought him. After he tested the engine, he said that the engine is broken now as the coolant water went inside the engine. He is blaming the turbo mixing the coolant with oil which I don’t believe that’s the case.
What could be wrong that he did to cause this issue

My engine is N55 automatic
Friday, April 26th, 2019 AT 5:39 AM

3 Replies

Tiny
KASEKENNY
  • MECHANIC
  • 18,907 POSTS
Hi Likalin,

Just to clarify, your vehicle was operating fine and you took in for normal gasket changes and you had him replace the turbo assembly as well that you brought him? Then when he was testing the engine after he was finished he found coolant in the oil?

It is always hard to say what someone else did wrong because we are not there seeing what he is doing. However, if the vehicle was fine when you took it to him and now it needs an engine, it is hard to believe he didn't do something wrong.

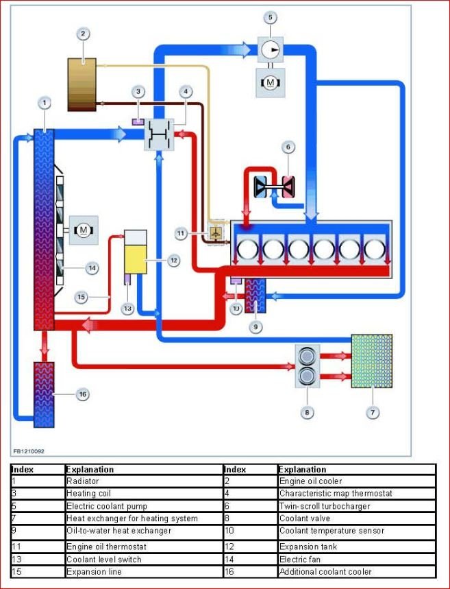
If you look at the attachment you will see the path of the coolant. There are plenty of places that the oil and coolant could mix and the turbo is one of them.

Give me a little more detail about the before and after and what he actually did and I will try to help clear it up. Thanks
Was this
answer
helpful?
Yes
No
+1
Friday, April 26th, 2019 AT 5:58 PM
Tiny
LIKAILAN
  • MEMBER
  • 2 POSTS
I provided him with a Chinese Turbocharger to install too. The mechanic advised that he found oil and coolant in the intake manifold, and would only come from the turbo. The turbo was new, but the mechanic claimed a defeat of oil and coolant mix in the turbo charger. The mechanic also changed the profile gasket, oil pan gasket, cover pan gaskets and punch of other rings and rubber gaskets.
Was this
answer
helpful?
Yes
No
Friday, April 26th, 2019 AT 11:21 PM
Tiny
KASEKENNY
  • MECHANIC
  • 18,907 POSTS
Okay. Based on this, I don't see how he did something wrong. In my opinion the oil and coolant could have been from the previous turbo. What was the reason you brought him a new one?

The reason I say I don't think he did it was if he replaced it with a new one, all he has to do is unhook lines and put them on the new one. They only go in one place so its not like he could have crossed the oil and coolant lines. Also, it is possible that the new one was defective. However, it is more likely that the old one failed which is probably why you replaced it and then he found this oil and coolant.

Sorry I can't be more definitive but not being there when he did the repair, I can't say for sure one way or the other. However, based on what he replaced it is not likely that he caused the issue.
Was this
answer
helpful?
Yes
No
Saturday, April 27th, 2019 AT 11:09 AM

Please login or register to post a reply.